 |
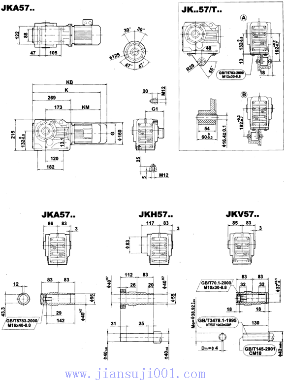
JK57..-JKVZ57..型減速電機外形安裝尺寸 |
 |
|
詳細介紹: |
發布時間:2008/8/9 10:16:43 |
|
|
JK57..-JKVZ57..型減速電機外形安裝尺寸

|
Y263 |
Y271 |
Y280 |
Y290S |
Y290L |
Y2100L |
Y2112M |
|
|
|
|
|
G(AC) |
130 |
145 |
175 |
195 |
195 |
215 |
240 |
|
|
|
|
|
G1(AD) |
70 |
80 |
145 |
155 |
155 |
180 |
190 |
|
|
|
|
|
K |
460 |
478 |
508 |
523 |
548 |
578 |
593 |
|
|
|
|
|
KB |
530 |
548 |
598 |
613 |
638 |
673 |
688 |
|
|
|
|
|
KM(LB) |
207 |
225 |
255 |
270 |
295 |
325 |
340 |
|
|
|
|
|
注:1)KB為帶制動器的長度
2)括號內字母為Y2系列電機樣本對應的尺寸字母。
|
Y263 |
Y271 |
Y280 |
Y290S |
Y290L |
Y2100L |
Y2112M |
|
|
|
|
|
G(AC) |
130 |
145 |
175 |
195 |
195 |
215 |
240 |
|
|
|
|
|
G1(AD) |
70 |
80 |
145 |
155 |
155 |
180 |
190 |
|
|
|
|
|
K |
476 |
494 |
524 |
539 |
564 |
594 |
609 |
|
|
|
|
|
KB |
546 |
564 |
614 |
629 |
654 |
689 |
704 |
|
|
|
|
|
KM(LB) |
207 |
225 |
255 |
270 |
295 |
325 |
340 |
|
|
|
|
|
注:1)KB為帶制動器的長度
2)括號內字母為Y2系列電機樣本對應的尺寸字母。
|
Y263 |
Y271 |
Y280 |
Y290S |
Y290L |
Y2100L |
Y2112M |
|
|
|
|
|
G(AC) |
130 |
145 |
175 |
195 |
195 |
215 |
240 |
|
|
|
|
|
G1(AD) |
70 |
80 |
145 |
155 |
155 |
180 |
190 |
|
|
|
|
|
K |
476 |
494 |
524 |
539 |
564 |
594 |
609 |
|
|
|
|
|
KB |
546 |
564 |
614 |
629 |
654 |
689 |
704 |
|
|
|
|
|
KM(LB) |
207 |
225 |
255 |
270 |
295 |
325 |
340 |
|
|
|
|
|
注:1)KB為帶制動器的長度
2)括號內字母為Y2系列電機樣本對應的尺寸字母。
|
Y263 |
Y271 |
Y280 |
Y290S |
Y290L |
Y2100L |
Y2112M |
|
|
|
|
|
G(AC) |
130 |
145 |
175 |
195 |
195 |
215 |
240 |
|
|
|
|
|
G1(AD) |
70 |
80 |
145 |
155 |
155 |
180 |
190 |
|
|
|
|
|
K |
476 |
494 |
524 |
539 |
564 |
594 |
609 |
|
|
|
|
|
KB |
546 |
564 |
614 |
629 |
654 |
689 |
704 |
|
|
|
|
|
KM(LB) |
207 |
225 |
255 |
270 |
295 |
325 |
340 |
|
|
|
|
|
注:1)KB為帶制動器的長度
2)括號內字母為Y2系列電機樣本對應的尺寸字母。
|
|
|