Product list產品列表
Customer service在線客服
產品展示
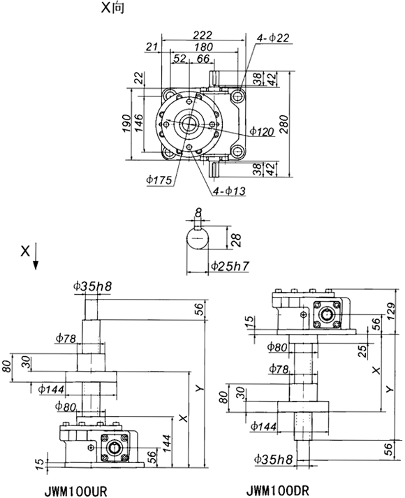
JWM100絲杠升降機外形尺寸
.gif)
.gif)
JWM100
行程(mm) |
US | |||||
X |
X⑴ |
L |
m(kg) | |||
MIN |
MAX |
MIN |
MAX | |||
100 |
161 |
261 |
171 |
271 |
151 |
27 |
200 |
161 |
361 |
171 |
371 |
252 |
29 |
300 |
161 |
461 |
186 |
486 |
366 |
32 |
400 |
161 |
561 |
186 |
586 |
466 |
34 |
500 |
161 |
661 |
211 |
711 |
591 |
37 |
600 |
161 |
761 |
211 |
811 |
691 |
40 |
800 |
161 |
961 |
226 |
1026 |
906 |
45 |
1000 |
161 |
1161 |
236 |
1236 |
1116 |
50 |
1200 |
161 |
1361 |
|
|
1341 |
56 |
行程(mm) |
DS | |||||
X |
X⑴ |
L |
m(kg) | |||
MIN |
MAX |
MIN |
MAX | |||
100 |
42 |
142 |
52 |
152 |
151 |
27 |
200 |
42 |
242 |
52 |
252 |
252 |
29 |
300 |
42 |
342 |
67 |
367 |
366 |
32 |
400 |
42 |
442 |
67 |
467 |
466 |
34 |
500 |
42 |
542 |
92 |
592 |
591 |
37 |
600 |
42 |
642 |
92 |
692 |
691 |
40 |
800 |
42 |
842 |
107 |
907 |
906 |
45 |
1000 |
42 |
1042 |
117 |
1117 |
1116 |
50 |
1200 |
42 |
1242 |
142 |
|
|
56 |
行程(mm) |
UR | |||
X |
Y |
m(kg) | ||
MIN |
MAX | |||
100 |
184 |
284 |
344 |
32 |
200 |
184 |
384 |
444 |
33 |
300 |
184 |
484 |
544 |
34 |
400 |
184 |
584 |
644 |
36 |
500 |
184 |
684 |
744 |
37 |
600 |
184 |
784 |
844 |
38 |
800 |
184 |
984 |
1044 |
41 |
1000 |
184 |
1184 |
1244 |
43 |
1200 |
184 |
1384 |
1444 |
45 |
行程(mm) |
DR | |||
X |
Y |
m(kg) | ||
MIN |
MAX | |||
100 |
115 |
215 |
225 |
32 |
200 |
115 |
315 |
325 |
33 |
300 |
115 |
415 |
425 |
34 |
400 |
115 |
515 |
525 |
36 |
500 |
115 |
615 |
625 |
37 |
600 |
115 |
715 |
725 |
38 |
800 |
115 |
915 |
925 |
41 |
1000 |
115 |
1115 |
1125 |
43 |
1200 |
115 |
1315 |
1325 |
45 |
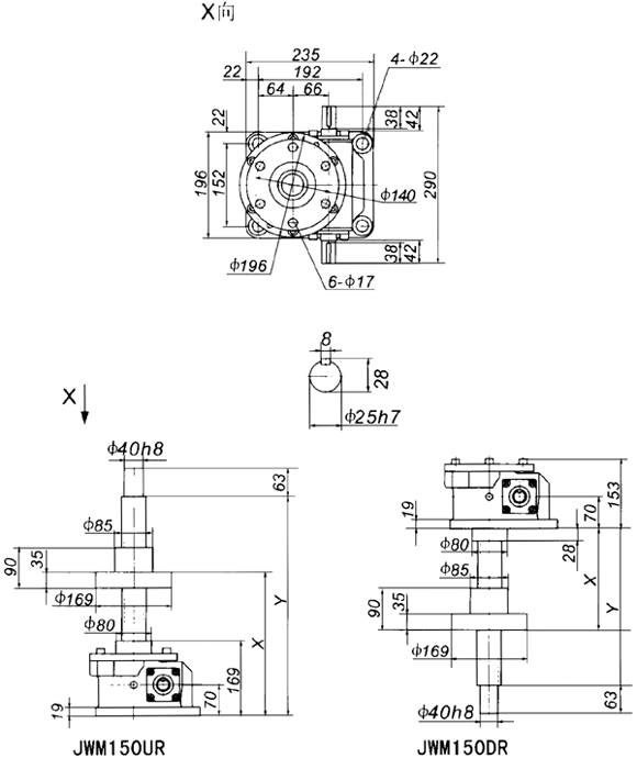
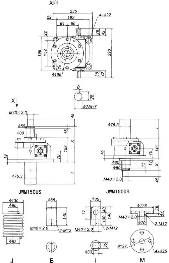
JWM150絲杠升降機外形尺寸
.gif)
.gif)
JWM150
行程(mm) |
US | |||||
X |
X⑴ |
L |
m(kg) | |||
MIN |
MAX |
MIN |
MAX | |||
100 |
183 |
283 |
193 |
293 |
151 |
33 |
200 |
183 |
383 |
193 |
393 |
252 |
35 |
300 |
183 |
483 |
208 |
508 |
366 |
38 |
400 |
183 |
583 |
208 |
608 |
466 |
41 |
500 |
183 |
683 |
233 |
733 |
591 |
45 |
600 |
183 |
783 |
233 |
833 |
691 |
47 |
800 |
183 |
983 |
248 |
1048 |
906 |
53 |
1000 |
183 |
1183 |
258 |
1258 |
1116 |
59 |
行程(mm) |
DS | |||||
X |
X⑴ |
L |
m(kg) | |||
MIN |
MAX |
MIN |
MAX | |||
100 |
42 |
142 |
52 |
152 |
151 |
33 |
200 |
42 |
242 |
52 |
252 |
252 |
35 |
300 |
42 |
342 |
67 |
367 |
366 |
38 |
400 |
42 |
442 |
67 |
467 |
466 |
41 |
500 |
42 |
542 |
92 |
592 |
591 |
45 |
600 |
42 |
642 |
92 |
692 |
691 |
47 |
800 |
42 |
842 |
107 |
907 |
906 |
53 |
1000 |
42 |
1042 |
117 |
1117 |
1116 |
59 |
行程(mm) |
UR | |||
X |
Y |
m(kg) | ||
MIN |
MAX | |||
100 |
214 |
314 |
379 |
40 |
200 |
214 |
114 |
479 |
42 |
300 |
214 |
514 |
579 |
43 |
400 |
214 |
614 |
679 |
45 |
500 |
214 |
714 |
779 |
46 |
600 |
214 |
814 |
879 |
48 |
800 |
214 |
1014 |
1079 |
51 |
1000 |
214 |
1214 |
1279 |
54 |
1200 |
214 |
1414 |
1479 |
57 |
行程(mm) |
DR | |||
X |
Y |
m(kg) | ||
MIN |
MAX | |||
100 |
128 |
228 |
239 |
40 |
200 |
128 |
328 |
339 |
42 |
300 |
128 |
428 |
439 |
43 |
400 |
128 |
528 |
539 |
45 |
500 |
128 |
628 |
639 |
46 |
600 |
128 |
728 |
739 |
48 |
800 |
128 |
928 |
939 |
51 |
1000 |
128 |
1128 |
1139 |
54 |
1200 |
128 |
1328 |
1339 |
57 |
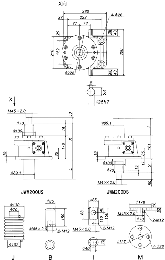
JWM200絲杠升降機外形尺寸
.gif)
.gif)
JWM200
行程(mm) |
US | |||||
X |
X⑴ |
L |
m(kg) | |||
MIN |
MAX |
MIN |
MAX | |||
100 |
203 |
303 |
213 |
313 |
136 |
42 |
200 |
203 |
403 |
213 |
413 |
236 |
45 |
300 |
203 |
503 |
228 |
528 |
351 |
49 |
400 |
203 |
603 |
228 |
628 |
451 |
53 |
500 |
203 |
703 |
253 |
753 |
576 |
57 |
600 |
203 |
803 |
253 |
853 |
676 |
60 |
800 |
203 |
1003 |
268 |
1068 |
891 |
67 |
1000 |
203 |
1203 |
278 |
1278 |
1101 |
74 |
行程(mm) |
DS | |||||
X |
X⑴ |
L |
m(kg) | |||
MIN |
MAX |
MIN |
MAX | |||
100 |
42 |
142 |
52 |
152 |
136 |
42 |
200 |
42 |
242 |
52 |
252 |
236 |
45 |
300 |
42 |
342 |
67 |
367 |
351 |
49 |
400 |
42 |
442 |
67 |
467 |
451 |
53 |
500 |
42 |
542 |
92 |
592 |
576 |
57 |
600 |
42 |
642 |
92 |
692 |
676 |
60 |
800 |
42 |
842 |
107 |
907 |
891 |
67 |
1000 |
42 |
1042 |
117 |
1117 |
1101 |
74 |
行程(mm) |
UR | |||
X |
Y |
m(kg) | ||
MIN |
MAX | |||
100 |
237 |
337 |
422 |
56 |
200 |
237 |
437 |
522 |
58 |
300 |
237 |
537 |
622 |
60 |
400 |
237 |
637 |
722 |
62 |
500 |
237 |
737 |
822 |
64 |
600 |
237 |
837 |
922 |
66 |
800 |
237 |
1037 |
1122 |
71 |
1000 |
237 |
1237 |
1322 |
75 |
1200 |
237 |
1437 |
1522 |
79 |
行程(mm) |
DR | |||
X |
Y |
m(kg) | ||
MIN |
MAX | |||
100 |
151 |
251 |
261 |
56 |
200 |
151 |
351 |
361 |
58 |
300 |
151 |
451 |
461 |
60 |
400 |
151 |
551 |
561 |
62 |
500 |
151 |
651 |
661 |
64 |
600 |
151 |
751 |
761 |
66 |
800 |
151 |
951 |
961 |
71 |
1000 |
151 |
1151 |
1161 |
75 |
1200 |
151 |
1351 |
1361 |
79 |
JWM300絲杠升降機外形尺寸
.gif)
JWM300
行程(mm) |
US |
DS |
m(kg) | ||||||||
X |
X⑴ |
L |
X |
X⑴ |
L | ||||||
MIN |
MAX |
MIN |
MAX |
MIN |
MAX |
MIN |
MAX | ||||
100 |
255 |
355 |
265 |
365 |
135 |
55 |
155 |
65 |
165 |
135 |
118 |
200 |
255 |
455 |
265 |
465 |
235 |
55 |
255 |
65 |
265 |
235 |
123 |
300 |
255 |
555 |
280 |
580 |
350 |
55 |
355 |
80 |
380 |
350 |
128 |
400 |
255 |
655 |
280 |
680 |
450 |
55 |
455 |
80 |
480 |
450 |
134 |
500 |
255 |
755 |
295 |
795 |
565 |
55 |
555 |
95 |
595 |
565 |
139 |
600 |
255 |
855 |
295 |
895 |
665 |
55 |
655 |
95 |
695 |
665 |
145 |
800 |
255 |
1055 |
310 |
1110 |
880 |
55 |
855 |
110 |
910 |
880 |
155 |
1000 |
255 |
1255 |
330 |
1330 |
1100 |
55 |
1055 |
130 |
1130 |
1100 |
167 |
JWM500絲杠升降機外形尺寸
.gif)
JWM500
行程(mm) |
US |
DS |
m(kg) | ||||||||
X |
X⑴ |
L |
X |
X⑴ |
L | ||||||
MIN |
MAX |
MIN |
MAX |
MIN |
MAX |
MIN |
MAX | ||||
100 |
315 |
415 |
320 |
420 |
137 |
55 |
155 |
60 |
160 |
137 |
248 |
200 |
315 |
515 |
320 |
520 |
237 |
55 |
255 |
60 |
260 |
237 |
260 |
300 |
315 |
615 |
340 |
640 |
357 |
55 |
355 |
80 |
380 |
357 |
273 |
400 |
315 |
715 |
340 |
740 |
457 |
55 |
455 |
80 |
480 |
457 |
284 |
500 |
315 |
815 |
350 |
850 |
567 |
55 |
555 |
90 |
590 |
567 |
297 |
600 |
315 |
915 |
350 |
950 |
667 |
55 |
655 |
90 |
690 |
667 |
308 |
800 |
315 |
1115 |
365 |
1165 |
882 |
55 |
855 |
105 |
905 |
882 |
332 |
1000 |
315 |
1315 |
380 |
1380 |
1097 |
55 |
1055 |
120 |
1120 |
1097 |
357 |
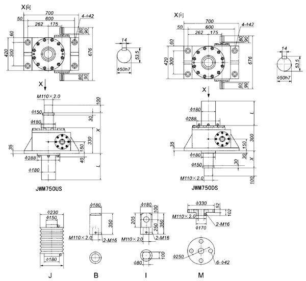
JWM750絲杠升降機外形尺寸
![]() JWM750
|
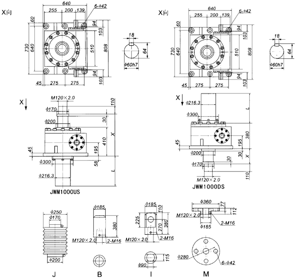
JWM1000絲杠升降機外形尺寸
.gif)
行程(mm) |
US |
DS |
m(kg) | ||||||||
X |
X⑴ |
L |
X |
X⑴ |
L | ||||||
MIN |
MAX |
MIN |
MAX |
MIN |
MAX |
MIN |
MAX | ||||
100 |
450 |
550 |
460 |
560 |
197 |
70 |
170 |
80 |
180 |
197 |
748 |
200 |
450 |
650 |
460 |
660 |
297 |
70 |
270 |
80 |
280 |
297 |
766 |
300 |
450 |
750 |
475 |
775 |
412 |
70 |
370 |
95 |
395 |
412 |
787 |
400 |
450 |
850 |
475 |
875 |
512 |
70 |
470 |
95 |
495 |
512 |
805 |
500 |
450 |
950 |
485 |
985 |
622 |
70 |
570 |
105 |
605 |
622 |
824 |
600 |
450 |
1050 |
485 |
1085 |
722 |
70 |
670 |
105 |
705 |
722 |
842 |
800 |
450 |
1250 |
500 |
1300 |
937 |
70 |
870 |
120 |
920 |
937 |
881 |
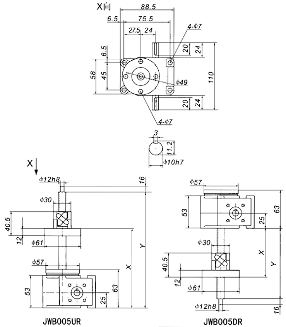
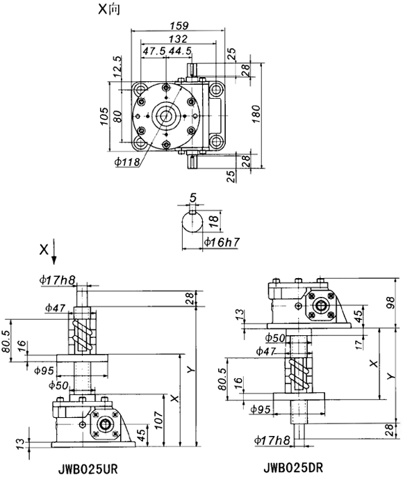
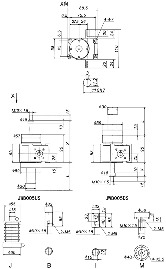
JWB005絲杠升降機外形尺寸
.gif)
.gif)
JWB005
行程(mm) |
US |
DS |
m(kg) | ||||||||
X |
X⑴ |
L |
X |
X⑴ |
L | ||||||
MIN |
MAX |
MIN |
MAX |
MIN |
MAX |
MIN |
MAX | ||||
100 |
115 |
215 |
160 |
260 |
188 |
20 |
120 |
65 |
165 |
188 |
3.0 |
200 |
115 |
315 |
160 |
360 |
288 |
20 |
220 |
65 |
265 |
288 |
3.2 |
300 |
115 |
415 |
200 |
500 |
428 |
20 |
320 |
105 |
405 |
428 |
3.4 |
400 |
115 |
515 |
200 |
600 |
528 |
20 |
420 |
105 |
505 |
528 |
3.6 |
500 |
115 |
615 |
235 |
735 |
663 |
20 |
520 |
140 |
640 |
663 |
3.8 |
600 |
115 |
715 |
235 |
835 |
763 |
20 |
620 |
140 |
740 |
763 |
4.0 |
800 |
115 |
915 |
270 |
1070 |
998 |
20 |
820 |
175 |
975 |
998 |
4.3 |
行程(mm) |
UR | |||
X |
Y |
m(kg) | ||
MIN |
MAX | |||
100 |
84 |
184 |
224 |
2.7 |
200 |
84 |
284 |
324 |
2.8 |
300 |
84 |
384 |
424 |
2.9 |
400 |
84 |
484 |
524 |
3.1 |
500 |
84 |
584 |
624 |
3.2 |
600 |
84 |
684 |
724 |
3.3 |
800 |
84 |
884 |
924 |
3.6 |
行程(mm) |
DR | |||
X |
Y |
m(kg) | ||
MIN |
MAX | |||
100 |
51 |
151 |
162 |
2.7 |
200 |
51 |
251 |
262 |
2.8 |
300 |
51 |
351 |
362 |
2.9 |
400 |
51 |
451 |
462 |
3.1 |
500 |
51 |
551 |
562 |
3.2 |
600 |
51 |
651 |
662 |
3.3 |
800 |
51 |
851 |
862 |
3.6 |
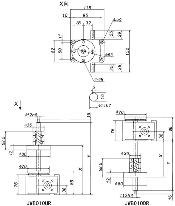
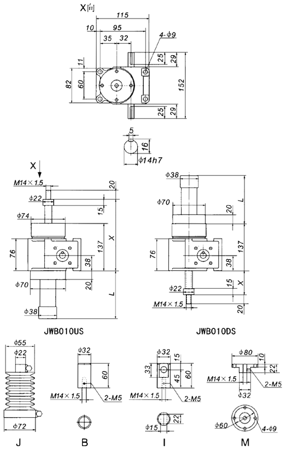
JWB010絲杠升降機外形尺寸
.gif)
.gif)
行程(mm) |
US |
DS |
m(kg) | ||||||||
X |
X⑴ |
L |
X |
X⑴ |
L | ||||||
MIN |
MAX |
MIN |
MAX |
MIN |
MAX |
MIN |
MAX | ||||
100 |
162 |
262 |
212 |
312 |
194 |
25 |
125 |
75 |
175 |
194 |
6.7 |
200 |
162 |
362 |
212 |
412 |
294 |
25 |
225 |
75 |
275 |
294 |
7.0 |
300 |
162 |
462 |
252 |
552 |
434 |
25 |
325 |
115 |
415 |
434 |
7.4 |
400 |
162 |
562 |
252 |
652 |
534 |
25 |
425 |
115 |
515 |
534 |
7.6 |
500 |
162 |
662 |
287 |
787 |
669 |
25 |
525 |
150 |
650 |
669 |
8.0 |
600 |
162 |
762 |
287 |
887 |
769 |
25 |
625 |
150 |
750 |
769 |
8.2 |
800 |
162 |
962 |
322 |
1122 |
1004 |
25 |
825 |
185 |
985 |
1004 |
8.9 |
1000 |
162 |
1162 |
352 |
1352 |
1234 |
25 |
1025 |
215 |
1215 |
1234 |
9.5 |
行程(mm) |
UR | |||
X |
Y |
m(kg) | ||
MIN |
MAX | |||
100 |
108 |
208 |
265 |
5.9 |
200 |
108 |
308 |
365 |
6.1 |
300 |
108 |
408 |
465 |
6.4 |
400 |
108 |
508 |
565 |
6.6 |
500 |
108 |
608 |
665 |
6.8 |
600 |
108 |
708 |
765 |
7.0 |
800 |
108 |
908 |
965 |
7.4 |
1000 |
108 |
1108 |
1165 |
7.9 |
行程(mm) |
DR | |||
X |
Y |
m(kg) | ||
MIN |
MAX | |||
100 |
69 |
169 |
179 |
5.9 |
200 |
69 |
269 |
279 |
6.1 |
300 |
69 |
369 |
379 |
6.4 |
400 |
69 |
469 |
479 |
6.6 |
500 |
69 |
569 |
579 |
6.8 |
600 |
69 |
669 |
679 |
7.0 |
800 |
69 |
869 |
879 |
7.4 |
1000 |
69 |
1069 |
1079 |
7.9 |
JWB025絲杠升降機外形尺寸
.gif)
.gif)
行程(mm) |
US |
DS |
m(kg) | ||||||||
X |
X⑴ |
L |
X |
X⑴ |
L | ||||||
MIN |
MAX |
MIN |
MAX |
MIN |
MAX |
MIN |
MAX | ||||
100 |
215 |
315 |
230 |
330 |
149 |
42 |
142 |
57 |
157 |
149 |
11 |
200 |
215 |
415 |
230 |
430 |
249 |
42 |
242 |
57 |
257 |
249 |
11 |
300 |
215 |
515 |
250 |
550 |
369 |
42 |
342 |
77 |
377 |
369 |
11 |
400 |
215 |
615 |
250 |
650 |
469 |
42 |
442 |
77 |
477 |
469 |
12 |
500 |
215 |
715 |
270 |
770 |
589 |
42 |
542 |
97 |
597 |
589 |
12 |
600 |
215 |
815 |
270 |
870 |
689 |
42 |
642 |
97 |
697 |
689 |
13 |
800 |
215 |
1015 |
290 |
1090 |
909 |
42 |
842 |
117 |
917 |
909 |
14 |
1000 |
215 |
1215 |
310 |
1310 |
1129 |
42 |
1042 |
137 |
1137 |
1129 |
14 |
1200 |
215 |
1415 |
325 |
1525 |
1344 |
42 |
1242 |
152 |
1352 |
1344 |
15 |
行程(mm) |
UR | |||
X |
Y |
m(kg) | ||
MIN |
MAX | |||
100 |
133 |
233 |
309 |
9.2 |
200 |
133 |
333 |
409 |
9.5 |
300 |
133 |
433 |
509 |
9.9 |
400 |
133 |
533 |
609 |
11 |
500 |
133 |
633 |
709 |
11 |
600 |
133 |
733 |
809 |
11 |
800 |
133 |
933 |
1009 |
12 |
1000 |
133 |
1133 |
1209 |
13 |
1200 |
133 |
1333 |
1409 |
13 |
行程(mm) |
DR | |||
X |
Y |
m(kg) | ||
MIN |
MAX | |||
100 |
108 |
208 |
219 |
9.2 |
200 |
108 |
308 |
319 |
9.5 |
300 |
108 |
408 |
419 |
9.9 |
400 |
108 |
508 |
519 |
11 |
500 |
108 |
608 |
619 |
11 |
600 |
108 |
708 |
719 |
11 |
800 |
108 |
908 |
919 |
12 |
1000 |
108 |
1108 |
1119 |
13 |
1200 |
108 |
1308 |
1319 |
13 |
頁次:2/3 每頁10條 共30條信息 分頁:[1][2][3] |