Product list產品列表
- 第二代新標準高承載能力NGW型行星齒輪減速機
- NBD、NBF系列行星齒輪減速機
- 螺旋樁機動力頭用減速機
- AST系列柔性傳動裝置
- 多層纏繞系統
- 頂管用行星齒輪減速機
- XZN工程機械行走減速機
- 鐵路工程機械牽引減速機
- NDSK系列重型板式輸送機用減速機
- NMCD系列慢傳減速機
- ZX4型慢速傳動減速機
- ZNL2系列列調機用行星齒輪減速機
- 中速立磨減速機
- 焦化車系列減速機
- NED系列鋁軋機用減速機
- 船用吊機減速機及其它船用減速機
- 船用吊機減速機
- 風力發電增速器
- 1.5兆瓦風電裝置變槳和偏航系列減速機
- 風力發電主傳動試驗臺用減速機
- 小型風力發電主驅動減速機
- XG系列輥壓機用行星減速機
- 特種專用減速機
- 行星齒輪減速機
- 齒輪減速機
- 更多企業推薦產品
Customer service在線客服
產品展示
這類減速器包括單級、二級兩個系列的立式行星齒輪減速器。它主要用于冶金、起重、運輸、輕化及通用機械設備。其工作條件為:高速軸轉速不超過1500r/min;齒輪圓周速度不超過15m/s;工作環境溫度為-40~+45℃;可正反兩向運轉。
NGW—L型減速器主要性能參數(JB3724—84P)4
|
單級NGW—L減速器 | |||||||
|
機座號 |
公稱傳動比i |
41 4.5 52 |
5.61 63 71 8 9 102 | ||||
|
型號 |
性參參數 |
性能參數 | |||||
|
a(mm) |
m(mm) |
T(N·m) |
a(mm) |
m(mm) |
T(N·m) | ||
|
1 |
NGW-L11 |
56 |
2 |
1330~1390/1380~1420 |
50 |
1.5 |
610~640/860~920 |
|
2 |
NGW-L21 |
63 |
2.25 |
1890/1980 |
56 |
1.75 |
910/1280 |
|
3 |
NGW-L31 |
71 |
2.5 |
2700/2850 |
63 |
2 |
1350/1890 |
|
4 |
NGW-L41 |
80 |
3 |
3960/4100 |
71 |
2.25 |
1950/2700 |
|
5 |
NGW-L51 |
90 |
3 |
5400/5630 |
80 |
2.5 |
2670/3690 |
|
6 |
NGW-L61 |
100 |
3.5 |
7450/7700 |
90 |
3 |
3840/5450 |
|
7 |
NGW-L71 |
112 |
4 |
1000/11400 |
100 |
3 |
5000/7160 |
|
二級NGW—L減速器 | |||||||
|
機座號 |
公稱傳動比i |
251,3 28 31.5 35.5 40 45 502 |
561 63 71 80 90 1002 | ||||
|
型號 |
性參參數 |
性能參數 | |||||
|
a1/a2(mm) |
m1/m2(mm) |
T(N·m) |
a(mm) |
m(mm) |
T(N·m) | ||
|
4 |
NGW-L42 |
50(56)/80 |
1.5(2)/3 |
3500/4550 |
50/71 |
1.5/2.25 |
2020/2800 |
|
5 |
NGW-L52 |
56(63)/90 |
1.75(2.25)/3 |
5000/6210 |
56/80 |
1.75/2.5 |
2780/3870 |
|
6 |
NGW-L62 |
63(71)/100 |
2(2.5)/3.5 |
7530/8560 |
63/90 |
2/3 |
4000/5700 |
|
7 |
NGW-L72 |
71(80)/112 |
2.25(3)/4 |
11210/12650 |
71/100 |
2.25/3 |
5230/7510 |
|
8 |
NGW-L82 |
80(90)/125 |
2.5(3)4.5 |
15200/17190 |
80/112 |
2.5/3.5 |
7620/10570 |
|
9 |
NGW-L92 |
90(100)/140 |
3(3.5)/5 |
21940/24890 |
90/125 |
3/4 |
11410/15770 |
|
10 |
NGW-L102 |
100(112)/160 |
3(4)/6 |
28710/36280 |
100/140 |
3/4.5 |
16230/22440 |
|
11 |
NGW-L112 |
112(125)/180 |
3.5(4.5)/6 |
41830/49580 |
112/160 |
3.5/5 |
22230/30800 |
|
12 |
NGW-L122 |
125(140)/200 |
4(5)/7 |
62440/68190 |
125/180 |
4/6 |
32030/45370 |
n1=1000r/min時單級、二級減速器圓周速度 (m/s)
|
傳動比代號 |
公稱傳動比 |
NGW-L
11
42 |
NGW-L
21
52 |
NGW-L
31
62 |
NGW-L
41
72 |
NGW-L
51
82 |
NGW-L
61
92 |
NGW-L
71
102 |
NGW-L
112 |
NGW-L
122 |
|
1 |
4 |
2.28 |
2.46 |
2.85 |
3.14 |
3.54 |
3.93 |
4.39 |
7.07 |
7.85 |
|
2 |
4.5 |
2.04 |
2.29 |
2.54 |
3.89 |
3.26 |
3.62 |
3.99 |
6.52 |
7.21 |
|
3 |
5 |
1.93 |
2.07 |
2.41 |
2.68 |
3.02 |
3.35 |
3.85 |
6.03 |
6.70 |
|
4 |
5.6 |
1.48 |
1.66 |
1.89 |
2.18 |
2.46 |
2.76 |
3.07 |
4.90 |
5.51 |
|
5 |
6.3 |
1.39 |
1.54 |
1.76 |
1.98 |
2.23 |
2.52 |
2.78 |
4.45 |
5.02 |
|
6 |
7.1 |
1.28 |
1.42 |
1.62 |
1.79 |
2.03 |
2.28 |
2.53 |
4.05 |
4.54 |
|
7 |
8 |
1.16 |
1.28 |
1.48 |
1.63 |
1.83 |
2.06 |
2.26 |
3.30 |
3.72 |
|
8 |
9 |
1.04 |
1.14 |
1.30 |
1.47 |
1.65 |
1.87 |
2.07 |
3.30 |
3.72 |
|
9 |
10 |
0.92 |
1.07 |
1.23 |
1.34 |
1.52 |
1.68 |
1.88 |
3.02 |
3.39 |
注:當n1≠1000r/min時,圓周速度按比例增減。
單級減速器輸入功率
|
傳動比
代號 |
公稱傳
動比 |
機座號 |
1 |
2 |
3 |
4 |
5 |
6 |
7 |
|
型號 |
NGW-L11 |
NGW-L21 |
NGW-L31 |
NGW-L41 |
NGW-L51 |
NGW-L61 |
NGW-L71 | ||
|
n1(r/min) |
單級減速器高速軸許用輸入功率P1P(kW) | ||||||||
|
1 |
4 |
600
750
1000
1500 |
23.3
29.1
38.8
58.1 |
31.4
39.3
52.4
82.5 |
45.9
57.4
76.5
114.7 |
61.9
84.9
113.2
169.8 |
92.9
116.1
115.8
232.2 |
125.6
156.9
209.3
313.9 |
186
232
310
465 |
|
2 |
4.5 |
600
750
1000
1500 |
19.7
24.7
32.9
40.4 |
27.8
34.8
46.4
69.6 |
39
48.7
65
97.4 |
57.6
72
96
144 |
80.2
100.2
133.6
200.4 |
106.6
133.3
177.7
266.6 |
158
190
263
395 |
|
3 |
5 |
600
750
1000
1500 |
17.8
22.2
29.6
44.4 |
23.7
29.6
39.5
59.3 |
35.1
43.8
58.4
87.6 |
51.6
64.5
8.6
129 |
69.1
86.4
115.2
172.8 |
95.9
119.9
159.8
239.7 |
142
177.6
236
355 |
|
4 |
5.6 |
600
750
1000
1500 |
10
12.5
16.6
25 |
14.1
17.6
23.5
35.2 |
21
26.3
35
52.6 |
29.9
37.4
49.9
74.8 |
41.1
51.3
68.4
102.7 |
60.7
75.9
101.2
151.8 |
79.9
99.9
133.1
199.7 |
|
5 |
6.3 |
600
750
1000
1500 |
8.7
10.9
14.5
21.8 |
12.2
15.3
20.4
30.6 |
18.2
22.8
30.4
45.6 |
26
32.5
43.3
64.9 |
35.6
44.5
59.4
89.1 |
52.3
65.4
87.2
130.8 |
69.8
87.2
116.3
174.4 |
|
6 |
7.1 |
600
750
1000
1500 |
7.5
9.3
12.4
18.7 |
10.4
13
17.3
25.9 |
15.5
19.4
25.8
38.7 |
22
27.6
36.7
55.1 |
30.2
37.8
50.4
75.6 |
44
55
73.3
109.9 |
59.7
74.6
99.5
149.3 |
|
7 |
8 |
600
750
1000
1500 |
6.2
7.8
10.4
15.6 |
8.6
10.7
14.3
28.6 |
12.8
16.4
21.3
32 |
18.2
22.8
30.4
45.5 |
25
31.2
41.6
62.4 |
35.9
44.8
59.8
89.7 |
49.9
62.3
83.1
124.7 |
|
8 |
9 |
600
750
1000
1500 |
5.1
6.3
8.4
12.6 |
6.8
8.6
11.4
22.8 |
10.2
12.8
17
25.5 |
14.5
18.2
24.2
36.4 |
20
24.9
33.3
49.9 |
28.2
35.2
46.9
70.4 |
40.4
50.6
67.4
101.1 |
|
9 |
10 |
600
750
1000
1500 |
3.9
4.9
6.6
9.9 |
6
7.5
10
20.1 |
9
11.2
15
22.5 |
12.8
16
21.3
32 |
17.6
22
29.3
43.9 |
24.5
30.7
40.9
61.3 |
31.6
39.5
52.7
79 |
二級減速器輸入功率
|
傳動比
代號 |
公稱傳
動比 |
機座號 |
4 |
5 |
6 |
7 |
8 |
9 |
10 |
11 |
12 |
|
型號 |
NGW-L42 |
NGW-L52 |
NGW-L62 |
NGW-L72 |
NGW-L82 |
NGW-L92 |
NGW-L102 |
NGW-L112 |
NGW-L122 | ||
|
n1(r/min) |
二級減速器高速軸許用輸入功率P1P(kW) | ||||||||||
|
1 |
25 |
600
750
1000
1500 |
11.21
13.99
15.57
27.77 |
15.93
19.88
26.41
39.54 |
21.98
27.42
36.50
54.68 |
32.46
40.51
53.92
82.79 |
44.12
55.08
73.40
109.95 |
63.90
79.79
106.35
159.39 |
93.12
117.22
155.06
232.44 |
127.27
159.02
211.88
317.67 |
175.24
218.58
291.73
437.44 |
|
2 |
28 |
600
750
1000
1500 |
10.10
12.50
16.50
24.79 |
14.88
18.49
23.58
35.31 |
19.63
24.48
32.59
48.82 |
28.99
36.17
48.15
72.13 |
39.39
49.17
65.53
98.17 |
57.06
71.25
94.96
142.31 |
83.14
103.90
138.44
207.50 |
113.63
141.97
189.18
283.66 |
156.44
195.16
260.47
390.57 |
|
3 |
31.5 |
600
750
1000
1500 |
8.90
11.10
14.73
22.04 |
13.16
16.43
21.67
32.69 |
17.44
21.75
28.96
43.37 |
25.76
36.179
42.79
64.12 |
35.01
43.72
58.25
87.26 |
50.71
63.33
84.41
126.50 |
73.91
92.35
123.06
184.48 |
101.1
126.21
168.16
252.12 |
139.05
173.46
231.52
247.18 |
|
4 |
35.5 |
600
750
1000
1500 |
7.90
9.85
13.07
18.55 |
11.69
14.58
19.37
29.04 |
15.49
19.30
25.70
38.50 |
22.86
28.50
37.97
56.00 |
31.07
38.78
51.69
77.42 |
44.99
58.20
74.89
112.25 |
65.58
81.94
109.20
163.70 |
89.63
111.98
149.23
223.72 |
123.39
153.92
205.44
308.06 |
|
5 |
40 |
600
750
1000
1500 |
7.27
9.14
12.19
18.2 |
9.89
12.30
16.44
32.89 |
14.72
18.86
24.49
36.8 |
20.93
26.22
34.96
53.32 |
28.75
35.88
47.84
71.76 |
41.28
51.52
68.77
103.15 |
57.38
71.64
95.56
143.40 |
78.77
98.55
131.33
197.11 |
117.64
147.08
196.07
294.17 |
|
6 |
45 |
600
750
1000
1500 |
5.98
7.38
9.65
4.77 |
7.82
9.89
13.11
26.22 |
11.73
14.72
19.45
29.03 |
16.67
20.93
27.83
41.86 |
16.67
28.63
38.87
57.38 |
23
40.48
53.93
80.96 |
32.43
58.19
77.51
116.26 |
46.46
78.77
104.99
157.43 |
93.95
117.53
156.63
235.06 |
|
7 |
50 |
600
750
1000
1500 |
4.56
5.75
7.70
11.61 |
6.9
8.62
11.5
25.115 |
10.35
12.08
17.25
25.87 |
14.72
18.4
24.49
36.8 |
20.24
25.3
33.69
50.48 |
28.17
35.30
47.03
70.49 |
36.34
45.42
60.60
90.85 |
55.43
69.34
92.345
138.5 |
82.8
103.38
137.88
206.88 |
|
8 |
56 |
600
750
1000
1500 |
3.18
3.88
5.25
7.59 |
3.87
4.44
7.33
10.98 |
6.54
8.17
10.88
16.23 |
8.61
10.74
14.26
81.35 |
12.13
15.14
20.12
30.19 |
18.11
22.60
30.08
45.11 |
25.74
35.21
42.82
64.18 |
35.32
44.12
59.81
88.12 |
52.03
65.01
86.64
127.24 |
|
9 |
63 |
600
750
1000
1500 |
2.683
3.33
4.43
6.61 |
3.76
4.66
6.21
9.28 |
5.54
6.90
10.05
13.73 |
7.32
4.15
12.09
18.18 |
10.29
12.80
12.12
25.67 |
15.36
19.14
25.49
38.23 |
26.84
27.26
36.30
54.41 |
29.95
37.40
49.08
74.64 |
44.12
55.10
73.43
110.07 |
|
10 |
71 |
600
750
1000
1500 |
2.25
2.79
3.71
5.25 |
3.15
3.91
5.25
7.78 |
4.64
5.77
7.67
11.48 |
6.15
7.66
10.20
15.18 |
8.62
10.75
14.30
21.42 |
12.85
16.00
21.36
32.02 |
18.55
22.80
30.36
45.47 |
25.06
31.29
41.69
62.48 |
36.96
46.18
61.54
92.24 |
|
11 |
80 |
600
750
1000
1500 |
1.90
2.36
3.12
4.67 |
2.59
3.24
4.29
6.42 |
3.79
4.71
6.25
9.36 |
5.10
6.36
8.46
12.65 |
7.11
8.87
11.76
17.72 |
10.58
13.23
17.62
26.40 |
15.03
18.87
25.13
37.68 |
20.68
25.80
34.38
51.54 |
30.15
37.65
50.21
75.21 |
|
12 |
90 |
600
750
1000
1500 |
1.54
1.85
2.05
3.85 |
2.31
2.62
3.49
5.21 |
3.05
3.80
5.05
7.45 |
4.16
5.19
5.08
10.33 |
5.76
7.18
9.56
14.32 |
8.61
10.74
14.80
21.40 |
18.22
15.25
20.29
30.40 |
16.77
20.94
27.87
41.73 |
24.27
30.32
40.40
60.56 |
|
13 |
100 |
600
750
1000
1500 |
1.31
1.61
2.15
3.20 |
1.79
2.23
2.96
4.43 |
2.58
3.22
4.27
6.39 |
3.37
4.18
5.58
8.35 |
4.91
6.16
8.14
12.24 |
7.33
9.15
12.18
18.23 |
10.45
13.05
17.32
25.93 |
14.30
17.85
23.78
35.62 |
20.59
25.70
34.25
51.34 |
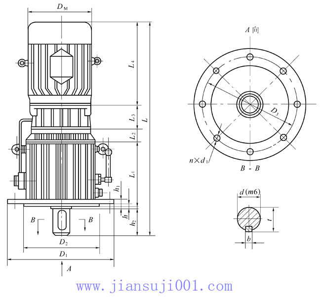
NGW-L型單級行星齒輪減速機外形及安裝尺寸

單級NGW-L型減速器外形和安裝尺寸 (mm)
|
機座
號 |
型號
規格 |
公稱傳動
比id |
外形 |
法蘭及螺栓孔 |
軸伸 |
質量(kg) |
油量(L) | |||||||||||
|
DM |
L2 |
D1 |
L1 |
D2 |
D3 |
n×D1 |
h |
h1 |
h2 |
d |
l |
t |
b |
|
| |||
|
1 |
NGW-L
11 |
4~5
5.6~10 |
按
所
配
電
動
機
確
定 |
360 |
230.5 |
280 |
325 |
6×18 |
6 |
20 |
18 |
50 |
82 |
53.5 |
14 |
65 |
3.89 | |
|
2 |
NGW-L
21 |
4~5
5.6~10 |
385 |
255 |
305 |
345 |
6×18 |
6 |
20 |
18 |
60 |
105 |
64.0 |
18 |
100 |
5.53 | ||
|
3 |
NGW-L
31 |
4~5
5.6~10 |
430 |
287 |
330 |
380 |
6×18 |
6 |
25 |
20 |
70 |
105 |
74.5 |
20 |
120 |
7.86 | ||
|
4 |
NGW-L
41 |
4~5
5.6~10 |
485 |
315 |
380 |
455 |
8×22 |
8 |
25 |
20 |
80 |
130 |
85.0 |
22 |
160 |
11.63 | ||
|
5 |
NGW-L
51 |
4~5
5.6~10 |
520 |
355 |
420 |
470 |
8×22 |
8 |
30 |
25 |
90 |
130 |
95.0 |
25 |
240 |
16.52 | ||
|
6 |
NGW-L
61 |
4~5
5.6~10 |
605 |
387 |
505 |
545 |
8×32 |
8 |
30 |
25 |
100 |
165 |
106 |
28 |
320 |
20.84 | ||
|
7 |
NGW-L
71 |
4~5
5.6~10 |
670 |
416.5 |
570 |
610 |
8×32 |
10 |
30 |
28 |
110 |
165 |
116 |
28 |
400 |
29.85 | ||
注:1.所配電動機型號規格確定L、L2之尺寸。
2.表中質量不包括電動機質量。

單級NGW-L型減速器的外形及安裝尺寸 (mm)
|
機座
號 |
型號
規格 |
公稱傳動
比id |
外形 |
法蘭及螺栓孔 |
軸伸 |
質量(kg) |
油量(L) | ||||||||||||||
|
DM |
L |
L4 |
L3 |
L2 |
L1 |
D1 |
D2 |
D3 |
n×d |
h |
h1 |
h2 |
d |
l |
t |
b | |||||
|
4 |
NGW-L
42 |
25~100 |
按
所
配
電
動
機
確
定 |
62 |
315 |
485 |
385 |
455 |
8×22 |
8 |
25 |
20 |
80 |
130 |
85.0 |
22 |
180 |
11.63 | |||
|
5 |
NGW-L
52 |
25~100 |
72.5 |
355 |
520 |
420 |
470 |
8×22 |
8 |
30 |
25 |
90 |
130 |
95.0 |
25 |
270 |
16.52 | ||||
|
6 |
NGW-L
62 |
25~100 |
100 |
387 |
605 |
505 |
545 |
8×32 |
8 |
30 |
25 |
100 |
165 |
106 |
28 |
350 |
20.84 | ||||
|
7 |
NGW-L
72 |
25~100 |
100 |
416.5 |
670 |
570 |
610 |
8×32 |
10 |
30 |
28 |
110 |
165 |
116 |
28 |
430 |
29.85 | ||||
|
8 |
NGW-L
82 |
25~100 |
110 |
440.5 |
750 |
630 |
675 |
8×38 |
10 |
35 |
28 |
120 |
165 |
127 |
32 |
550 |
38.5 | ||||
|
9 |
NGW-L
92 |
25~100 |
120 |
477.5 |
830 |
710 |
755 |
8×38 |
10 |
35 |
32 |
130 |
200 |
137 |
32 |
680 |
55.6 | ||||
|
10 |
NGW-L
102 |
25~100 |
135 |
544 |
940 |
810 |
860 |
8×44 |
12 |
40 |
32 |
150 |
200 |
158 |
36 |
990 |
80.59 | ||||
|
11 |
NGW-L
112 |
25~100 |
145 |
598 |
1020 |
890 |
940 |
8×44 |
12 |
40 |
40 |
170 |
240 |
179 |
40 |
1220 |
114.25 | ||||
|
12 |
NGW-L
122 |
25~100 |
165 |
666 |
1150 |
1010 |
1060 |
8×50 |
12 |
45 |
45 |
190 |
280 |
200 |
45 |
1850 |
165.04 | ||||
注:所配電動機型號規格確定后再定DM、L1、L4及L3之尺寸。表中質量不包括電動機質量。
| 頁次:1/1 每頁10條 共8條信息 分頁:[1] |

