Product list產品列表
Customer service在線客服
產品展示
選型參數
功率
Pm
[kW] |
轉速
Na
[r/min] |
轉矩
Ma
[N.m] |
減速比
i |
徑向力
FRa
[N] |
服務系數
fB |
![]() |
質量
[kg] | |
110 |
17
20
23
28
33
35
39
45
53 |
62300
52300
45300
37700
32200
30100
27300
23500
19800 |
88.00
73.96
64.04
53.36
45.50*
42.51
38.57
33.23
27.92 |
136000
139500
141000
141500
140700
140200
139100
137000
134000 |
0.80
0.95
1.10
1.30
1.55
1.65
1.85
2.1
2.5 |
JK 187
JKH 187 |
Y2315S-4
Y2315S-4 |
2460
2400 |
29
35
41
46
52
61
73
86 |
36600
30300
25900
22800
20400
17300
14400
12300 |
51.77
42.89
36.61
32.25
28.77
24.52
20.32
17.34 |
105500
107500
108100
107800
107400
106100
104000
101800 |
0.85
1.05
1.25
1.40
1.55
1.85
2.2
2.6 |
JK 167
JKH 167 |
Y2315S-4
Y2315S-4 |
1880
1840 | |
62
70
81
100
117 |
16900
15100
13000
10600
8950 |
23.95
21.31
18.37
14.92
12.65 |
50800
51900
52700
53100
53000 |
1.05
1.20
1.40
1.70
1.90 |
JK 157
JKF 157
JKA 157
JKAF 157 |
Y2315S-4
Y2315S-4
Y2315S-4
Y2315S-4 |
1490
1560
1450
1510 | |
132 |
20
23
28
33
35
39
45
53
61
74
86 |
62800
54400
45300
38600
36100
32700
28200
23700
20500
17100
14600 |
73.96
64.04
53.36
45.50*
42.51
38.57
33.23
27.92
24.18
20.15
17.18 |
123300
127000
129800
130800
130900
130700
129800
127900
125900
122800
119700 |
0.80
0.90
1.10
1.30
1.40
1.55
1.75
2.1
2.3
2.5
2.8 |
JK 187
JKH 187 |
Y2315M-4
Y2315M-4 |
2560
2500 |
35
41
46
52
61
73
86 |
36400
31100
27400
24400
20800
17200
14700 |
42.89
36.61
32.25
28.77
24.52
20.32
17.34 |
96500
98600
99600
99900
99800
98700
97300 |
0.90
1.05
1.15
1.30
1.55
1.85
2.2 |
JK 167
JKH 167 |
Y2315M-4
Y2315M-4 |
1980
1940 | |
62
70
81
100
117 |
20300
18100
15600
12700
10700 |
23.95
21.31
18.37
14.92
12.65 |
43400
45300
47000
48500
49100 |
0.90
1.00
1.15
1.40
1.60 |
JK 157
JKF 157
JKA 157
JKAF 157 |
Y2315M-4
Y2315M-4
Y2315M-4
Y2315M-4 |
1590
1660
1550
1610 |
注:*-表示本速比是精確的數值。
功率
Pm
[kW] |
轉速
Na
[r/min] |
轉矩
Ma
[N.m] |
減速比
i |
徑向力
FRa
[N] |
服務系數
fB |
![]() |
質量
[kg] | |
160 |
28
33
45
53
61
74
86 |
54900
46800
34200
28700
24900
20700
17700 |
53.36
45.50*
33.23
27.92
24.18
20.15
17.18 |
114900
118100
120500
120100
119100
117200
114900 |
0.90
1.05
1.45
1.75
1.90
2.1
2.3 |
JK 187
JKH 187 |
Y2315L1-4
Y2315L1-4 |
2560
2500 |
41
61
73
86 |
37700
25200
20900
17800 |
36.61
24.52
20.32
17.34 |
86500
91700
92000
91600 |
0.85
1.25
1.55
1.80 |
JK 167
JKH 167 |
Y2315L1-4
Y2315L1-4 |
1980
1940 | |
81
100
117 |
18900
15400
13000 |
18.37
14.92
12.65 |
39800
42600
44100 |
0.95
1.15
1.30 |
JK 157
JKF 157
JKA 157
JKAF 157 |
Y2315L1-4
Y2315L1-4
Y2315L1-4
Y2315L1-4 |
1590
1660
1550
1610 | |
200 |
33
45
53
61
74
86 |
58500
42700
35900
31100
25900
22100 |
45.50*
33.23
27.92
24.18
20.15
17.18 |
100000
107300
109000
109500
109100
108100 |
0.85
1.15
1.40
1.55
1.70
1.85 |
JK 187
JKH 187 |
Y2315L2-4
Y2315L2-4 |
2560
2500 |
61
72
86 |
31500
26100
22300 |
24.52
20.32
17.34 |
80100
82400
83400 |
1.00
1.20
1.45 |
JK 167
JKH 167 |
Y2315L2-4
Y2315L2-4 |
1980
1940 | |
100
117 |
19200
16300 |
14.92
12.65 |
34200
36900 |
0.95
1.05 |
JK 157
JKF 157
JKA 157
JKAF 157 |
Y2315L2-4
Y2315L2-4
Y2315L2-4
Y2315L2-4 |
1590
1660
1550
1610 |
注:*-表示本速比是精確的數值。
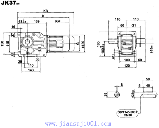
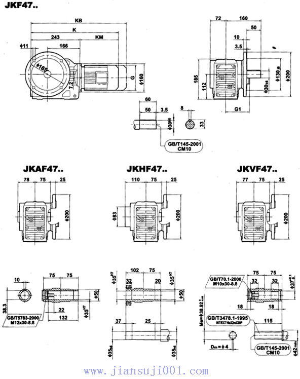
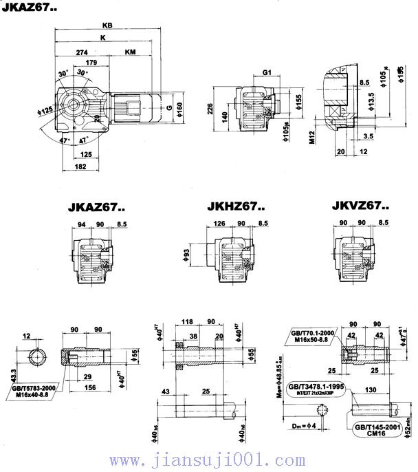
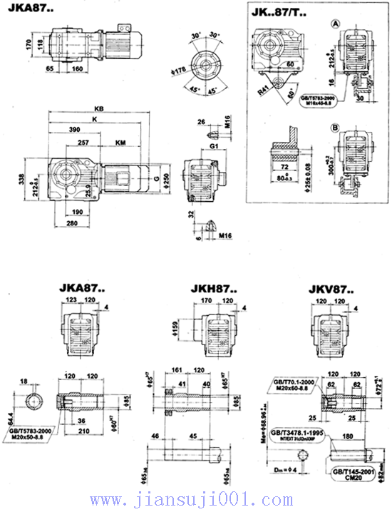
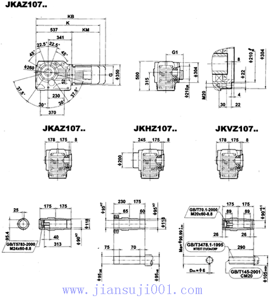
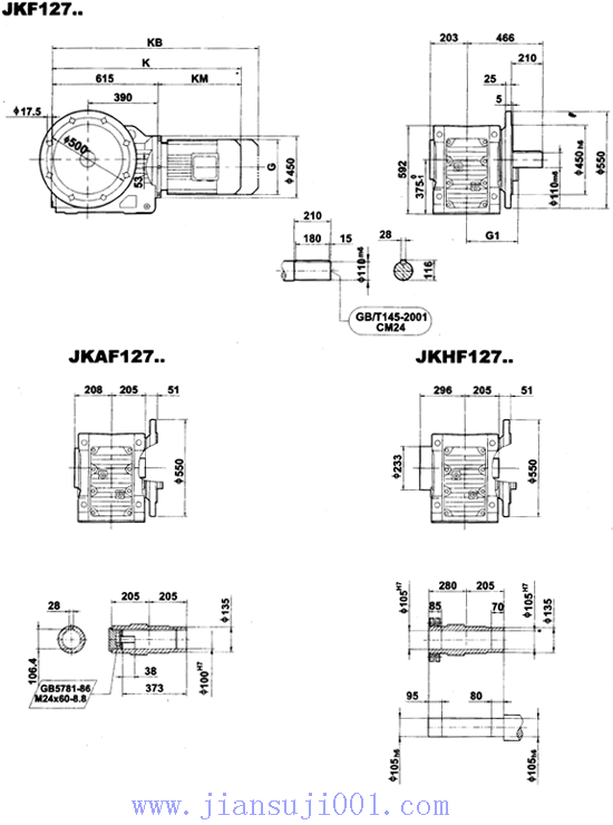
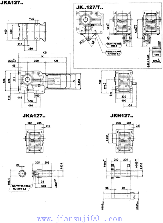
13 外形安裝尺寸

|
Y263 |
Y271 |
Y280 |
Y290S |
Y290L |
Y2100L |
|
|
|
|
|
|
G(AC) |
130 |
145 |
175 |
195 |
195 |
215 |
|
|
|
|
|
|
G1(AD) |
70 |
80 |
145 |
155 |
155 |
180 |
|
|
|
|
|
|
K |
409 |
427 |
457 |
472 |
492 |
527 |
|
|
|
|
|
|
KB |
479 |
497 |
547 |
562 |
587 |
622 |
|
|
|
|
|
|
KM(LB) |
207 |
225 |
255 |
270 |
295 |
325 |
|
|
|
|
|
|
注:1)KB為帶制動器的長度
2)括號內字母為Y2系列電機樣本對應的尺寸字母。

|
Y263 |
Y271 |
Y280 |
Y290S |
Y290L |
Y2100L |
|
|
|
|
|
|
G(AC) |
130 |
145 |
175 |
195 |
195 |
215 |
|
|
|
|
|
|
G1(AD) |
70 |
80 |
145 |
155 |
155 |
180 |
|
|
|
|
|
|
K |
417 |
435 |
465 |
480 |
505 |
535 |
|
|
|
|
|
|
KB |
487 |
505 |
555 |
570 |
595 |
630 |
|
|
|
|
|
|
KM(LB) |
207 |
225 |
255 |
270 |
295 |
325 |
|
|
|
|
|
|
注:1)KB為帶制動器的長度
2)括號內字母為Y2系列電機樣本對應的尺寸字母。

|
Y263 |
Y271 |
Y280 |
Y290S |
Y290L |
Y2100L |
|
|
|
|
|
|
G(AC) |
130 |
145 |
175 |
195 |
195 |
215 |
|
|
|
|
|
|
G1(AD) |
70 |
80 |
145 |
155 |
155 |
180 |
|
|
|
|
|
|
K |
417 |
435 |
465 |
480 |
505 |
535 |
|
|
|
|
|
|
KB |
487 |
505 |
555 |
570 |
595 |
630 |
|
|
|
|
|
|
KM(LB) |
207 |
225 |
255 |
270 |
295 |
325 |
|
|
|
|
|
|
注:1)KB為帶制動器的長度
2)括號內字母為Y2系列電機樣本對應的尺寸字母。

|
Y263 |
Y271 |
Y280 |
Y290S |
Y290L |
Y2100L |
|
|
|
|
|
|
G(AC) |
130 |
145 |
175 |
195 |
195 |
215 |
|
|
|
|
|
|
G1(AD) |
70 |
80 |
145 |
155 |
155 |
180 |
|
|
|
|
|
|
K |
417 |
435 |
465 |
480 |
505 |
535 |
|
|
|
|
|
|
KB |
487 |
505 |
555 |
570 |
595 |
630 |
|
|
|
|
|
|
KM(LB) |
207 |
225 |
255 |
270 |
295 |
325 |
|
|
|
|
|
|
注:1)KB為帶制動器的長度
2)括號內字母為Y2系列電機樣本對應的尺寸字母。
|
Y263 |
Y271 |
Y280 |
Y290S |
Y290L |
Y2100L |
|
|
|
|
|
|
G(AC) |
130 |
145 |
175 |
195 |
195 |
215 |
|
|
|
|
|
|
G1(AD) |
70 |
80 |
145 |
155 |
155 |
180 |
|
|
|
|
|
|
K |
444 |
462 |
492 |
507 |
532 |
562 |
|
|
|
|
|
|
KB |
514 |
532 |
582 |
597 |
622 |
657 |
|
|
|
|
|
|
KM(LB) |
207 |
225 |
255 |
270 |
295 |
325 |
|
|
|
|
|
|
注:1)KB為帶制動器的長度
2)括號內字母為Y2系列電機樣本對應的尺寸字母。

|
Y263 |
Y271 |
Y280 |
Y290S |
Y290L |
Y2100L |
|
|
|
|
|
|
G(AC) |
130 |
145 |
175 |
195 |
195 |
215 |
|
|
|
|
|
|
G1(AD) |
70 |
80 |
145 |
155 |
155 |
180 |
|
|
|
|
|
|
K |
450 |
468 |
498 |
513 |
538 |
568 |
|
|
|
|
|
|
KB |
520 |
538 |
588 |
603 |
628 |
663 |
|
|
|
|
|
|
KM(LB) |
207 |
225 |
255 |
270 |
295 |
325 |
|
|
|
|
|
|
注:1)KB為帶制動器的長度
2)括號內字母為Y2系列電機樣本對應的尺寸字母。

|
Y263 |
Y271 |
Y280 |
Y290S |
Y290L |
Y2100L |
|
|
|
|
|
|
G(AC) |
130 |
145 |
175 |
195 |
195 |
215 |
|
|
|
|
|
|
G1(AD) |
70 |
80 |
145 |
155 |
155 |
180 |
|
|
|
|
|
|
K |
450 |
468 |
498 |
513 |
538 |
568 |
|
|
|
|
|
|
KB |
520 |
538 |
588 |
603 |
628 |
663 |
|
|
|
|
|
|
KM(LB) |
207 |
225 |
255 |
270 |
295 |
325 |
|
|
|
|
|
|
注:1)KB為帶制動器的長度
2)括號內字母為Y2系列電機樣本對應的尺寸字母。

|
Y263 |
Y271 |
Y280 |
Y290S |
Y290L |
Y2100L |
|
|
|
|
|
|
G(AC) |
130 |
145 |
175 |
195 |
195 |
215 |
|
|
|
|
|
|
G1(AD) |
70 |
80 |
145 |
155 |
155 |
180 |
|
|
|
|
|
|
K |
450 |
468 |
498 |
513 |
538 |
568 |
|
|
|
|
|
|
KB |
520 |
538 |
588 |
603 |
628 |
663 |
|
|
|
|
|
|
KM(LB) |
207 |
225 |
255 |
270 |
295 |
325 |
|
|
|
|
|
|
注:1)KB為帶制動器的長度
2)括號內字母為Y2系列電機樣本對應的尺寸字母。
|
Y263 |
Y271 |
Y280 |
Y290S |
Y290L |
Y2100L |
Y2112M |
|
|
|
|
|
G(AC) |
130 |
145 |
175 |
195 |
195 |
215 |
240 |
|
|
|
|
|
G1(AD) |
70 |
80 |
145 |
155 |
155 |
180 |
190 |
|
|
|
|
|
K |
460 |
478 |
508 |
523 |
548 |
578 |
593 |
|
|
|
|
|
KB |
530 |
548 |
598 |
613 |
638 |
673 |
688 |
|
|
|
|
|
KM(LB) |
207 |
225 |
255 |
270 |
295 |
325 |
340 |
|
|
|
|
|
注:1)KB為帶制動器的長度
2)括號內字母為Y2系列電機樣本對應的尺寸字母。

|
Y263 |
Y271 |
Y280 |
Y290S |
Y290L |
Y2100L |
Y2112M |
|
|
|
|
|
G(AC) |
130 |
145 |
175 |
195 |
195 |
215 |
240 |
|
|
|
|
|
G1(AD) |
70 |
80 |
145 |
155 |
155 |
180 |
190 |
|
|
|
|
|
K |
476 |
494 |
524 |
539 |
564 |
594 |
609 |
|
|
|
|
|
KB |
546 |
564 |
614 |
629 |
654 |
689 |
704 |
|
|
|
|
|
KM(LB) |
207 |
225 |
255 |
270 |
295 |
325 |
340 |
|
|
|
|
|
注:1)KB為帶制動器的長度
2)括號內字母為Y2系列電機樣本對應的尺寸字母。

|
Y263 |
Y271 |
Y280 |
Y290S |
Y290L |
Y2100L |
Y2112M |
|
|
|
|
|
G(AC) |
130 |
145 |
175 |
195 |
195 |
215 |
240 |
|
|
|
|
|
G1(AD) |
70 |
80 |
145 |
155 |
155 |
180 |
190 |
|
|
|
|
|
K |
476 |
494 |
524 |
539 |
564 |
594 |
609 |
|
|
|
|
|
KB |
546 |
564 |
614 |
629 |
654 |
689 |
704 |
|
|
|
|
|
KM(LB) |
207 |
225 |
255 |
270 |
295 |
325 |
340 |
|
|
|
|
|
注:1)KB為帶制動器的長度
2)括號內字母為Y2系列電機樣本對應的尺寸字母。

|
Y263 |
Y271 |
Y280 |
Y290S |
Y290L |
Y2100L |
Y2112M |
|
|
|
|
|
G(AC) |
130 |
145 |
175 |
195 |
195 |
215 |
240 |
|
|
|
|
|
G1(AD) |
70 |
80 |
145 |
155 |
155 |
180 |
190 |
|
|
|
|
|
K |
476 |
494 |
524 |
539 |
564 |
594 |
609 |
|
|
|
|
|
KB |
546 |
564 |
614 |
629 |
654 |
689 |
704 |
|
|
|
|
|
KM(LB) |
207 |
225 |
255 |
270 |
295 |
325 |
340 |
|
|
|
|
|
注:1)KB為帶制動器的長度
2)括號內字母為Y2系列電機樣本對應的尺寸字母。
|
Y263 |
Y271 |
Y280 |
Y290S |
Y290L |
Y2100L |
Y2112M |
Y2132S |
Y2132M |
|
|
|
G(AC) |
130 |
145 |
175 |
195 |
195 |
215 |
240 |
275 |
275 |
|
|
|
G1(AD) |
70 |
80 |
145 |
155 |
155 |
180 |
190 |
210 |
210 |
|
|
|
K |
476 |
494 |
524 |
539 |
564 |
594 |
609 |
659 |
699 |
|
|
|
KB |
546 |
564 |
614 |
629 |
654 |
689 |
704 |
754 |
794 |
|
|
|
KM(LB) |
207 |
225 |
255 |
270 |
295 |
325 |
340 |
390 |
430 |
|
|
|
注:1)KB為帶制動器的長度
2)括號內字母為Y2系列電機樣本對應的尺寸字母。

|
Y263 |
Y271 |
Y280 |
Y290S |
Y290L |
Y2100L |
Y2112M |
Y2132S |
Y2132M |
|
|
|
G(AC) |
130 |
145 |
175 |
195 |
195 |
215 |
240 |
275 |
275 |
|
|
|
G1(AD) |
70 |
80 |
145 |
155 |
155 |
18 |
190 |
210 |
210 |
|
|
|
K |
481 |
499 |
529 |
544 |
569 |
599 |
614 |
664 |
704 |
|
|
|
KB |
551 |
569 |
619 |
634 |
659 |
694 |
709 |
759 |
799 |
|
|
|
KM(LB) |
207 |
225 |
255 |
270 |
295 |
325 |
340 |
390 |
430 |
|
|
|
注:1)KB為帶制動器的長度
2)括號內字母為Y2系列電機樣本對應的尺寸字母。

|
Y263 |
Y271 |
Y280 |
Y290S |
Y290L |
Y2100L |
Y2112M |
Y2132S |
Y2132M |
|
|
|
G(AC) |
130 |
145 |
175 |
195 |
195 |
215 |
240 |
275 |
275 |
|
|
|
G1(AD) |
70 |
80 |
145 |
155 |
155 |
180 |
190 |
210 |
210 |
|
|
|
K |
481 |
499 |
529 |
544 |
569 |
599 |
614 |
664 |
704 |
|
|
|
KB |
551 |
569 |
619 |
634 |
659 |
694 |
709 |
759 |
799 |
|
|
|
KM(LB) |
207 |
225 |
255 |
270 |
295 |
325 |
340 |
390 |
430 |
|
|
|
注:1)KB為帶制動器的長度
2)括號內字母為Y2系列電機樣本對應的尺寸字母。

|
Y263 |
Y271 |
Y280 |
Y290S |
Y290L |
Y2100L |
Y2112M |
Y2132S |
Y2132M |
|
|
|
G(AC) |
130 |
145 |
175 |
195 |
195 |
215 |
240 |
275 |
275 |
|
|
|
G1(AD) |
70 |
80 |
145 |
155 |
155 |
180 |
190 |
210 |
210 |
|
|
|
K |
481 |
499 |
529 |
544 |
569 |
599 |
614 |
664 |
704 |
|
|
|
KB |
551 |
569 |
619 |
634 |
659 |
694 |
709 |
759 |
799 |
|
|
|
KM(LB) |
207 |
225 |
255 |
270 |
295 |
325 |
340 |
390 |
430 |
|
|
|
注:1)KB為帶制動器的長度
2)括號內字母為Y2系列電機樣本對應的尺寸字母。
|
Y263 |
Y271 |
Y280 |
Y290S |
Y290L |
Y2100L |
Y2112M |
Y2132S |
Y2132M |
Y2132L |
Y2160M |
|
G(AC) |
130 |
145 |
175 |
195 |
195 |
215 |
240 |
275 |
275 |
275 |
330 |
|
G1(AD) |
70 |
80 |
145 |
155 |
155 |
180 |
190 |
210 |
210 |
210 |
255 |
|
K |
521 |
539 |
569 |
584 |
609 |
639 |
654 |
704 |
744 |
784 |
819 |
|
KB |
591 |
609 |
659 |
674 |
699 |
734 |
749 |
799 |
839 |
879 |
934 |
|
KM(LB) |
207 |
225 |
255 |
270 |
295 |
325 |
340 |
390 |
430 |
470 |
505 |
|
注:1)KB為帶制動器的長度
2)括號內字母為Y2系列電機樣本對應的尺寸字母。

|
Y263 |
Y271 |
Y280 |
Y290S |
Y290L |
Y2100L |
Y2112M |
Y2132S |
Y2132M |
Y2132L |
Y2160M |
|
G(AC) |
130 |
145 |
175 |
195 |
195 |
215 |
240 |
275 |
275 |
275 |
330 |
|
G1(AD) |
70 |
80 |
145 |
155 |
155 |
180 |
190 |
210 |
210 |
210 |
255 |
|
K |
519 |
537 |
567 |
582 |
607 |
637 |
652 |
702 |
742 |
782 |
817 |
|
KB |
589 |
607 |
657 |
672 |
697 |
732 |
747 |
797 |
837 |
877 |
932 |
|
KM(LB) |
207 |
225 |
255 |
270 |
295 |
325 |
340 |
390 |
430 |
470 |
505 |
|
注:1)KB為帶制動器的長度
2)括號內字母為Y2系列電機樣本對應的尺寸字母。

|
Y263 |
Y271 |
Y280 |
Y290S |
Y290L |
Y2100L |
Y2112M |
Y2132S |
Y2132M |
Y2132L |
Y2160M |
|
G(AC) |
130 |
145 |
175 |
195 |
195 |
215 |
240 |
275 |
275 |
275 |
330 |
|
G1(AD) |
70 |
80 |
145 |
155 |
155 |
180 |
190 |
210 |
210 |
210 |
255 |
|
K |
519 |
537 |
567 |
582 |
607 |
637 |
652 |
702 |
742 |
782 |
817 |
|
KB |
589 |
607 |
657 |
672 |
697 |
732 |
747 |
797 |
837 |
877 |
932 |
|
KM(LB) |
207 |
225 |
255 |
270 |
295 |
325 |
340 |
390 |
430 |
470 |
505 |
|
注:1)KB為帶制動器的長度
2)括號內字母為Y2系列電機樣本對應的尺寸字母。

|
Y263 |
Y271 |
Y280 |
Y290S |
Y290L |
Y2100L |
Y2112M |
Y2132S |
Y2132M |
Y2132L |
Y2160M |
|
G(AC) |
130 |
145 |
175 |
195 |
195 |
215 |
240 |
275 |
275 |
275 |
330 |
|
G1(AD) |
70 |
80 |
145 |
155 |
155 |
180 |
190 |
210 |
210 |
210 |
255 |
|
K |
519 |
537 |
567 |
582 |
607 |
637 |
652 |
702 |
742 |
782 |
817 |
|
KB |
589 |
607 |
657 |
672 |
697 |
732 |
747 |
797 |
837 |
877 |
932 |
|
KM(LB) |
207 |
225 |
255 |
270 |
295 |
325 |
340 |
390 |
430 |
470 |
505 |
|
注:1)KB為帶制動器的長度
2)括號內字母為Y2系列電機樣本對應的尺寸字母。
|
Y280 |
Y290S |
Y290L |
Y2100L |
Y2112M |
Y2132S |
Y2132M |
Y2132L |
Y2160M |
Y2160L |
Y2180M |
Y2180L |
G(AC) |
175 |
195 |
195 |
215 |
240 |
275 |
275 |
275 |
330 |
330 |
380 |
380 |
G1(AD) |
145 |
155 |
155 |
180 |
190 |
210 |
210 |
210 |
255 |
255 |
280 |
280 |
K |
644 |
659 |
684 |
714 |
729 |
779 |
819 |
859 |
894 |
949 |
979 |
1019 |
KB |
734 |
749 |
774 |
809 |
824 |
874 |
914 |
954 |
1009 |
1064 |
1104 |
1144 |
KM(LB) |
255 |
270 |
295 |
325 |
340 |
390 |
430 |
470 |
505 |
560 |
590 |
630 |
注:1)KB為帶制動器的長度
2)括號內字母為Y2系列電機樣本對應的尺寸字母。

|
Y280 |
Y290S |
Y290L |
Y2100L |
Y2112M |
Y2132S |
Y2132M |
Y2132L |
Y2160M |
Y2160L |
Y2180M |
Y2180L |
G(AC) |
175 |
195 |
195 |
215 |
240 |
275 |
275 |
275 |
330 |
330 |
380 |
380 |
G1(AD) |
145 |
155 |
155 |
180 |
190 |
210 |
210 |
210 |
255 |
255 |
280 |
280 |
K |
645 |
660 |
685 |
715 |
730 |
780 |
820 |
860 |
895 |
950 |
980 |
1020 |
KB |
735 |
750 |
775 |
810 |
825 |
875 |
915 |
855 |
1010 |
1065 |
1105 |
1145 |
KM(LB) |
255 |
270 |
295 |
325 |
340 |
390 |
430 |
470 |
505 |
560 |
590 |
630 |
注:1)KB為帶制動器的長度
2)括號內字母為Y2系列電機樣本對應的尺寸字母。

|
Y280 |
Y290S |
Y290L |
Y2100L |
Y2112M |
Y2132S |
Y2132M |
Y2132L |
Y2160M |
Y2160L |
Y2180M |
Y2180L |
G(AC) |
175 |
195 |
195 |
215 |
240 |
275 |
275 |
275 |
330 |
330 |
380 |
380 |
G1(AD) |
145 |
155 |
155 |
180 |
190 |
210 |
210 |
210 |
255 |
255 |
280 |
280 |
K |
645 |
660 |
685 |
715 |
730 |
780 |
820 |
860 |
895 |
950 |
980 |
1020 |
KB |
735 |
750 |
775 |
810 |
825 |
875 |
915 |
955 |
1010 |
1065 |
1105 |
1145 |
KM(LB) |
255 |
270 |
295 |
325 |
340 |
390 |
430 |
470 |
505 |
560 |
590 |
630 |
注:1)KB為帶制動器的長度
2)括號內字母為Y2系列電機樣本對應的尺寸字母。

|
Y280 |
Y290S |
Y290L |
Y2100L |
Y2112M |
Y2132S |
Y2132M |
Y2132L |
Y2160M |
Y2160L |
Y2180M |
Y2180L |
G(AC) |
175 |
195 |
195 |
215 |
240 |
275 |
275 |
275 |
330 |
330 |
380 |
380 |
G1(AD) |
145 |
155 |
155 |
180 |
190 |
210 |
210 |
210 |
255 |
255 |
280 |
280 |
K |
645 |
660 |
685 |
715 |
730 |
780 |
820 |
860 |
895 |
950 |
980 |
1020 |
KB |
735 |
750 |
775 |
810 |
825 |
875 |
915 |
955 |
1010 |
1065 |
1105 |
1145 |
KM(LB) |
255 |
270 |
295 |
325 |
340 |
390 |
430 |
470 |
505 |
560 |
590 |
630 |
注:1)KB為帶制動器的長度
2)括號內字母為Y2系列電機樣本對應的尺寸字母。
|
Y290S |
Y290L |
Y2100L |
Y2112M |
Y2132S |
Y2132M |
Y2132L |
Y2160M |
Y2160L |
Y2180M |
Y2180L |
Y2200L |
G(AC) |
195 |
195 |
215 |
240 |
275 |
275 |
275 |
330 |
330 |
380 |
380 |
420 |
G1(AD) |
155 |
155 |
180 |
190 |
210 |
210 |
210 |
255 |
255 |
280 |
280 |
305 |
K |
707 |
732 |
762 |
777 |
827 |
867 |
907 |
942 |
997 |
1027 |
1067 |
1097 |
KB |
797 |
822 |
857 |
872 |
922 |
962 |
1002 |
1057 |
1112 |
1152 |
1192 |
1222 |
KM(LB) |
270 |
295 |
325 |
340 |
390 |
430 |
470 |
505 |
560 |
590 |
630 |
660 |
注:1)KB為帶制動器的長度
2)括號內字母為Y2系列電機樣本對應的尺寸字母。

|
Y290S |
Y290L |
Y2100L |
Y2112M |
Y2132S |
Y2132M |
Y2132L |
Y2160M |
Y2160L |
Y2180M |
Y2180L |
Y2200L |
G(AC) |
195 |
195 |
215 |
240 |
275 |
275 |
275 |
330 |
330 |
380 |
380 |
420 |
G1(AD) |
155 |
155 |
180 |
190 |
210 |
210 |
210 |
255 |
255 |
280 |
280 |
305 |
K |
705 |
730 |
760 |
775 |
825 |
865 |
905 |
940 |
995 |
1025 |
1065 |
1095 |
KB |
795 |
820 |
855 |
870 |
920 |
960 |
1000 |
1055 |
1110 |
1150 |
1190 |
1220 |
KM(LB) |
270 |
295 |
325 |
340 |
390 |
430 |
470 |
505 |
560 |
590 |
630 |
660 |
注:1)KB為帶制動器的長度
2)括號內字母為Y2系列電機樣本對應的尺寸字母。

|
Y290S |
Y290L |
Y2100L |
Y2112M |
Y2132S |
Y2132M |
Y2132L |
Y2160M |
Y2160L |
Y2180M |
Y2180L |
Y2200L |
G(AC) |
195 |
195 |
215 |
240 |
275 |
275 |
275 |
330 |
330 |
380 |
380 |
420 |
G1(AD) |
155 |
155 |
180 |
190 |
210 |
210 |
210 |
255 |
255 |
280 |
280 |
305 |
K |
705 |
730 |
760 |
775 |
825 |
865 |
905 |
940 |
995 |
1025 |
1065 |
1095 |
KB |
795 |
820 |
855 |
870 |
920 |
960 |
1000 |
1055 |
1110 |
1150 |
1190 |
1220 |
KM(LB) |
270 |
295 |
325 |
340 |
390 |
430 |
470 |
505 |
560 |
590 |
630 |
660 |
注:1)KB為帶制動器的長度
2)括號內字母為Y2系列電機樣本對應的尺寸字母。

|
Y290S |
Y290L |
Y2100L |
Y2112M |
Y2132S |
Y2132M |
Y2132L |
Y2160M |
Y2160L |
Y2180M |
Y2180L |
Y2200L |
G(AC) |
195 |
195 |
215 |
240 |
275 |
275 |
275 |
330 |
330 |
380 |
380 |
420 |
G1(AD) |
155 |
155 |
180 |
190 |
210 |
210 |
210 |
255 |
255 |
280 |
280 |
305 |
K |
705 |
730 |
760 |
775 |
825 |
865 |
905 |
940 |
995 |
1025 |
1065 |
1095 |
KB |
795 |
820 |
855 |
870 |
920 |
960 |
1000 |
1055 |
1110 |
1150 |
1190 |
1220 |
KM(LB) |
270 |
295 |
325 |
340 |
390 |
430 |
470 |
505 |
560 |
590 |
630 |
660 |
注:1)KB為帶制動器的長度
2)括號內字母為Y2系列電機樣本對應的尺寸字母。
|
Y2100L |
Y2112M |
Y2132S |
Y2132M |
Y2132L |
Y2160M |
Y2160L |
Y2180M |
Y2180L |
Y2200L |
Y2225S |
Y2225M |
G(AC) |
215 |
240 |
275 |
275 |
275 |
330 |
330 |
380 |
.80 |
420 |
470 |
470 |
G1(AD) |
180 |
190 |
210 |
210 |
210 |
255 |
255 |
280 |
280 |
305 |
335 |
335 |
K |
866 |
881 |
931 |
971 |
1011 |
1046 |
1101 |
1131 |
1171 |
1201 |
1216 |
1246 |
KB |
961 |
976 |
1026 |
1066 |
1106 |
1161 |
1216 |
1256 |
1296 |
1326 |
1346 |
1376 |
KM(LB) |
325 |
340 |
390 |
430 |
470 |
505 |
560 |
590 |
630 |
660 |
675 |
705 |
注:1)KB為帶制動器的長度
2)括號內字母為Y2系列電機樣本對應的尺寸字母。

|
Y2100L |
Y2112M |
Y2132S |
Y2132M |
Y2132L |
Y2160M |
Y2160L |
Y2180M |
Y2180L |
Y2200L |
Y2225S |
Y2225M |
G(AC) |
215 |
240 |
275 |
275 |
275 |
330 |
330 |
380 |
380 |
420 |
470 |
470 |
G1(AD) |
180 |
190 |
210 |
210 |
210 |
255 |
255 |
280 |
280 |
305 |
335 |
335 |
K |
862 |
877 |
927 |
967 |
1007 |
1042 |
1097 |
1127 |
1167 |
1197 |
1212 |
1242 |
KB |
957 |
972 |
1022 |
1062 |
1102 |
1157 |
1212 |
1252 |
1292 |
1322 |
1342 |
1372 |
KM(LB) |
325 |
340 |
390 |
430 |
470 |
505 |
560 |
590 |
630 |
660 |
675 |
705 |
注:1)KB為帶制動器的長度
2)括號內字母為Y2系列電機樣本對應的尺寸字母。

|
Y2100L |
Y2112M |
Y2132S |
Y2132M |
Y2132L |
Y2160M |
Y2160L |
Y2180M |
Y2180L |
Y2200L |
Y2225S |
Y2225M |
G(AC) |
215 |
240 |
275 |
275 |
275 |
330 |
330 |
380 |
380 |
420 |
470 |
470 |
G1(AD) |
180 |
190 |
210 |
210 |
210 |
255 |
255 |
280 |
280 |
305 |
335 |
335 |
K |
862 |
877 |
927 |
967 |
1007 |
1042 |
1097 |
1127 |
1167 |
1197 |
1212 |
1242 |
KB |
957 |
972 |
1022 |
1062 |
1102 |
1157 |
1212 |
1252 |
1292 |
1322 |
1342 |
1372 |
KM(LB) |
325 |
340 |
390 |
430 |
470 |
505 |
560 |
590 |
630 |
660 |
675 |
705 |
注:1)KB為帶制動器的長度
2)括號內字母為Y2系列電機樣本對應的尺寸字母。

|
Y2100L |
Y2112M |
Y2132S |
Y2132M |
Y2132L |
Y2160M |
Y2160L |
Y2180M |
Y2180L |
Y2200L |
Y2225S |
Y2225M |
G(AC) |
215 |
240 |
275 |
275 |
275 |
330 |
330 |
380 |
380 |
420 |
470 |
470 |
G1(AD) |
180 |
190 |
210 |
210 |
210 |
255 |
255 |
280 |
280 |
305 |
335 |
335 |
K |
862 |
877 |
927 |
967 |
1007 |
1042 |
1097 |
1127 |
1167 |
1197 |
1212 |
1242 |
KB |
957 |
972 |
1022 |
1062 |
1102 |
1157 |
1212 |
1252 |
1292 |
1322 |
1342 |
1372 |
KM(LB) |
325 |
340 |
390 |
430 |
470 |
505 |
560 |
590 |
630 |
660 |
675 |
705 |
注:1)KB為帶制動器的長度
2)括號內字母為Y2系列電機樣本對應的尺寸字母。
|
Y2132M |
Y2132L |
Y2160M |
Y2160L |
Y2180M |
Y2180L |
Y2200L |
Y2225S |
Y2225M |
Y2250M |
Y2280S |
Y2280M |
G(AC) |
275 |
275 |
330 |
330 |
380 |
380 |
420 |
470 |
470 |
510 |
580 |
580 |
G1(AD) |
210 |
210 |
255 |
255 |
280 |
280 |
305 |
335 |
335 |
370 |
410 |
410 |
K |
1045 |
1085 |
1120 |
1175 |
1205 |
1245 |
1275 |
1290 |
1320 |
1385 |
1460 |
1510 |
KB |
1140 |
1180 |
1235 |
1290 |
1330 |
1370 |
1400 |
1420 |
1450 |
1535 |
1610 |
1660 |
KM(LB) |
430 |
470 |
505 |
560 |
590 |
630 |
660 |
675 |
705 |
770 |
845 |
895 |
注:1)KB為帶制動器的長度
2)括號內字母為Y2系列電機樣本對應的尺寸字母。

|
Y2132M |
Y2132L |
Y2160M |
Y2160L |
Y2180M |
Y2180L |
Y2200L |
Y2225S |
Y2225M |
Y2250M |
Y2280S |
Y2280M |
G(AC) |
275 |
275 |
330 |
330 |
380 |
380 |
420 |
470 |
470 |
510 |
580 |
580 |
G1(AD) |
210 |
210 |
255 |
255 |
280 |
280 |
305 |
335 |
335 |
370 |
410 |
410 |
K |
1045 |
1085 |
1120 |
1175 |
1205 |
1245 |
1275 |
1290 |
1320 |
1385 |
1460 |
1510 |
KB |
1140 |
1180 |
1235 |
1290 |
1330 |
1370 |
1400 |
1420 |
1450 |
1535 |
1610 |
1660 |
KM(LB) |
430 |
470 |
505 |
560 |
590 |
630 |
660 |
675 |
705 |
770 |
845 |
895 |
注:1)KB為帶制動器的長度
2)括號內字母為Y2系列電機樣本對應的尺寸字母。

|
Y2132M |
Y2132L |
Y2160M |
Y2160L |
Y2180M |
Y2180L |
Y2200L |
Y2225S |
Y2225M |
Y2250M |
Y2280S |
Y2280M |
G(AC) |
275 |
275 |
330 |
330 |
380 |
380 |
420 |
470 |
470 |
510 |
580 |
580 |
G1(AD) |
210 |
210 |
255 |
255 |
280 |
280 |
305 |
335 |
335 |
370 |
410 |
410 |
K |
1045 |
1085 |
1120 |
1175 |
1205 |
1245 |
1275 |
1290 |
1320 |
1385 |
1460 |
1510 |
KB |
1140 |
1180 |
1235 |
1290 |
1330 |
1370 |
1400 |
1420 |
1450 |
1535 |
1610 |
1660 |
KM(LB) |
430 |
470 |
505 |
560 |
590 |
630 |
660 |
675 |
705 |
770 |
845 |
895 |
注:1)KB為帶制動器的長度
2)括號內字母為Y2系列電機樣本對應的尺寸字母。

|
Y2132M |
Y2132L |
Y2160M |
Y2160L |
Y2180M |
Y2180L |
Y2200L |
Y2225S |
Y2225M |
Y2250M |
Y2280S |
Y2280M |
G(AC) |
275 |
275 |
330 |
330 |
380 |
380 |
420 |
470 |
470 |
510 |
580 |
580 |
G1(AD) |
210 |
210 |
255 |
255 |
280 |
280 |
305 |
335 |
335 |
370 |
410 |
410 |
K |
1045 |
1085 |
1120 |
1175 |
1205 |
1245 |
1275 |
1290 |
1320 |
1385 |
1460 |
1510 |
KB |
1140 |
1180 |
1235 |
1290 |
1330 |
1370 |
1400 |
1420 |
1450 |
1535 |
1610 |
1660 |
KM(LB) |
430 |
470 |
505 |
560 |
590 |
630 |
660 |
675 |
705 |
770 |
845 |
895 |
注:1)KB為帶制動器的長度
2)括號內字母為Y2系列電機樣本對應的尺寸字母。
頁次:3/4 每頁10條 共35條信息 分頁:[1][2][3][4] |