 |
ZQ250、ZQH250、ZQSH250、ZQ350、ZQH350、ZQSH350、ZQ400、ZQH400、ZQSH400、ZQ500、ZQH500、ZQSH500、ZQ650、ZQH650、ZQSH650、ZQ850、ZQH850、ZQSH850、ZQ1000、ZQH1000、ZQSH1000系列齒輪減速機軸端尺寸(Z型) |
 |
| |
詳細介紹: |
發布時間:2006/4/22 13:33:31 |
|
| |
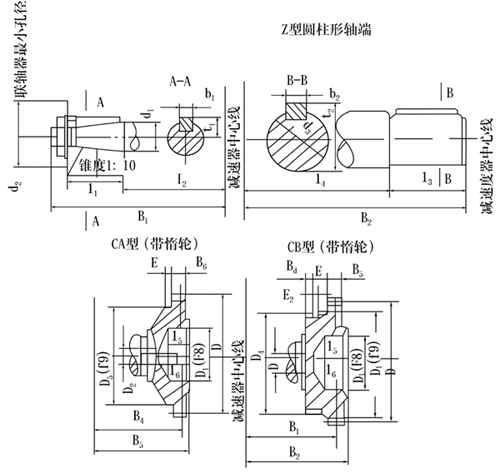
ZQ、ZQH、ZQSH系列齒輪減速機軸端尺寸(Z型)

|
型號 |
高 速 軸 端 |
低 速 軸 端 |
|
Z型 |
|
d1 |
l1 |
l2 |
B1 |
d2 |
d1 |
t1 |
d3 |
l3 |
l4 |
B2 |
b2 |
t2 |
|
ZQ
ZQH
ZQSH |
250 |
30 |
60 |
120 |
200 |
55 |
8 |
16.5 |
55 |
85 |
135 |
220 |
16 |
58.5 |
|
350 |
40 |
85 |
150 |
260 |
75 |
12 |
21.5 |
55
(65) |
85
(105) |
165 |
250
(270) |
16
(18) |
58.5
(68..9) |
|
400 |
40 |
85 |
160 |
270 |
75 |
12 |
21.5 |
80
(95) |
125 |
175 |
300 |
24
(28) |
85
(100.7) |
|
500 |
50 |
85 |
220 |
330 |
85 |
16 |
28 |
80 |
125 |
200 |
325 |
24 |
85 |
|
(95) |
(145) |
(205) |
(350) |
(28) |
(100.7) |
|
650 |
60 |
110 |
290 |
430 |
110 |
18 |
32.5 |
110
(125) |
165 |
205 |
430 |
32
(36) |
116.5
(132.2) |
|
750 |
60 |
110 |
310 |
450 |
110 |
18 |
32.5 |
110 |
165 |
285 |
450 |
32 |
116.5 |
|
850 |
90 |
135 |
340 |
510 |
150 |
24 |
49 |
130 |
200 |
325 |
525 |
36 |
137.2 |
|
1000 |
90 |
135 |
350 |
550 |
150 |
24 |
49 |
150 |
240 |
365 |
605 |
40 |
158.5 |
|
型號 |
高 速 軸 端 |
低 速 軸 端 |
|
CA CB型 |
|
d1 |
l1 |
l2 |
B1 |
d2 |
d1 |
t1 |
m |
Z |
D |
D1 |
D2 |
D3 |
B3 |
B4 |
B5 |
E |
l5 |
l6 |
md |
Zd1 |
Dd |
Bd |
E1 |
E2 |
|
ZQ
ZQH
ZQSH |
250 |
30 |
60 |
120 |
200 |
55 |
8 |
16.5 |
3 |
40 |
120 |
65 |
40 |
100 |
164.5 |
154.5 |
20 |
24.5 |
35 |
40 |
- |
- |
- |
- |
- |
- |
|
350 |
40 |
85 |
150 |
260 |
75 |
12 |
21.5 |
3 |
48 |
144 |
90 |
40 |
110 |
214 |
189.5 |
25 |
27 |
45 |
60 |
- |
- |
- |
- |
- |
- |
|
400 |
40 |
85 |
160 |
270 |
75 |
12 |
21.5 |
3 |
56 |
168 |
90 |
40 |
140 |
234 |
207.5 |
25 |
35 |
45 |
60 |
- |
- |
- |
- |
- |
- |
|
500 |
50 |
85 |
220 |
330 |
85 |
16 |
28 |
4 |
56 |
224 |
120 |
40 |
170 |
270 |
238.5 |
35 |
25 |
50 |
75 |
4 |
40 |
160 |
15 |
26 |
16 |
|
650 |
60 |
110 |
290 |
430 |
110 |
18 |
32.5 |
6 |
56 |
336 |
170 |
45 |
260 |
342 |
310 |
40 |
32 |
68 |
95 |
4 |
69 |
276 |
15 |
35 |
35 |
|
750 |
60 |
110 |
310 |
450 |
110 |
18 |
32.5 |
6 |
56 |
336 |
170 |
45 |
260 |
362 |
330 |
40 |
32 |
68 |
95 |
- |
- |
- |
- |
- |
- |
|
850 |
90 |
135 |
340 |
510 |
150 |
24 |
49 |
8 |
54 |
432 |
200 |
105 |
260 |
403 |
363 |
50 |
22 |
78 |
100 |
4 |
63 |
252 |
14 |
30 |
22 |
|
1000 |
90 |
135 |
350 |
550 |
150 |
24 |
49 |
10 |
48 |
480 |
200 |
105 |
320 |
507 |
442 |
60 |
45 |
98 |
126 |
- |
- |
- |
- |
- |
- | |
|
|