 |
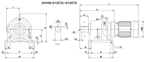
ADC系列擺線減速機尺寸圖表AHHM-9135~9185TA |
 |
| |
詳細介紹: |
發布時間:2006/6/5 12:07:02 |
|
| |
ADC系列擺線減速機尺寸圖表AHHM-9135~9185TA

|
AHHM-9135~9185TA 尺寸圖表 |
|
AHHM |
A |
C |
DC |
E |
F |
G |
M |
N |
P |
Q |
R |
V |
d |
輸出軸尺寸 |
|
d1 |
L1 |
b1 |
h1 |
t1 |
S1 |
m1 |
|
9135TA |
294 |
150 |
230 |
145 |
290 |
100 |
199 |
334 |
27 |
22 |
23 |
66 |
18 |
50 |
70 |
14 |
9 |
5.5 |
M10 |
18 |
|
9135TB |
303 |
150 |
230 |
145 |
290 |
100 |
199 |
334 |
27 |
22 |
23 |
66 |
18 |
50 |
70 |
14 |
9 |
5.5 |
M10 |
18 |
|
9135TC |
317 |
150 |
230 |
145 |
290 |
100 |
199 |
334 |
27 |
22 |
23 |
66 |
18 |
50 |
70 |
14 |
9 |
5.5 |
M10 |
18 |
|
9145TA |
314 |
150 |
230 |
145 |
290 |
120 |
199 |
334 |
27 |
22 |
23 |
66 |
18 |
50 |
90 |
14 |
9 |
5.5 |
M10 |
18 |
|
9145TB |
323 |
150 |
230 |
145 |
290 |
120 |
199 |
334 |
27 |
22 |
23 |
66 |
18 |
50 |
90 |
14 |
9 |
5.5 |
M10 |
18 |
|
9145TC |
337 |
150 |
230 |
145 |
290 |
120 |
199 |
334 |
27 |
22 |
23 |
66 |
18 |
50 |
90 |
14 |
9 |
5.5 |
M10 |
18 |
|
9165TA |
373 |
160 |
300 |
150 |
370 |
139 |
242 |
414 |
46 |
22 |
23 |
76 |
18 |
60 |
90 |
18 |
11 |
7 |
M10 |
18 |
|
9165TB |
387 |
160 |
300 |
150 |
370 |
139 |
242 |
414 |
46 |
22 |
25 |
76 |
18 |
60 |
90 |
18 |
11 |
7 |
M10 |
18 |
|
9175TA |
418 |
200 |
340 |
275 |
380 |
125 |
337 |
432 |
31 |
26 |
31 |
81 |
22 |
70 |
90 |
20 |
12 |
7.5 |
M12 |
24 |
|
9175TB |
432 |
200 |
340 |
275 |
380 |
125 |
337 |
432 |
31 |
26 |
31 |
81 |
22 |
70 |
90 |
20 |
12 |
7.5 |
M12 |
24 |
|
9185TA |
474 |
220 |
370 |
320 |
420 |
145 |
382 |
472 |
31 |
26 |
31 |
86 |
22 |
80 |
110 |
22 |
14 |
9 |
M12 |
24 |
|
型號 |
電機 |
L |
J |
DM |
H |
W(KG) |
|
KW |
HP |
極數 |
|
AHHM02-9135TA-Ratio |
0.2 |
1/4 |
4 |
513 |
122 |
144 |
300 |
50 |
|
AHHM05-9135TA-Ratio |
0.4 |
1/2 |
4 |
535 |
133 |
162 |
300 |
55 |
|
AHHM02-9135TB-Ratio |
0.2 |
1/4 |
4 |
523 |
122 |
144 |
300 |
54 |
|
AHHM05-9135TB-Ratio |
0.4 |
1/2 |
4 |
535 |
133 |
162 |
300 |
58 |
|
AHHM1-9135TB-Ratio |
0.75 |
1 |
4 |
544 |
138 |
177 |
300 |
60 |
|
AHHM05-9135TC-Ratio |
0.4 |
1/2 |
4 |
558 |
133 |
162 |
300 |
60 |
|
AHHM1-9135TC-Ratio |
0.75 |
1 |
4 |
558 |
138 |
177 |
300 |
62 |
|
AHHM2-9135TC-Ratio |
1.5 |
2 |
4 |
595 |
150 |
200 |
300 |
70 |
|
AHHM3-9135TC-Ratio |
2.2 |
3 |
4 |
620 |
174 |
219 |
300 |
83 |
|
AHHM02-9145TA-Ratio |
0.2 |
1/4 |
4 |
533 |
122 |
144 |
300 |
50 |
|
AHHM05-9145TA-Ratio |
0.4 |
1/2 |
4 |
555 |
133 |
162 |
300 |
55 |
|
AHHM02-9145TB-Ratio |
0.2 |
1/4 |
4 |
542 |
122 |
144 |
300 |
54 |
|
AHHM05-9145TB-Ratio |
0.4 |
1/2 |
4 |
565 |
133 |
162 |
300 |
58 |
|
AHHM1-9145TB-Ratio |
0.75 |
1 |
4 |
565 |
138 |
177 |
300 |
60 |
|
AHHM05-9145TC-Ratio |
0.4 |
1/2 |
4 |
578 |
133 |
162 |
300 |
60 |
|
AHHM1-9145TC-Ratio |
0.75 |
1 |
4 |
578 |
138 |
177 |
300 |
62 |
|
AHHM2-9145TC-Ratio |
1.5 |
2 |
4 |
615 |
150 |
200 |
300 |
70 |
|
AHHM3-9145TC-Ratio |
2.2 |
3 |
4 |
640 |
174 |
219 |
300 |
83 |
|
AHHM02-9165TA-Ratio |
0.2 |
1/4 |
4 |
594 |
122 |
144 |
349 |
95 |
|
AHHM05-9165TA-Ratio |
0.4 |
1/2 |
4 |
615 |
133 |
162 |
349 |
99 |
|
AHHM1-9165TA-Ratio |
0.75 |
1 |
4 |
615 |
138 |
177 |
349 |
102 |
|
AHHM05-9165TB-Ratio |
0.4 |
1/2 |
4 |
628 |
133 |
162 |
349 |
100 |
|
AHHM1-9165TB-Ratio |
0.75 |
1 |
4 |
628 |
138 |
177 |
349 |
104 |
|
AHHM2-9165TB-Ratio |
1.5 |
2 |
4 |
665 |
150 |
200 |
349 |
113 |
|
AHHM3-9165TB-Ratio |
2.2 |
3 |
4 |
692 |
174 |
219 |
349 |
125 |
|
AHHM02-9175TA-Ratio |
0.2 |
1/4 |
4 |
638 |
122 |
144 |
416 |
130 |
|
AHHM05-9175TA-Ratio |
0.4 |
1/2 |
4 |
658 |
133 |
162 |
416 |
133 |
|
AHHM1-9175TA-Ratio |
0.75 |
1 |
4 |
658 |
138 |
177 |
416 |
137 |
|
AHHM05-9175TB-Ratio |
0.4 |
1/2 |
4 |
672 |
133 |
162 |
416 |
135 |
|
AHHM1-9175TB-Ratio |
0.75 |
1 |
4 |
672 |
138 |
177 |
416 |
139 | |
|
|