 |
NEMA標準三相異步電動機外形尺寸(143~499T機座) |
 |
|
詳細介紹: |
發布時間:2007/3/26 16:55:43 |
|
|
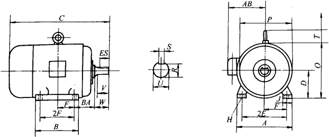
NEMA單軸伸底腳安裝外形尺寸圖

機座
號 |
A
(最大) |
B
(最大) |
C |
D |
E |
F |
H |
J |
O |
P |
R |
S |
T |
U |
V
(最。 |
ES
(最。 |
AB |
BA |
W |
143T |
7.0 |
6.0 |
12.5 |
3.5 |
2.75 |
2.0 |
0.34 |
|
7.7 |
|
0.771 |
0.188 |
— |
0.875 |
2.00 |
1.41 |
6.46 |
2.25 |
2.25 |
145T |
6.0 |
13.5 |
3.5 |
2.75 |
2.5 |
182T |
9.0 |
6.5 |
15.3 |
4.5 |
3.75 |
2.25 |
0.41 |
|
9.0 |
|
0.986 |
0.250 |
1.58 |
1.125 |
2.50 |
1.78 |
7.71 |
2.75 |
2.75 |
184T |
7.5 |
15.9 |
4.5 |
3.75 |
2.75 |
213T |
10.5 |
7.5 |
18.6 |
5.25 |
4.25 |
2.75 |
0.41 |
|
10.5 |
|
1.201 |
0.312 |
1.97 |
1.375 |
3.12 |
2.41 |
9.6 |
3.50 |
3.38 |
215T |
9.0 |
20.1 |
5.25 |
4.25 |
3.5 |
254T |
12.5 |
10.3 |
23.4 |
6.25 |
5.0 |
4.13 |
0.53 |
|
12.8 |
|
1.416 |
0.375 |
2.35 |
1.625 |
3.75 |
2.91 |
10.8 |
4.25 |
4.00 |
256T |
12.5 |
25.1 |
6.25 |
5.0 |
5.0 |
284T |
14.0 |
12.5 |
28 |
7.0 |
5.5 |
4.75 |
0.53 |
2.756 |
14.5 |
14.1 |
1.591 |
0.375 |
2.35 |
1.875 |
4.38 |
3.28 |
12 |
4.75 |
4.62 |
284TS |
12.5 |
26.5 |
4.75 |
1.416 |
0.5 |
1.625 |
3.00 |
1.91 |
3.25 |
286T |
14.0 |
14.0 |
29.5 |
7.0 |
5.5 |
5.5 |
0.53 |
2.756 |
14.5 |
14.1 |
1.591 |
0.375 |
2.35 |
1.875 |
4.38 |
3.28 |
12 |
4.75 |
4.62 |
286TS |
14.0 |
28 |
5.5 |
1.416 |
0.5 |
1.625 |
3.00 |
1.91 |
3.25 |
324T |
16.0 |
14.0 |
30.3 |
8.0 |
6.25 |
5.25 |
0.66 |
2.756 |
16 |
15.63 |
1.845 |
0.5 |
2.5 |
2.125 |
5.00 |
3.91 |
13.6 |
5.25 |
5.25 |
324TS |
28.8 |
1.591 |
1.875 |
3.50 |
2.03 |
3.75 |
326T |
15.5 |
31.8 |
6.0 |
1.845 |
2.125 |
5.00 |
3.91 |
5.25 |
326TS |
30.3 |
1.541 |
1.875 |
3.50 |
2.03 |
3.75 |
364T |
18.0 |
15.2 |
33.15 |
9.0 |
7.0 |
5.625 |
0.66 |
2.953 |
18.25 |
17.56 |
2.021 |
0.625 |
2.5 |
2.375 |
5.62 |
4.28 |
14.6 |
5.88 |
5.88 |
364TS |
32.02 |
1.591 |
0.5 |
1.875 |
3.5 |
2.03 |
3.75 |
365T |
16.2 |
34.15 |
6.125 |
2.021 |
0.625 |
2.375 |
5.62 |
4.28 |
14.6 |
5.88 |
5.88 |
365TS |
32.02 |
0.81 |
1.591 |
0.5 |
1.875 |
3.5 |
2.03 |
3.75 |
404T |
20.0 |
16.2 |
37.0 |
10.0 |
8.0 |
6.125 |
3.15 |
20 |
19 |
2.45 |
0.75 |
2.5 |
2.875 |
7.6 |
5.65 |
17.3 |
6.62 |
7.25 |
404TS |
— |
— |
— |
— |
— |
— |
— |
405T |
17.8 |
38.5 |
6.875 |
2.45 |
0.75 |
2.875 |
7.0 |
5.65 |
17.3 |
6.62 |
7.25 |
405TS |
35.5 |
1.845 |
0.5 |
2.125 |
4.0 |
2.78 |
4.25 |
444T |
22.0 |
18.5 |
42.5 |
11.0 |
9.0 |
7.25 |
3.35 |
21.75 |
21.6 |
2.88 |
0.875 |
2.91 |
3.375 |
8.25 |
6.91 |
18.3 |
7.5 |
8.5 |
444TS |
39 |
2.021 |
0.625 |
2.375 |
4.5 |
3.03 |
18.3 |
7.5 |
4.75 |
445T |
20.5 |
44.5 |
8.25 |
2.88 |
0.875 |
3.375 |
8.25 |
6.91 |
18.3 |
7.5 |
8.5 |
445TS |
41.0 |
2.021 |
0.625 |
2.375 |
4.5 |
3.03 |
18.3 |
7.5 |
4.75 |
447T |
24.0 |
48.0 |
10.0 |
2.88 |
0.875 |
3.375 |
8.25 |
6.91 |
18.3 |
7.5 |
8.5 |
447TS |
44.5 |
2.021 |
0.625 |
2.375 |
4.5 |
3.03 |
18.3 |
7.5 |
4.75 |
449T |
29.0 |
53.0 |
12.5 |
3.15 |
2.88 |
0.875 |
4.25 |
3.375 |
8.25 |
6.91 |
18.3 |
7.5 |
8.5 |
449TS |
49.5 |
2.021 |
0.625 |
2.375 |
4.5 |
3.03 |
18.3 |
7.5 |
4.75 |
447TZ |
24.0 |
49.625 |
10.0 |
3.35 |
2.88 |
0.875 |
2.91 |
3.375 |
9.875 |
8.533 |
18.3 |
7.5 |
10.125 |
449TZ |
29.0 |
54.625 |
12.5 |
3.15 |
4.25 |
①1in=25.4mm,后同。
NEMA(C型)平面安裝有底腳或無底腳外形尺寸圖

機 座 號 |
AJ |
AK |
BA |
最 大
BD |
孔數 |
BF |
螺栓穿透
允許值 |
u |
R |
最小
ES |
S |
143TC、145TC |
5.875 |
4.500 |
2.75 |
6.50 |
4 |
1/1-16 |
8.56 |
0.875 |
0.771 |
1.41 |
0.188 |
182TC、184TC |
7.250 |
8.500 |
3.50 |
9.00 |
4 |
1/2-13 |
0.75 |
0.125 |
0.986 |
1.78 |
0.250 |
182TCH、184TCH |
5.875 |
4.500 |
3.50 |
6.50 |
4 |
3/1-16 |
0.56 |
1.125 |
0.986 |
1.78 |
0.250 |
213TC、215TC |
7.250 |
8.500 |
4.25 |
9.00 |
4 |
1/2-13 |
0.75 |
1.375 |
1.201 |
2.41 |
0.312 |
254TC、256TC |
7.258 |
8.500 |
4.75 |
10.00 |
4 |
1/2-13 |
0.75 |
1.625 |
1.416 |
2.91 |
0.375 |
284TC、286TC |
9.000 |
10.500 |
4.75 |
11.25 |
4 |
1/2-13 |
0.75 |
1.175 |
1.591 |
3.28 |
0.500 |
284TSC、286TSC |
9.000 |
10.500 |
4.75 |
11.25 |
4 |
1/2-13 |
0.75 |
1.625 |
1.416 |
1.91 |
0.375 |
324TC、326TCH |
11.000 |
12.500 |
5.25 |
14.00 |
4 |
1/2-13 |
0.75 |
2.125 |
1.845 |
3.91 |
0.500 |
324TSC、326TSC |
11.000 |
12.500 |
5.25 |
14.00 |
4 |
1/2-13 |
0.75 |
1.875 |
1.591 |
2.03 |
0.500 |
364TC、365TC |
11.000 |
12.500 |
5.88 |
14.00 |
8 |
5/8-11 |
0.94 |
2.375 |
2.021 |
4.28 |
0.625 |
364TSC、365TSC |
11.000 |
12.500 |
5.88 |
14.00 |
8 |
5/8-11 |
0.94 |
1.875 |
1.591 |
2.03 |
0.500 |
404TC、405TC |
11.000 |
12.500 |
6.62 |
15.50 |
8 |
5/8-11 |
0.94 |
2.375 |
2.450 |
5.65 |
0.750 |
404TSC、405TSC |
11.000 |
12.500 |
6.62 |
15.50 |
8 |
5/8-11 |
0.94 |
2.125 |
1.845 |
2.78 |
0.500 |
4444TC、445TC |
14.000 |
16.000 |
7.50 |
18.00 |
8 |
5/8-11 |
0.94 |
3.375 |
2.880 |
6.91 |
0.875 |
444TSC、445TSC |
14.000 |
16.000 |
7.50 |
18.00 |
8 |
5/8-11 |
0.94 |
3.375 |
2.021 |
3.03 |
0.625 |
447TC、449TC |
14.000 |
16.000 |
7.50 |
18.00 |
8 |
5/8-11 |
0.94 |
3.375 |
2.880 |
6.91 |
0.876 |
447TSC、449TSC |
14.000 |
16.000 |
7.50 |
18.00 |
8 |
5/8-11 |
0.94 |
3.375 |
2.021 |
3.03 |
0.625 |
447TZC、449TZC |
14.000 |
16.000 |
7.50 |
10.00 |
8 |
5/8-11 |
0.94 |
3.375 |
2.880 |
8.54 |
0.875 |

機 座 號 |
AJ |
AK |
BA |
最大
BD |
孔數 |
孔徑
BF |
推薦螺
栓長 |
u |
R |
最小
ES |
S |
143TD145TD |
10.00 |
9.000 |
2.75 |
11.00 |
4 |
0.53 |
1.25 |
0.875 |
0.771 |
1.41 |
0.188 |
182TD184TD |
10.00 |
9.000 |
3.50 |
11.00 |
4 |
0.53 |
1.25 |
1.125 |
0.986 |
1.78 |
0.250 |
213TD215TD |
10.00 |
9.000 |
4.25 |
11.00 |
4 |
0.53 |
1.25 |
1.375 |
1.201 |
2.41 |
0.312 |
254TD256TD |
12.50 |
11.000 |
4.75 |
14.00 |
4 |
0.81 |
2.00 |
1.625 |
1.416 |
2.91 |
0.375 |
284TD286TD |
12.50 |
11.000 |
4.75 |
14.00 |
4 |
0.81 |
2.00 |
1.625 |
1.591 |
3.28 |
0.500 |
284TSD286TSD |
12.50 |
11.000 |
4.75 |
14.00 |
4 |
0.81 |
2.00 |
2.125 |
1.416 |
1.91 |
0.375 |
324TD326TD |
16.00 |
14.000 |
5.25 |
18.00 |
4 |
0.81 |
2.00 |
1.875 |
1.845 |
3.91 |
0.500 |
324TSD326TSD |
16.00 |
14.000 |
5.25 |
18.00 |
4 |
0.81 |
2.00 |
2.375 |
1.591 |
2.03 |
0.500 |
364TD365TD |
16.00 |
14.000 |
5.88 |
18.00 |
4 |
0.81 |
2.00 |
1.875 |
2.021 |
4.26 |
0.625 |
364TSD365TSD |
16.00 |
14.000 |
5.88 |
22.00 |
4 |
0.81 |
2.00 |
2.875 |
1.591 |
2.03 |
0.500 |
404TD405TD |
20.00 |
18.000 |
6.62 |
22.00 |
8 |
0.81 |
2.25 |
2.215 |
2.450 |
5.65 |
0.750 |
404TSD405TSD |
20.00 |
18.000 |
6.62 |
22.00 |
8 |
0.81 |
2.25 |
3.375 |
1.845 |
2.78 |
0.500 |
444TD445TD |
20.00 |
18.000 |
7.50 |
22.00 |
8 |
0.81 |
2.25 |
2.375 |
2.880 |
6.91 |
0.875 |
444TSD445TSD |
20.00 |
18.000 |
7.50 |
22.00 |
8 |
0.81 |
2.25 |
3.375 |
2.021 |
3.03 |
0.625 |
447TD449TD |
20.00 |
18.000 |
7.50 |
22.00 |
8 |
0.81 |
2.25 |
3.375 |
2.880 |
6.91 |
0.875 |
447TSD449TSD |
20.00 |
18.000 |
7.50 |
22.00 |
8 |
0.81 |
2.25 |
3.375 |
2.021 |
3.03 |
0.625 |
447TZD449TZD |
20.00 |
18.000 |
7.50 |
22.00 |
8 |
0.81 |
2.25 |
3.375 |
2.880 |
8.54 |
0.875 |
|
|
|