Product list產品列表
Customer service在線客服
產品展示
一JWM型(梯形絲桿型)
低速、低頻率
JWM型(梯形絲桿型)適用于低速、低頻率的場合,主要構成部件為:精密梯形絲桿副與主精度蝸輪蝸桿副。
1經濟:
結構緊湊、操作簡單、保養方便。
2低速、低頻率:
主要用于負荷大、低速與無需頻繁工作的場所。
3保持載重:梯形絲桿具有自動鎖定功能,既使沒有制動裝置也可保持載重。
*在受到較大振動,沖擊載荷時,偶爾會使自鎖功能失靈,此時則須外加制動裝置。
二JWB型(普通滾珠絲桿型)
高速、高頻率
JWB型(普通滾珠絲桿型),適用于高速,高頻率和高性能的裝置中,主要構成部件為精密滾珠絲桿副與高精度蝸輪蝸桿副。
1效率高:用滾動摩擦、提高了整機效率,只須很小的驅動源,就可以產生很大的推動力。
2高速化:與梯形絲桿相比,速度有很大的提高,能輕松而高速地運轉。
3使用壽命長:采用高質量的滾珠絲桿,使其工作壽命提高3倍以上。
注:①本身無自鎖功能,需外加制動裝置或選擇帶有制動的驅動源。
②JWH大螺距滾珠絲桿型另咨詢。
三機器裝配形狀、特點
基本形式(US,DS)

螺母轉動絲桿上下移動,此為普通型升降機裝配
US:押上 DS:吊下
*請根據載荷方向、安裝方向來選擇合適的升降機(押上或吊下)
*絲桿軸在升降時,會產生旋轉力,所以必須做好防止旋轉措施。
止旋構造(UM,DM)

UM:押上 DM:吊下
適用于頂端無連接下運轉或因滑輪而卷拉著繩索等又不能實現防止旋轉的情況
請根據載荷方向、安裝方向來選合適的升降機(UM或DM)
活動螺母構造(UR,DR)

一般情況下,升降機必須具有因絲桿軸的升降而產生的行程和絲桿罩所需的空間,若想在有限的空 間內增長行程時,使用此活動螺母構造非常適應(絲桿軸旋轉,活動螺母移動)。絲桿軸頂端為圓柱形,所以在長行程時,在軸端采用支撐方式,可以得到很好的效果。
UR:押上 DR:吊下
請根據載荷方向,安裝方向來選擇合適的升降機(押上或吊下)
注:選型和型號表示方法中,還需注明螺母的放置方向。
JWM(梯形絲桿類型)基本參數一覽表
型號 |
JWM002 |
JWM005 |
JWM010 |
JWM025 |
JWM050 |
JWM100 |
JWM150 |
JWM200 |
JWM300 |
JWM500 |
JWM750 |
JWM1000 | |
最大載荷kN |
1.96 |
4.90 |
9.80 |
24.5 |
49.0 |
98.0 |
147 |
196 |
294 |
490 |
735 |
980 | |
絲桿外徑mm |
12 |
16 |
20 |
26 |
40 |
50 |
55 |
65 |
85 |
120 |
130 |
150 | |
絲桿底徑mm |
8.8 |
10.8 |
14.8 |
19.7 |
30.5 |
38.4 |
43.4 |
51.3 |
67 |
102 |
112 |
127 | |
絲桿螺距mm |
3 |
4 |
4 |
5 |
8 |
10 |
10 |
12 |
16 |
16 |
16 |
20 | |
減速比 |
H速度 |
5 |
5 |
5 |
6 |
6 |
8 |
8 |
8 |
102/3 |
102/3 |
102/3 |
12 |
L速度 |
20 |
20 |
20 |
24 |
24 |
24 |
24 |
24 |
32 |
32 |
32 |
36 | |
綜合效率% |
H速度 |
26 |
26 |
21 |
21 |
22 |
22 |
20 |
20 |
19 |
15 |
13 |
13 |
L速度 |
15 |
15 |
12 |
12 |
14 |
15 |
14 |
13 |
11 |
10 |
8 |
8 | |
容許輸入最
大功率(kW) |
H速度 |
0.16 |
0.39 |
0.49 |
1.0 |
2.0 |
2.8 |
3.1 |
5.0 |
8.4 |
13.4 |
14.4 |
21.4 |
L速度 |
0.08 |
0.18 |
0.36 |
0.46 |
0.63 |
1.4 |
2.2 |
3.2 |
4.6 |
5.7 |
7.2 |
9.4 | |
空載扭矩(N·m) |
0.11 |
0.11 |
0.29 |
0.62 |
1.4 |
2.0 |
2.6 |
3.9 |
9.8 |
19.6 |
29.4 |
39.2 | |
容許輸入軸扭矩(N·m)* |
9.8 |
9.8 |
19.6 |
49.0 |
153.9 |
292.0 |
292.0 |
292.0 |
735.0 |
1372.0 |
1764.0 |
2450.0 | |
最大載荷時所需輸
軸扭矩(N·m)** |
H速度 |
0.83 |
2.5 |
6.2 |
16.1 |
48.7 |
90.7 |
149.0 |
238.1 |
400.1 |
856.0 |
1380.5 |
2040.9 |
L速度 |
0.42 |
1.1 |
2.9 |
7.4 |
20.0 |
45.3 |
72.3 |
124.0 |
244.0 |
453.3 |
761.3 |
1278.3 | |
輸入軸每回轉一圈絲桿(活動螺母)軸向位移量 |
H速度 |
0.60 |
0.80 |
0.80 |
0.83 |
1.33 |
1.25 |
1.25 |
1.50 |
1.50 |
1.50 |
1.50 |
1.67 |
L速度 |
0.15 |
0.20 |
0.20 |
0.21 |
0.33 |
0.42 |
0.42 |
0.50 |
0.50 |
0.50 |
0.50 |
0.56 | |
最大載荷時容許輸入軸回轉速度 |
H速度 |
1800 |
1500 |
750 |
600 |
400 |
300 |
200 |
200 |
200 |
150 |
100 |
100 |
L速度 |
1800 |
1500 |
1200 |
600 |
300 |
300 |
290 |
250 |
180 |
120 |
90 |
70 | |
最大載荷時絲桿
回轉扭矩(N·m) |
2.6 |
8.6 |
20.1 |
65.1 |
201.5 |
503.6 |
813.2 |
1287.7 |
2531.9 |
5551.3 |
8921.8 |
13878.3 |
*減速機輸入軸的容許扭矩。(連動運轉時請確認)
**包括無負荷空轉扭矩的數值。
JWB(普通滾珠絲桿)基本參數一覽表
型號 |
JWB005 |
JWB010 |
JWB025 |
JWB050 |
JWB100 |
JWB150 |
JWB200 |
JWB300 |
JWB500 | |
最大載荷kN |
4.90 |
9.80 |
24.5 |
49.0 |
98.0 |
147 |
196 |
294 |
490 | |
絲桿外徑mm |
16 |
20 |
25 |
36 |
45 |
50 |
63 |
85 |
100 | |
絲桿底徑mm |
13.5 |
17.5 |
21.4 |
31.3 |
39.1 |
43.1 |
55.7 |
74.8 |
87 | |
絲桿螺距mm |
5 |
5 |
8 |
10 |
12 |
16 |
16 |
20 |
24 | |
減速比 |
H速度 |
5 |
5 |
6 |
6 |
8 |
8 |
8 |
102/3 |
102/3 |
L速度 |
20 |
20 |
24 |
24 |
24 |
24 |
24 |
32 |
32 | |
綜合效率% |
H速度 |
63 |
61 |
62 |
64 |
63 |
63 |
62 |
56 |
60 |
L速度 |
37 |
34 |
35 |
39 |
43 |
43 |
41 |
34 |
38 | |
容許輸入最
大功率(kW) |
H速度 |
0.25 |
0.54 |
1.3 |
2.2 |
3.6 |
4.0 |
5.5 |
8.9 |
13.3 |
L速度 |
0.12 |
0.27 |
0.63 |
1.0 |
1.9 |
2.1 |
2.8 |
4.1 |
6.5 | |
空載扭矩(N·m) |
0.11 |
0.29 |
0.62 |
1.37 |
1.96 |
2.65 |
3.92 |
9.81 |
19.6 | |
保持扭矩
(N·m) |
H速度 |
0.69 |
1.27 |
4.31 |
10.78 |
19.6 |
39.2 |
51.0 |
68.6 |
140.1 |
L速度 |
0.14 |
0.26 |
0.91 |
2.4 |
5.8 |
11.8 |
15.0 |
19.5 |
41.2 | |
容許輸入軸扭矩(N·m)* |
9.8 |
19.6 |
49.0 |
153.9 |
292.0 |
292.0 |
292.0 |
735.0 |
1372.0 | |
最大載荷時所需輸
軸扭矩(N·m)** |
H速度 |
1.3 |
2.8 |
9.0 |
21.5 |
39.1 |
77.0 |
104.5 |
169.6 |
317.5 |
L速度 |
0.62 |
1.4 |
4.3 |
9.6 |
20.4 |
39.6 |
54.2 |
98.5 |
177.9 | |
輸入軸每回轉一圈絲桿
(活動螺母)軸向位移量 |
H速度 |
1 |
1 |
1.33 |
1.67 |
1.5 |
2 |
2 |
1.88 |
2.25 |
L速度 |
0.25 |
0.25 |
0.33 |
0.42 |
0.5 |
0.67 |
0.67 |
0.63 |
0.75 | |
最大載荷時容許
輸入軸回轉速度 |
H速度 |
1500 |
1500 |
1400 |
1000 |
890 |
500 |
500 |
500 |
400 |
L速度 |
1500 |
1500 |
1400 |
1000 |
890 |
500 |
500 |
4000 |
350 | |
最大載荷時絲桿
回轉扭矩(N·m) |
4.3 |
8.7 |
34.7 |
86.7 |
208.2 |
416.3 |
555.1 |
1040.9 |
2081.7 |
*減速機輸入軸的容許扭矩。(連動運轉時請確認)
**包括無負荷空轉扭矩的數值。
L(mm) |
型號 | |||||||||||
002 |
005 |
010 |
025 |
050 |
100 |
150 |
200 |
300 |
500 |
750 |
1000 | |
Fr(N) | ||||||||||||
100 |
83 |
128 |
318 |
570 |
2500 |
4010 |
4610 |
8210 |
38200 |
85300 |
73500 |
186200 |
200 |
42 |
64 |
159 |
290 |
1250 |
2010 |
2300 |
4110 |
23000 |
50400 |
56800 |
145000 |
300 |
28 |
43 |
106 |
190 |
830 |
1340 |
1540 |
2740 |
15300 |
33600 |
46100 |
104700 |
400 |
21 |
32 |
79 |
140 |
620 |
1000 |
1150 |
2050 |
11400 |
25200 |
39300 |
78500 |
500 |
|
27 |
64 |
110 |
500 |
800 |
920 |
1640 |
9100 |
20200 |
33900 |
62800 |
600 |
|
25 |
53 |
100 |
420 |
670 |
770 |
1370 |
7600 |
16800 |
29900 |
52300 |
700 |
|
23 |
51 |
90 |
360 |
570 |
660 |
1170 |
6500 |
14400 |
26700 |
44800 |
800 |
|
21 |
48 |
90 |
310 |
500 |
580 |
1030 |
5700 |
12600 |
24100 |
39200 |
900 |
|
|
45 |
90 |
280 |
450 |
510 |
910 |
5000 |
11200 |
22000 |
34800 |
1000 |
|
|
42 |
90 |
250 |
400 |
460 |
820 |
4500 |
10100 |
20200 |
31300 |
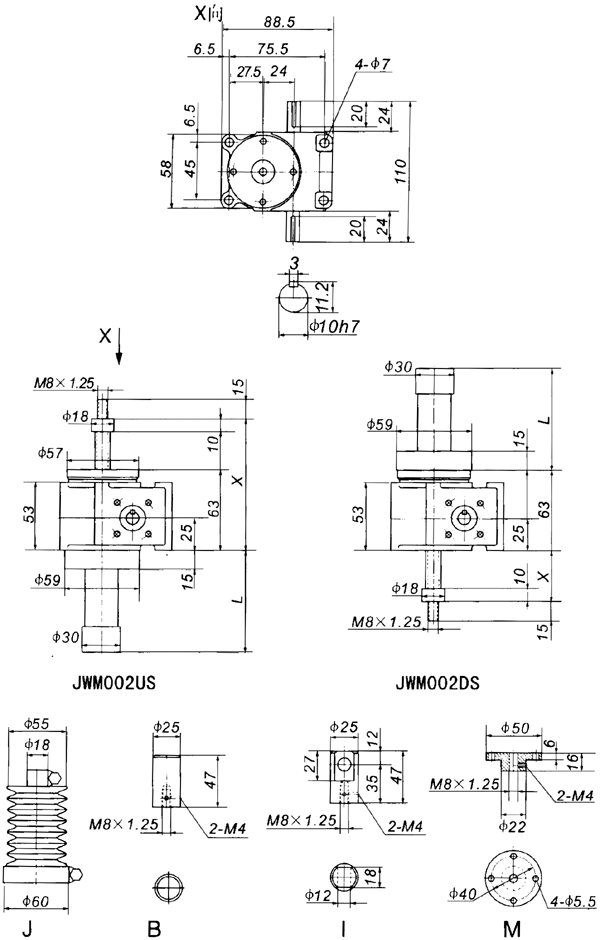
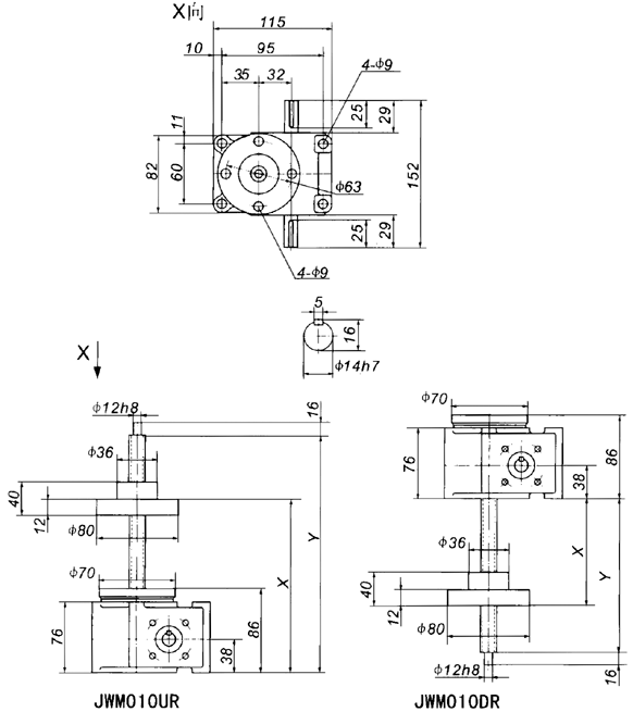
JWM002絲杠升降機外形尺寸
備注:①JWH外形基本相同JWB,選型時另咨詢。
②UM、DM型結構的基本尺寸與US、DS的基本相同,選型時另咨詢。
③X⑴為加防塵罩時尺寸。
JWM002
行程(mm) |
US | |||||
X |
X⑴ |
L |
m(kg) | |||
MIN |
MAX |
MIN |
MAX | |||
100 |
73 |
173 |
127 |
227 |
184 |
2.3 |
200 |
73 |
273 |
127 |
327 |
284 |
2.4 |
300 |
73 |
373 |
167 |
467 |
424 |
2.6 |
400 |
73 |
473 |
167 |
567 |
524 |
2.7 |
行程(mm) |
DS | |||||
X |
X⑴ |
L |
m(kg) | |||
MIN |
MAX |
MIN |
MAX | |||
100 |
20 |
120 |
65 |
165 |
184 |
2.3 |
200 |
20 |
220 |
65 |
265 |
284 |
2.4 |
300 |
20 |
320 |
105 |
405 |
424 |
2.6 |
400 |
20 |
420 |
105 |
505 |
524 |
2.7 |
行程(mm) |
UR | |||
X |
Y |
m(kg) | ||
MIN |
MAX | |||
100 |
84 |
184 |
207 |
2.6 |
200 |
84 |
284 |
307 |
2.6 |
300 |
84 |
384 |
407 |
2.7 |
400 |
84 |
484 |
507 |
2.8 |
行程(mm) |
DR | |||
X |
Y |
m(kg) | ||
MIN |
MAX | |||
100 |
35 |
135 |
145 |
2.6 |
200 |
35 |
235 |
245 |
2.6 |
300 |
35 |
335 |
345 |
2.7 |
400 |
35 |
435 |
445 |
2.8 |
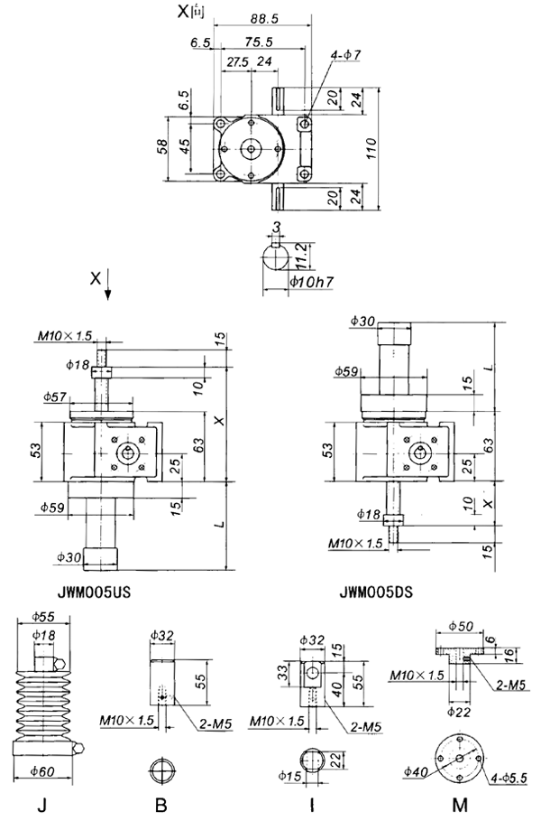
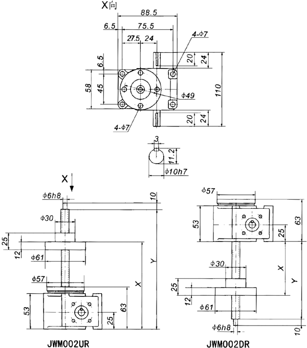
JWM005絲杠升降機外形尺寸
.gif)
.gif)
行程(mm) |
US | |||||
X |
X⑴ |
L |
m(kg) | |||
MIN |
MAX |
MIN |
MAX | |||
100 |
73 |
173 |
127 |
227 |
188 |
2.5 |
200 |
73 |
273 |
127 |
327 |
288 |
2.6 |
300 |
73 |
373 |
167 |
467 |
428 |
2.8 |
400 |
73 |
473 |
167 |
567 |
528 |
3.0 |
500 |
73 |
573 |
202 |
702 |
663 |
3.2 |
600 |
73 |
673 |
202 |
802 |
763 |
3.3 |
800 |
73 |
873 |
237 |
1037 |
998 |
3.7 |
行程(mm) |
DS | |||||
X |
X⑴ |
L |
m(kg) | |||
MIN |
MAX |
MIN |
MAX | |||
100 |
20 |
120 |
65 |
165 |
188 |
2.5 |
200 |
20 |
220 |
65 |
265 |
288 |
2.6 |
300 |
20 |
320 |
105 |
405 |
428 |
2.8 |
400 |
20 |
420 |
105 |
505 |
528 |
3.0 |
500 |
20 |
520 |
140 |
640 |
663 |
3.2 |
600 |
20 |
620 |
140 |
740 |
763 |
3.3 |
800 |
20 |
820 |
175 |
975 |
998 |
3.7 |
行程(mm) |
UR | |||
X |
Y |
m(kg) | ||
MIN |
MAX | |||
100 |
84 |
184 |
207 |
2.6 |
200 |
84 |
284 |
307 |
2.8 |
300 |
84 |
384 |
407 |
2.9 |
400 |
84 |
484 |
507 |
3.0 |
500 |
84 |
584 |
607 |
3.1 |
600 |
84 |
684 |
707 |
3.2 |
800 |
84 |
884 |
907 |
3.5 |
行程(mm) |
DR | |||
X |
Y |
m(kg) | ||
MIN |
MAX | |||
100 |
35 |
135 |
145 |
2.6 |
200 |
35 |
235 |
245 |
2.8 |
300 |
35 |
335 |
345 |
2.9 |
400 |
35 |
435 |
445 |
3.0 |
500 |
35 |
535 |
545 |
3.1 |
600 |
35 |
635 |
645 |
3.2 |
800 |
35 |
835 |
845 |
3.5 |
JWM010絲杠升降機外形尺寸
.gif)
JWM010
行程(mm) |
US | |||||
X |
X⑴ |
L |
m(kg) | |||
MIN |
MAX |
MIN |
MAX | |||
100 |
101 |
201 |
161 |
261 |
194 |
5.5 |
200 |
101 |
301 |
161 |
361 |
294 |
5.7 |
300 |
101 |
401 |
201 |
501 |
434 |
6.1 |
400 |
101 |
501 |
201 |
601 |
534 |
6.3 |
500 |
101 |
601 |
236 |
736 |
669 |
6.6 |
600 |
101 |
701 |
236 |
836 |
769 |
6.9 |
800 |
101 |
901 |
271 |
1071 |
1004 |
7.5 |
1000 |
101 |
1101 |
301 |
1301 |
1234 |
8.0 |
行程(mm) |
DS | |||||
X |
X⑴ |
L |
m(kg) | |||
MIN |
MAX |
MIN |
MAX | |||
100 |
25 |
125 |
75 |
175 |
194 |
5.5 |
200 |
25 |
225 |
75 |
275 |
294 |
5.7 |
300 |
25 |
325 |
115 |
415 |
434 |
6.1 |
400 |
25 |
425 |
115 |
515 |
534 |
6.3 |
500 |
25 |
525 |
150 |
650 |
669 |
6.6 |
600 |
25 |
625 |
150 |
750 |
769 |
6.9 |
800 |
25 |
825 |
185 |
985 |
1004 |
7.5 |
1000 |
25 |
1025 |
215 |
1215 |
1234 |
8.0 |
行程(mm) |
UR | |||
X |
Y |
m(kg) | ||
MIN |
MAX | |||
100 |
108 |
208 |
246 |
5.9 |
200 |
108 |
308 |
346 |
6.1 |
300 |
108 |
408 |
446 |
6.2 |
400 |
108 |
508 |
546 |
6.4 |
500 |
108 |
608 |
646 |
6.6 |
600 |
108 |
708 |
746 |
6.8 |
800 |
108 |
908 |
946 |
7.2 |
1000 |
108 |
1108 |
1146 |
7.6 |
行程(mm) |
DR | |||
X |
Y |
m(kg) | ||
MIN |
MAX | |||
100 |
50 |
150 |
160 |
5.9 |
200 |
50 |
250 |
260 |
6.1 |
300 |
50 |
350 |
360 |
6.2 |
400 |
50 |
450 |
460 |
6.4 |
500 |
50 |
550 |
560 |
6.6 |
600 |
50 |
650 |
660 |
6.8 |
800 |
50 |
850 |
860 |
7.2 |
1000 |
50 |
1050 |
1060 |
7.6 |
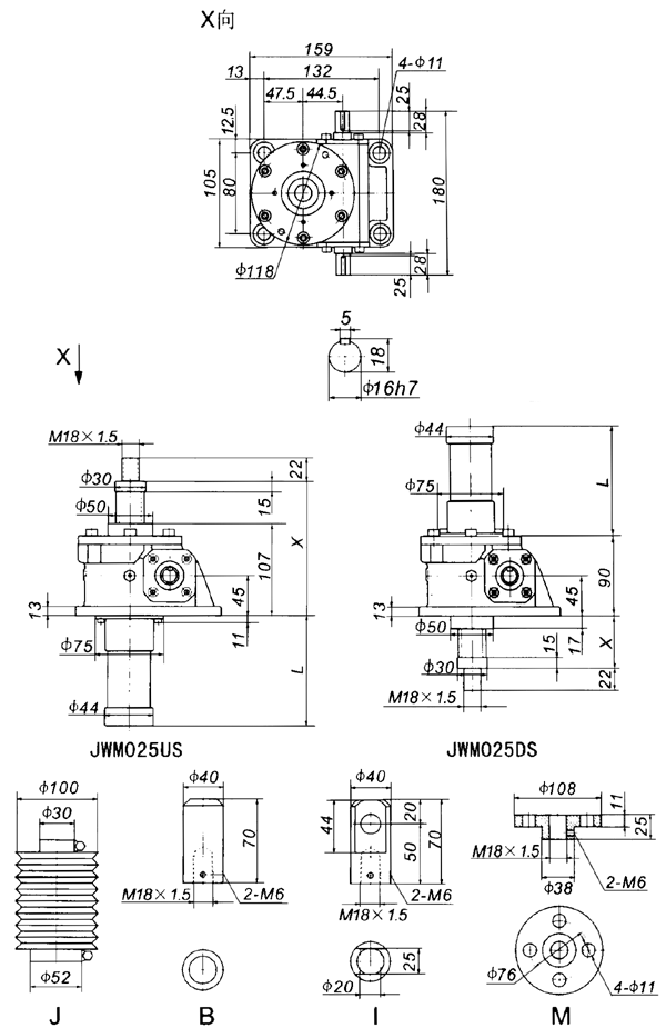
JWM025絲杠升降機外形尺寸
.gif)
.gif)
行程(mm) |
US | |||||
X |
X⑴ |
L |
m(kg) | |||
MIN |
MAX |
MIN |
MAX | |||
100 |
132 |
232 |
147 |
247 |
149 |
7.7 |
200 |
132 |
332 |
147 |
347 |
249 |
8.1 |
300 |
132 |
432 |
167 |
467 |
369 |
8.5 |
400 |
132 |
532 |
167 |
567 |
469 |
8.9 |
500 |
132 |
632 |
187 |
687 |
589 |
9.4 |
600 |
132 |
732 |
187 |
787 |
689 |
9.8 |
800 |
132 |
932 |
207 |
1007 |
909 |
11 |
1000 |
132 |
1132 |
207 |
1227 |
1129 |
12 |
1200 |
132 |
1332 |
|
|
1344 |
13 |
行程(mm) |
DS | |||||
X |
X⑴ |
L |
m(kg) | |||
MIN |
MAX |
MIN |
MAX | |||
100 |
42 |
142 |
57 |
157 |
149 |
7.7 |
200 |
42 |
242 |
57 |
257 |
249 |
8.1 |
300 |
42 |
342 |
77 |
377 |
369 |
8.5 |
400 |
42 |
445 |
77 |
477 |
469 |
8.9 |
500 |
42 |
542 |
97 |
597 |
589 |
9.4 |
600 |
42 |
642 |
97 |
697 |
689 |
9.8 |
800 |
42 |
842 |
117 |
917 |
909 |
11 |
1000 |
42 |
1042 |
137 |
1137 |
1129 |
12 |
1200 |
42 |
1242 |
|
|
1344 |
13 |
行程(mm) |
UR | |||
X |
Y |
m(kg) | ||
MIN |
MAX | |||
100 |
133 |
233 |
279 |
9.2 |
200 |
133 |
333 |
379 |
9.5 |
300 |
133 |
433 |
479 |
9.9 |
400 |
133 |
533 |
579 |
11 |
500 |
133 |
633 |
679 |
11 |
600 |
133 |
733 |
779 |
11 |
800 |
133 |
933 |
979 |
12 |
1000 |
133 |
1133 |
1179 |
13 |
1200 |
133 |
1333 |
1379 |
13 |
行程(mm) |
DR | |||
X |
Y |
m(kg) | ||
MIN |
MAX | |||
100 |
79 |
179 |
189 |
9.2 |
200 |
79 |
279 |
289 |
9.5 |
300 |
79 |
379 |
389 |
9.9 |
400 |
79 |
479 |
489 |
11 |
500 |
79 |
579 |
589 |
11 |
600 |
79 |
679 |
689 |
11 |
800 |
79 |
879 |
889 |
12 |
1000 |
79 |
1079 |
1089 |
13 |
1200 |
79 |
1279 |
1389 |
13 |
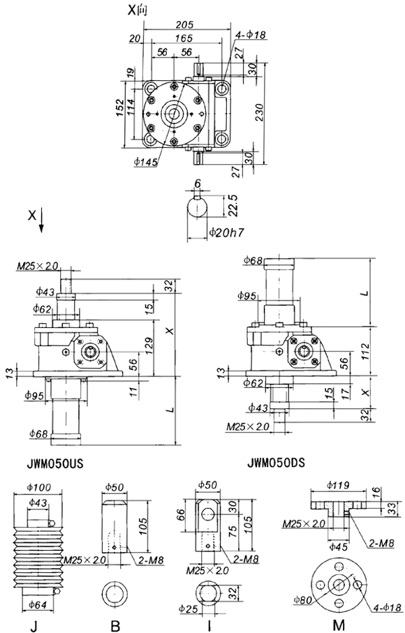
JWM050絲杠升降機外形尺寸
.gif)
.gif)
JWM050
行程(mm) |
US | |||||
X |
X⑴ |
L |
m(kg) | |||
MIN |
MAX |
MIN |
MAX | |||
100 |
154 |
254 |
169 |
269 |
147 |
18 |
200 |
154 |
354 |
169 |
369 |
247 |
19 |
300 |
154 |
454 |
189 |
489 |
367 |
20 |
400 |
154 |
554 |
189 |
589 |
467 |
21 |
500 |
154 |
654 |
209 |
709 |
587 |
22 |
600 |
154 |
754 |
209 |
809 |
687 |
23 |
800 |
154 |
954 |
229 |
1029 |
907 |
25 |
1000 |
154 |
1154 |
249 |
1249 |
1127 |
27 |
1200 |
154 |
1354 |
|
|
1342 |
29 |
行程(mm) |
DS | |||||
X |
X⑴ |
L |
m(kg) | |||
MIN |
MAX |
MIN |
MAX | |||
100 |
42 |
142 |
57 |
157 |
147 |
18 |
200 |
42 |
242 |
57 |
257 |
247 |
19 |
300 |
42 |
342 |
77 |
377 |
367 |
20 |
400 |
42 |
442 |
77 |
477 |
467 |
21 |
500 |
42 |
542 |
97 |
597 |
587 |
22 |
600 |
42 |
642 |
97 |
697 |
687 |
23 |
800 |
42 |
842 |
117 |
917 |
907 |
25 |
1000 |
42 |
1042 |
137 |
1137 |
1127 |
27 |
1200 |
42 |
1242 |
152 |
|
|
29 |
行程(mm) |
UR | |||
X |
Y |
m(kg) | ||
MIN |
MAX | |||
100 |
157 |
257 |
330 |
22 |
200 |
157 |
357 |
430 |
22 |
300 |
157 |
457 |
530 |
23 |
400 |
157 |
557 |
630 |
24 |
500 |
157 |
657 |
730 |
25 |
600 |
157 |
757 |
830 |
26 |
800 |
157 |
957 |
1030 |
27 |
1000 |
157 |
1157 |
1230 |
29 |
1200 |
157 |
1357 |
1430 |
30 |
行程(mm) |
DR | |||
X |
Y |
m(kg) | ||
MIN |
MAX | |||
100 |
107 |
207 |
218 |
22 |
200 |
107 |
307 |
318 |
22 |
300 |
107 |
407 |
418 |
23 |
400 |
107 |
507 |
518 |
24 |
500 |
107 |
607 |
618 |
25 |
600 |
107 |
707 |
718 |
26 |
800 |
107 |
907 |
918 |
27 |
1000 |
107 |
1107 |
1118 |
29 |
1200 |
107 |
1307 |
1318 |
30 |
頁次:1/3 每頁10條 共30條信息 分頁:[1][2][3] |