 |
NBZD250、NBZD280、NBZD315、NBZD355、NBZD400、NBZD450、NBZD500、NBZD560、NBZD250型行星齒輪減速機外形及安裝尺寸(規格代號1-8)JB/T6502-93 |
 |
| |
詳細介紹: |
發布時間:2006/4/21 8:04:18 |
|
| |
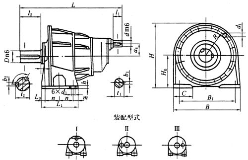
NBZD型行星齒輪減速機外形及安裝尺寸

NBZD減速器的外形、裝配型式和安裝尺寸 (mm)
|
規格
代號 |
型號
規格 |
公稱傳
動比i |
外形及中心高 |
軸伸 |
地腳尺寸 |
質量(kg) |
潤滑油
量(L) |
|
L |
B |
H |
H0 |
R/as |
d |
D |
l1 |
l2 |
t1 |
b1 |
t2 |
b2 |
L1 |
L0 |
n |
m |
h |
B1 |
C |
d1 |
|
1 |
NBZD
250 |
56~125 |
580 |
450 |
425 |
225 |
215
82 |
28 |
80 |
42 |
130 |
51 |
8 |
85 |
22 |
270 |
30 |
110 |
25 |
20 |
360 |
120 |
20 |
240 |
10 |
|
2 |
NBZD
280 |
56~125 |
670 |
500 |
465 |
235 |
230
91 |
30 |
100 |
42 |
165 |
33 |
8 |
106 |
28 |
300 |
35 |
120 |
30 |
23 |
410 |
130 |
22 |
295 |
14 |
|
3 |
NBZD
315 |
56~125 |
770 |
560 |
525 |
265 |
260
100 |
32 |
120 |
58 |
165 |
35 |
10 |
127 |
32 |
320 |
35 |
130 |
30 |
25 |
470 |
140 |
22 |
400 |
18 |
|
4 |
NBZD
355 |
56~125 |
835 |
630 |
590 |
300 |
294
109 |
35 |
140 |
58 |
200 |
38 |
10 |
148 |
36 |
380 |
38 |
155 |
35 |
28 |
520 |
170 |
26 |
525 |
24 |
|
5 |
NBZD
400 |
56~125 |
1003 |
710 |
660 |
335 |
325
127 |
40 |
150 |
82 |
200 |
43 |
12 |
158 |
36 |
400 |
51 |
165 |
35 |
35 |
600 |
210 |
26 |
680 |
36 |
|
6 |
NBZD
450 |
56~125 |
1122 |
800 |
745 |
375 |
370
145 |
45 |
170 |
82 |
240 |
48.5 |
14 |
179 |
40 |
460 |
60 |
180 |
50 |
35 |
670 |
220 |
33 |
920 |
45 |
|
7 |
NBZD
500 |
56~125 |
1232 |
900 |
835 |
425 |
410
164 |
50 |
200 |
82 |
280 |
53.5 |
14 |
210 |
45 |
500 |
80 |
200 |
50 |
40 |
770 |
240 |
33 |
1350 |
55 |
|
8 |
NBZD
560 |
56~125 |
1327 |
1020 |
950 |
473 |
470
182 |
55 |
220 |
82 |
280 |
59 |
16 |
231 |
50 |
580 |
78.5 |
230 |
60 |
40 |
880 |
300 |
39 |
1720 |
72 | |
|
|