 |
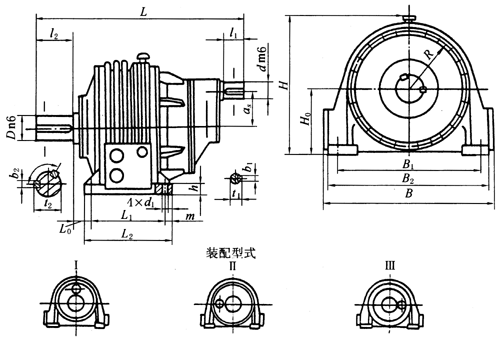
NBZD560、NBZD630、NBZD710、NBZD800、NBZD900、NBZD1000、NBZD1120、NBZD1250、NBZD1400、NBZD1600型行星齒輪減速機外形及安裝尺寸(規格代號9-18)JB/T6502-93 |
 |
| |
詳細介紹: |
發布時間:2006/4/21 8:17:16 |
|
| |
NBZD型行星齒輪減速機外形及安裝尺寸

NBZD減速器的外形、裝配型式和安裝尺寸 (mm)
|
規格代號 |
型號
規格 |
公稱傳
動比i |
外形及中心高 |
軸伸 |
地腳尺寸 |
質量(kg) |
潤滑油量(L) |
|
L |
B |
H |
H0 |
R/as |
d |
D |
l1 |
l2 |
t1 |
b1 |
t2 |
b2 |
L2 |
L0 |
L1 |
m |
h |
B2 |
B1 |
d1 |
|
9 |
NBZD
560 |
56~125 |
1360 |
1100 |
990 |
450 |
430
182 |
55 |
220 |
82 |
280 |
59 |
16 |
231 |
50 |
660 |
105 |
500 |
80 |
70 |
1060 |
900 |
65 |
1970 |
180 |
|
10 |
NBZD
630 |
56~125 |
1562 |
1260 |
1095 |
500 |
485
200 |
60 |
240 |
105 |
330 |
64 |
18 |
252 |
56 |
740 |
118 |
560 |
90 |
80 |
1200 |
1040 |
74 |
2400 |
240 |
|
11 |
NBZD
710 |
56~125 |
1650 |
1360 |
1215 |
560 |
545
218 |
70 |
260 |
105 |
330 |
74.5 |
20 |
272 |
56 |
810 |
130 |
630 |
90 |
80 |
1320 |
1140 |
74 |
4000 |
300 |
|
12 |
NBZD
800 |
56~125 |
1955 |
560 |
1335 |
630 |
625
260 |
80 |
280 |
130 |
380 |
85 |
22 |
292 |
63 |
870 |
163 |
670 |
100 |
100 |
1500 |
1300 |
82 |
5850 |
450 |
|
13 |
NBZD
900 |
56~125 |
2146 |
1750 |
1510 |
710 |
690
296 |
90 |
340 |
130 |
450 |
95 |
25 |
355 |
80 |
940 |
194 |
740 |
100 |
100 |
1680 |
1480 |
82 |
6000 |
620 |
|
14 |
NBZD
1000 |
56~125 |
2364 |
1900 |
1680 |
800 |
770
334 |
100 |
360 |
165 |
450 |
106 |
28 |
375 |
80 |
1140 |
185 |
900 |
120 |
120 |
1840 |
1600 |
101 |
9050 |
800 |
|
15 |
NBZD
1120 |
56~125 |
2665 |
2120 |
1880 |
900 |
870
372 |
120 |
400 |
165 |
540 |
127 |
32 |
417 |
90 |
1260 |
207 |
1000 |
130 |
120 |
2060 |
1800 |
101 |
14300 |
1000 |
|
16 |
NBZD
1250 |
56~125 |
2910 |
2340 |
2060 |
1000 |
950
408 |
130 |
450 |
200 |
540 |
137 |
32 |
469 |
100 |
1400 |
225 |
1120 |
140 |
140 |
2280 |
2000 |
112 |
18700 |
1500 |
|
17 |
NBZD
1400 |
56~125 |
3175 |
2580 |
2280 |
1120 |
1050
446 |
150 |
500 |
200 |
540 |
158 |
36 |
519 |
100 |
1500 |
264 |
1200 |
150 |
150 |
2500 |
2200 |
112 |
21000 |
2400 |
|
18 |
NBZD
1600 |
56~125 |
3670 |
2970 |
2560 |
1250 |
1200
520 |
170 |
560 |
240 |
680 |
179 |
40 |
582 |
120 |
1600 |
350 |
1250 |
175 |
180 |
2890 |
2540 |
122 |
29500 |
5000 | |
|
|