 |
MPA37、MPA47、MPA57、MPA67、MPA77、MPA87、MPA97、MPA107、MPA127、MPA157、系列平等軸齒輪減速機的安裝尺寸 |
 |
| |
詳細介紹: |
發布時間:2006/6/17 11:55:08 |
|
| |
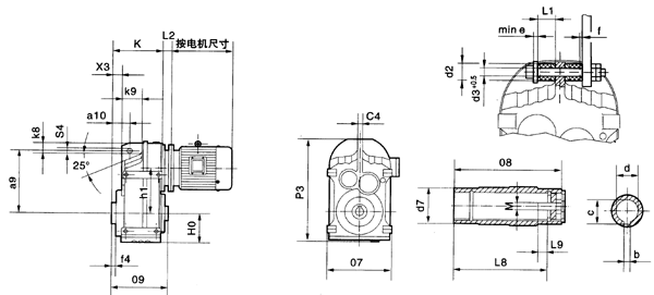
MPA系列平等軸齒輪減速機的安裝尺寸

|
型號 |
安裝尺寸 |
軸伸尺寸 |
外形尺寸 |
|
a10 |
f4 |
C4 |
a9 |
H0 |
X3 |
L9 |
S4
M |
d2 |
d3 |
e |
L1 |
f |
L8 |
d |
c
b |
K
d7 |
09
P3 |
07
08 |
k8
k9 |
h1 |
L2 |
|
MPA37 |
31.5 |
2.5 |
12 |
158 |
74 |
7.5 |
17 |
14
M10 |
40 |
12.5 |
5 |
20 |
1 |
105 |
30H7 |
33.3
8 |
116
45 |
123
250 |
169
120 |
30
41.5 |
112 |
|
|
MPA47 |
32 |
3 |
12 |
170 |
80 |
14 |
22 |
14
M12 |
40 |
12.5 |
5 |
20 |
1.8 |
130 |
35H7 |
38.3
10 |
138
50 |
153
272 |
180
150 |
22
54 |
128.1 |
|
MPA57 |
40.5 |
1 |
14 |
198 |
93 |
19.5 |
29 |
14
M16 |
40 |
12.5 |
5 |
20 |
2.4 |
142 |
40H7 |
43.3
12 |
150
55 |
170
317 |
210
166 |
31
60 |
136 |
|
MPA67 |
41 |
3.5 |
16 |
218 |
97 |
12.5 |
29 |
14
M16 |
40 |
12.5 |
5 |
20 |
3 |
156 |
40H7 |
43.3
12 |
172
55 |
184
343 |
217
180 |
52
67 |
159.5 |
|
MPA77 |
50 |
4 |
20 |
278 |
121 |
12 |
32 |
22
M16 |
60 |
21 |
10 |
30 |
3.2 |
183 |
50H7 |
53.8
14 |
194
70 |
213
426 |
275
210 |
49
76 |
200 |
|
MPA87 |
62 |
4 |
26 |
346 |
152 |
20.5 |
36 |
22
M20 |
60 |
21 |
10 |
30 |
4.5 |
210 |
60H7 |
64.4
18 |
229
85 |
243
531 |
330
240 |
57
85 |
246.7 |
|
MPA97 |
70 |
4 |
30 |
395 |
178 |
28 |
34 |
26
M20 |
80 |
25 |
12 |
40 |
5 |
270 |
70H7 |
74.9
20 |
272
95 |
303
623 |
400
300 |
88
100 |
285 |
|
MPA107 |
87.5 |
2.5 |
36 |
485 |
200 |
32.5 |
40 |
26
M24 |
80 |
25 |
12 |
40 |
6 |
310 |
90H7 |
95.4
25 |
321
120 |
353
717 |
450
350 |
105
121 |
332.4 |
|
MPA127 |
110 |
2.5 |
40 |
550 |
236 |
30 |
38 |
33
M24 |
100 |
32 |
15 |
60 |
9 |
370 |
100H7 |
106.4
28 |
376
135 |
413
856 |
530
410 |
138
153 |
382.6 |
|
MPA157 |
150 |
7 |
45 |
660 |
286 |
98 |
36 |
33
M24 |
120 |
32 |
15 |
60 |
9 |
500 |
120H7 |
127.4
32 |
455
155 |
503
1021 |
660
500 |
170
140 |
447 | |
|
|