 |
MPAF37、MPAF47、MPAF57、MPAF67、MPAF77、MPAF87、MPAF97、MPAF107、MPAF127、MPAF157、系列平等軸齒輪減速機的安裝尺寸 |
 |
| |
詳細介紹: |
發布時間:2006/6/17 12:02:48 |
|
| |
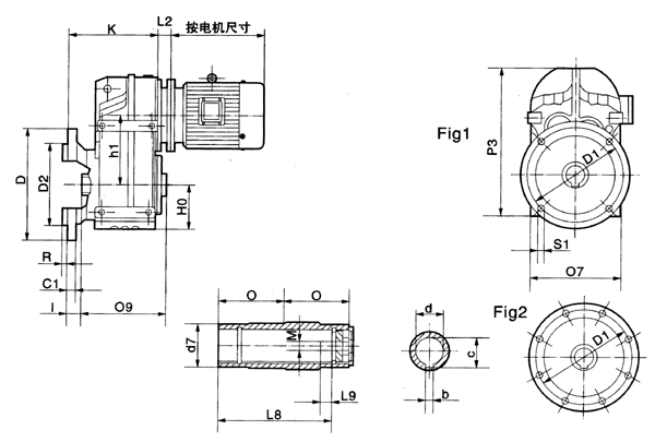
MPAF系列平等軸齒輪減速機的安裝尺寸

|
型號 |
安裝尺寸 |
軸伸尺寸 |
外形尺寸 |
|
S1
H0 |
Fig |
D2 |
L8
L9 |
D1 |
R
M |
d |
c
b |
l |
O
O7 |
O9
P3 |
D |
C1 |
K |
h1 |
d7 |
L2 |
|
MPAF37 |
9
74 |
1 |
110h7 |
105
17 |
130 |
3.5
M10 |
30H7 |
33.3
8 |
24 |
60
169 |
123
250 |
160 |
10 |
140 |
112 |
45 |
電機尺寸 |
|
MPAF47 |
9
80 |
1 |
130h7 |
130
22 |
165 |
3.5
M12 |
35H7 |
38.3
10 |
24.5 |
75
180 |
153
272 |
200 |
12 |
162 |
128.1 |
50 |
|
MPAF57 |
13.5
93 |
1 |
180h7 |
142
29 |
215 |
4
M16 |
35H7 |
43.3
12 |
23.5 |
83
200 |
170
317 |
250 |
15 |
177 |
136 |
55 |
|
MPAF67 |
13.5
97 |
1 |
180h7 |
156
29 |
215 |
4
M16 |
40H7 |
43.3
12 |
23 |
90
217 |
184
343 |
250 |
15 |
195 |
159.5 |
55 |
|
MPAF77 |
13.5
121 |
1 |
230h7 |
183
32 |
265 |
4
M16 |
50H7 |
53.8
14 |
37 |
105
279 |
213
426 |
300 |
16 |
231 |
200 |
70 |
|
MPAF87 |
18
152 |
1 |
250h7 |
210
36 |
300 |
5
M20 |
60H7 |
64.4
18 |
30 |
120
330 |
243
531 |
350 |
18 |
259 |
246.7 |
85 |
|
MPAF97 |
18
178 |
2 |
350h7 |
270
34 |
400 |
5
M20 |
70H7 |
74.9
20 |
41.5 |
150
400 |
303
623 |
450 |
22 |
314 |
285 |
95 |
|
MPAF107 |
18
200 |
2 |
350h7 |
310
40 |
400 |
5
M24 |
90H7 |
95.4
25 |
41 |
175
450 |
353
717 |
450 |
22 |
362 |
332.4 |
120 |
|
MPAF127 |
18
236 |
2 |
450h7 |
370
38 |
500 |
5
M24 |
100H7 |
106.4
28 |
51 |
205
530 |
413
856 |
550 |
25 |
427 |
382.6 |
135 |
|
MPAF157 |
22
286 |
2 |
550h7 |
460
36 |
600 |
6
M24 |
120H7 |
127.4
32 |
60 |
250
660 |
503
1021 |
660 |
28 |
521 |
447 |
155 | |
|
|