 |
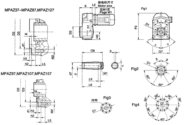
MPAZ37、MPAZ47、MPAZ57、MPAZ67、MPAZ77、MPAZ87、MPAZ97、MPAZ107、MPAZ127、MPAZ157、系列平等軸齒輪減速機的安裝尺寸 |
 |
| |
詳細介紹: |
發布時間:2006/6/17 11:58:15 |
|
| |
MPAZ系列平等軸齒輪減速機的安裝尺寸

|
型號 |
安裝尺寸 |
軸伸尺寸 |
外形尺寸 |
|
H0 |
D1 |
Fig |
β
γ |
f4 |
L5 |
h2
h3 |
M2
d1 |
d |
c
b |
L8
L9 |
M1 |
K
d7 |
O7
O8 |
h1
P3 |
D2
D3 |
L2 |
|
MPAZ37 |
74 |
94 |
1 |
45°
53° |
9 |
11 |
11.5
3 |
M8
9 |
30H7 |
33.3
8 |
105
17 |
M10×25-8.8 |
128
45 |
169
120 |
112
250 |
110
80j6 |
|
|
MPAZ47 |
80 |
102 |
1 |
50°
45° |
8 |
15 |
11
3 |
M10
11 |
35H7 |
38.3
10 |
130
22 |
M10×25-8.8 |
149
50 |
180
150 |
128.1
272 |
120
80j6 |
|
MPAZ57 |
93 |
125 |
2 |
47°
— |
9 |
17 |
12
3.5 |
M12
13.5 |
40H7 |
43.3
12 |
142
29 |
M16×40-8.8 |
162
55 |
200
166 |
136
317 |
155
105j6 |
|
MPAZ67 |
97 |
125 |
1 |
45°
45° |
8.5 |
17 |
12
3.5 |
M12
13.5 |
40H7 |
43.3
12 |
156
29 |
M16×40-8.8 |
184
55 |
217
180 |
159.5
343 |
155
105j6 |
|
MPAZ77 |
121 |
142 |
2 |
40°
— |
10 |
17 |
14
3.5 |
M12
13.5 |
50H7 |
53.8
14 |
183
32 |
M16×45-8.8 |
207.5
70 |
275
210 |
200
426 |
170
125j6 |
|
MPAZ87 |
152 |
178 |
2 |
45°
— |
11 |
25 |
15
4 |
M16
17.5 |
60H7 |
64.4
18 |
210
36 |
M20×50-8.8 |
229
85 |
330
240 |
246.7
531 |
215
155j6 |
|
MPAZ97 |
178 |
200 |
2 |
30°
— |
8 |
20 |
18
4 |
M16
17.5 |
70H7 |
74.9
20 |
270
34 |
M20×50-8.8 |
272
95 |
400
300 |
285
623 |
250
160j6 |
|
MPAZ107 |
200 |
255 |
3 |
—
— |
0.5 |
25 |
22
4 |
M16
17.5 |
90H7 |
95.4
25 |
310
40 |
M24×60-8.8 |
321
120 |
450
350 |
332.4
717 |
300
210j6 |
|
MPAZ127 |
236 |
300 |
3 |
—
— |
5 |
25 |
30
5 |
M16
17.5 |
100H7 |
106.4
28 |
370
38 |
M24×60-8.8 |
381
135 |
530
410 |
382.6
856 |
350
250h6 |
|
MPAZ157 |
286 |
340 |
4 |
—
— |
14 |
35 |
28
5 |
M24
26 |
120H7 |
32
127.4 |
457
36 |
M24×60-8.8 |
455
155 |
660
500 |
447
1021 |
400
290h6 | |
|
|