 |
EF、EFS皮碗型橡膠高彈性聯軸機主要尺寸 |
 |
| |
詳細介紹: |
發布時間:2007/8/24 11:06:30 |
|
| |
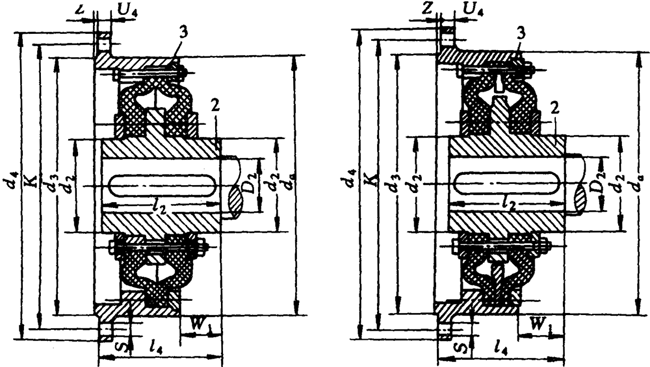
EF、EFS皮碗型橡膠高彈性聯軸器主要尺寸
表4 EF、EFS主要尺寸
|
聯軸器
型號 |
D2
(mm) |
da
(mm) |
d2
(mm) |
l2
(mm) |
l4
(mm) |
W1
(mm) |
法蘭安裝尺寸 |
法蘭安裝尺寸 |
轉動慣量 |
質量 |
|
d3
(mm) |
d4
(mm) |
K
(mm) |
S
(mm) |
螺栓
數目 |
U4
(mm) |
Z
(mm) |
J外 |
J內 |
EF
(kg) |
EFS
(kg) |
|
EF
(kg·m2) |
EFS
(kg·m2) |
EF
(kg·m2) |
EFS
(kg·m2) |
|
140-1-2 |
20~32 |
140 |
48 |
60 |
64 |
21 |
140 |
176 |
160 |
9 |
6 |
6 |
3 |
0.0085 |
0.0088 |
0.001 |
0.0013 |
3.3 |
3.4 |
|
180-1-2 |
25~42 |
180 |
64 |
80 |
84 |
30.5 |
180 |
232 |
210 |
11 |
6 |
8 |
3 |
0.03 |
0.032 |
0.0035 |
0.0038 |
6.5 |
6.9 |
|
220-1-2 |
35~55 |
220 |
83 |
100 |
106 |
38 |
220 |
268 |
245 |
11 |
8 |
10 |
4 |
0.075 |
0.078 |
0.013 |
0.015 |
12.5 |
13 |
|
270-1-2 |
45~65 |
270 |
98 |
125 |
131 |
45 |
270 |
325 |
300 |
14 |
8 |
12 |
4 |
0.14 |
0.18 |
0.033 |
0.035 |
21 |
22.5 |
|
320-1-2 |
55~80 |
320 |
120 |
140 |
146 |
48.5 |
320 |
392 |
360 |
18 |
8 |
14 |
5 |
0.45 |
0.48 |
0.07 |
0.075 |
34 |
36 |
|
375-1-2 |
65~100 |
375 |
150 |
160 |
168 |
56.2 |
375 |
448 |
415 |
18 |
8 |
16 |
5 |
0.88 |
0.93 |
0.18 |
0.19 |
53 |
57 |
|
430-1-2 |
75~115 |
430 |
172 |
180 |
188 |
62 |
430 |
515 |
475 |
22 |
8 |
20 |
5 |
1.7 |
1.8 |
0.33 |
0.35 |
78 |
82 |
|
500-1-2 |
90~140 |
500 |
210 |
200 |
208 |
68.3 |
500 |
585 |
545 |
22 |
10 |
20 |
5 |
3.1 |
3.3 |
0.75 |
0.8 |
115 |
125 | |
|
|