 |
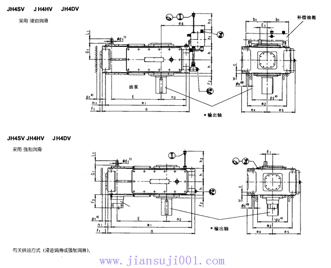
JH4.V型平行軸工業齒輪箱外形及安裝尺寸(規格7...12) |
 |
| |
詳細介紹: |
發布時間:2008/8/4 8:51:31 |
|
| |
平行軸齒輪箱
四級傳動
立式安裝
類型JH4.V
規格7…12


|
規格 |
尺寸mm |
|
輸 入 軸 |
|
iN=100-180 |
iN=125-224 |
iN=200-355 |
iN=250-450 |
G1 |
|
d11) |
I1 |
d11) |
I1 |
d11) |
I1 |
d11) |
I1 |
|
7 |
30 |
50 |
|
|
24 |
40 |
|
|
180 |
|
8 |
|
|
30 |
50 |
|
|
24 |
40 |
180 |
|
9 |
50 |
60 |
|
|
28 |
50 |
|
|
215 |
|
10 |
|
|
50 |
60 |
|
|
28 |
50 |
215 |
|
11 |
45 |
100 |
|
|
32 |
80 |
|
|
250 |
|
12 |
|
|
45 |
100 |
|
|
32 |
80 |
250 |
|
規格 |
尺寸mm |
|
齒 輪 箱 |
|
a |
b1 |
c |
e4 |
e5 |
e6 |
E |
E1 |
f1 |
f2 |
f3 |
|
7 |
845 |
240 |
36±1 |
280 |
292 |
425 |
495 |
80 |
37 |
30 |
160 |
|
8 |
950 |
240 |
36±1 |
280 |
302 |
485 |
540 |
80 |
37 |
32 |
160 |
|
9 |
1000 |
330 |
45±1.5 |
320 |
342 |
560 |
580 |
90 |
43 |
32 |
170 |
|
10 |
1100 |
330 |
45±1.5 |
320 |
342 |
610 |
630 |
90 |
43 |
32 |
170 |
|
11 |
1200 |
330 |
54±1.5 |
380 |
402 |
595 |
705 |
110 |
47 |
35 |
170 |
|
12 |
1355 |
330 |
54±1.5 |
380 |
410 |
680 |
775 |
110 |
47 |
35 |
170 |
|
規格 |
尺寸mm |
|
齒 輪 箱 |
|
h |
h1 |
h2 |
h3 |
m1 |
m2 |
n1 |
n2 |
p14) |
p24) |
s |
|
7 |
150 |
205 |
165 |
250 |
775 |
430 |
35 |
215 |
35 |
330 |
28 |
|
8 |
150 |
205 |
165 |
250 |
880 |
430 |
35 |
275 |
35 |
330 |
28 |
|
9 |
185 |
275 |
205 |
330 |
920 |
490 |
40 |
260 |
40 |
370 |
36 |
|
10 |
185 |
275 |
205 |
330 |
1020 |
490 |
40 |
310 |
40 |
370 |
36 |
|
11 |
215 |
275 |
240 |
340 |
1100 |
600 |
50 |
295 |
50 |
440 |
40 |
|
12 |
215 |
275 |
240 |
340 |
1255 |
600 |
50 |
380 |
50 |
440 |
40 |
|
規格 |
尺寸mm |
潤滑油 |
重量
(kg) |
|
輸出軸 |
浸油潤滑
(I) |
強制潤滑
(I) |
|
JH4SV |
JH4HV |
JH4DV |
|
d21) |
G2 |
I2 |
D22) |
G4 |
D3 |
D4 |
G4 |
G5 |
|
7 |
120 |
195 |
210 |
115 |
195 |
120 |
120 |
195 |
280 |
50 |
20 |
550 |
|
8 |
130 |
195 |
250 |
125 |
195 |
130 |
130 |
195 |
285 |
60 |
25 |
645 |
|
9 |
140 |
235 |
250 |
135 |
235 |
140 |
145 |
235 |
330 |
95 |
38 |
875 |
|
10 |
160 |
235 |
300 |
150 |
235 |
150 |
155 |
235 |
335 |
110 |
45 |
1010 |
|
11 |
170 |
270 |
300 |
165 |
270 |
165 |
170 |
270 |
400 |
165 |
65 |
1460 |
|
12 |
180 |
270 |
300 |
180 |
270 |
180 |
185 |
270 |
405 |
180 |
75 |
1725 |
|
|
|