 |
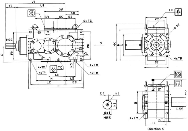
MC系列硬齒面中型齒輪減速機安裝尺寸(2級錐齒輪—斜齒輪減速機水平安裝) |
 |
| |
詳細介紹: |
發布時間:2007/2/5 16:11:40 |
|
| |
2級錐齒輪—斜齒輪減速器
水平安裝
插圖僅僅作為例子,不是嚴格的裝配關系。
重量和油量僅是指導值。
|
規格 |
箱體尺寸(mm) |
|
E |
EBhⅡ |
GhⅡ |
H |
HK |
HO |
JhⅡ |
JE |
KG |
KL |
KT |
L |
LB |
LE |
LN |
N |
PH |
φRJ |
S |
SA |
SB |
SC |
|
02
03 |
574
518 |
195
207 |
160
180 |
320
360 |
382
422 |
395
460 |
260
274 |
212
228 |
28
28 |
68
68 |
45
45 |
98
110 |
170
182 |
354
389 |
175
207 |
282
314 |
270
310 |
240
240 |
206
246 |
206
246 |
114
122 |
96
84 |
|
04
05 |
677
731 |
229
240 |
200
215 |
400
430 |
462
500 |
520
575 |
314
329 |
260
279 |
30
34 |
71
71 |
50
50 |
122
136 |
201
212 |
420
463 |
233
228 |
341
387 |
344
374 |
276
320 |
260
296 |
253
296 |
147
136 |
114
106 |
|
06
07 |
812
885 |
270
295 |
235
265 |
470
530 |
540
620 |
615
705 |
356
380 |
292
316 |
40
40 |
88
91 |
64
64 |
141
150 |
235
260 |
507
555 |
256
285 |
413
445 |
400
454 |
322
346 |
308
350 |
308
350 |
141
150 |
132
112 |
|
08
09 |
981
1049 |
322
335 |
300
335 |
600
670 |
690
779 |
775
885 |
431
451 |
353
373 |
52
52 |
103
103 |
78
78 |
174
187 |
280
293 |
617
672 |
318.5
373.5 |
511
566 |
516
586 |
385
392 |
406
476 |
406
476 |
174
187 |
115
100 |
|
規格 |
箱體尺寸(mm) |
HSS尺寸(mm) |
重量 |
油量 |
|
TU |
TM |
TO |
TP H9 |
TR=TX |
TS |
XA |
XB |
XC |
XH |
U1 |
Y1 |
V1 |
φd1 |
b1 |
h1 |
m1 |
kg |
l |
|
02
03 |
R1
R1 |
24
24 |
R3/4
R3/4 |
24
24 |
M20
M20 |
35
35 |
M16
M16 |
32
32 |
355
384 |
135
147 |
182
196 |
18
18 |
509
549 |
130
135 |
639
684 |
50k6
55m6 |
14h9
16h9 |
53.5
59 |
M16
M20 |
221
280 |
10
14 |
|
04
05 |
R1
R1 |
28
28 |
R3/4
R3/4 |
28
28 |
M24
M24 |
42
42 |
M16
M20 |
32
35 |
430
460 |
168
182 |
211
226 |
22
22 |
600
655 |
135
138 |
735
793 |
60m6
65m6 |
18h9
18h9 |
64
69 |
M20
M20 |
381
505 |
19
22 |
|
06
07 |
R1
R1 |
33
33 |
R1
R1 |
33
33 |
M30
M30 |
53
53 |
M20
M24 |
35
42 |
525
561 |
195
219 |
248
262 |
22
22 |
698
752 |
140
160 |
838
912 |
70m6
75m6 |
20h9
20h9 |
74.5
79.5 |
M20
M20 |
615
793 |
26
32 |
|
08
09 |
R1
R1 |
39
39 |
R1
R1 |
39
39 |
M30
M30 |
53
53 |
M24
M30 |
42
53 |
597
652 |
234
247 |
289
309 |
22
22 |
822
921 |
160
195 |
982
1116 |
85m6
90m6 |
22h9
22h9 |
90
95 |
M20
M24 |
1055
1330 |
58
84 |

|
規格 |
LSS尺寸(mm) |
|
d2 |
b2 |
h2 |
m2 |
Y2 |
V2 |
U3 |
UC |
UD |
φD2 |
φD4 |
φD5 |
|
02
03 |
80m6
100m6 |
22h9
28h9 |
85
106 |
M20
M24 |
140
170 |
304
341 |
164
171 |
257
274 |
156
163 |
80js7/H8
85js7/H8 |
86js6/H7
101js6/H7 |
85js6/H7
100js6/H7 |
|
04
05 |
105m6
120m6 |
28h9
32h9 |
111
127 |
M24
M24 |
210
210 |
403
411 |
193
201 |
302
311 |
187
193 |
105js7/H8
115js7/H8 |
111js6/H7
121js6/H7 |
110js6/H7
120js6/H7 |
|
06
07 |
130m6
140m6 |
32h9
36h9 |
137
148 |
M24
M24 |
220
250 |
434
478 |
214
228 |
331
354 |
210
224 |
125js7/H8
135js7/H8 |
131js6/H7
141js6/H7 |
130js6/H7
140js6/H7 |
|
08
09 |
160m6
170m6 |
40h9
40h9 |
169
179 |
M24
M24 |
250
310 |
504
574 |
254
264 |
397
407 |
246
262 |
150js7/H8
165js7/H8 |
151js6/H7
166js6/H7 |
150js6/H7
165js6/H7 |
軸的位置
|
|
|