 |
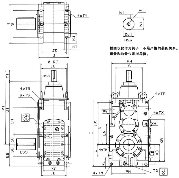
MC系列硬齒面中型齒輪減速機安裝尺寸(3級錐齒輪斜齒輪減速機豎立安裝) |
 |
| |
詳細介紹: |
發布時間:2007/2/5 16:44:41 |
|
| |
3級錐齒輪斜齒輪減速器
豎立安裝
主要附件可供垂直安裝選用
|
附件尺寸(mm) |
|
規格 |
HK |
LC |
LH |
|
02
03 |
1050
1120 |
310
330 |
540
550 |
|
04
05 |
1190
1250 |
350
360 |
580
590 |
|
06
07 |
1350
1450 |
380
410 |
580
590 |
|
08
09 |
1550
1620 |
450
480 |
590
600 |
|
規格 |
箱體尺寸(mm) |
|
EBhⅡ |
E |
H |
JhⅡ |
JE |
KG |
KJ |
KL |
KT |
L |
LB |
LE |
LN |
N |
PH |
S |
SA |
SB |
SC |
TM |
TO |
|
02
03 |
195
207 |
574
618 |
320
360 |
260
274 |
212
228 |
28
28 |
90
100 |
68
68 |
45
45 |
98
110 |
170
182 |
354
389 |
175
207 |
282
314 |
270
310 |
206
246 |
206
246 |
114
122 |
96
84 |
24
24 |
R3/4
R3/4 |
|
04
05 |
229
240 |
677
731 |
400
430 |
314
329 |
260
279 |
30
34 |
118
118 |
71
71 |
50
50 |
122
136 |
201
212 |
420
463 |
233
228 |
341
387 |
344
374 |
260
296 |
256
296 |
147
136 |
114
106 |
28
28 |
R3/4
R3/4 |
|
06
07 |
270
295 |
812
885 |
470
530 |
356
380 |
292
316 |
40
40 |
131
152 |
68
91 |
64
64 |
141
150 |
235
260 |
507
555 |
256
285 |
413
445 |
400
454 |
308
350 |
308
350 |
141
150 |
132
112 |
33
33 |
R1
R1 |
|
08
09 |
322
335 |
981
1049 |
600
670 |
431
451 |
353
373 |
52
52 |
153
153 |
103
103 |
78
78 |
174
187 |
280
293 |
617
672 |
318
373 |
511
566 |
516
586 |
406
476 |
406
476 |
174
187 |
115
100 |
39
39 |
R1
R1 |
|
規格 |
箱體尺寸(mm) |
HSS尺寸(mm) |
重量 |
油量 |
|
|
i=14~63 |
i=71~90 |
i=100~112 |
|
TP H9 |
TR=TX |
TS |
XA |
XB |
XC |
XH |
U1 |
Y1 |
V1 |
φd1 |
b1 |
h1 |
m1 |
φd1 |
b1 |
h1 |
m1 |
φd1 |
b1 |
h1 |
m1 |
kg |
l |
|
02
03 |
24
24 |
M20
M20 |
35
35 |
M16
M16 |
32
32 |
355
384 |
135
147 |
182
196 |
18
18 |
533
584 |
100
112 |
633
696 |
35k6
40k6 |
10h9
12h9 |
38
43 |
M12
M16 |
30k6
30k6 |
8h9
8h9 |
33
33 |
M10
M10 |
25k6
25k6 |
8h9
8h9 |
28
28 |
M10
M10 |
219
279 |
30
36 |
|
04
05 |
28
28 |
M24
M24 |
42
42 |
M16
M20 |
32
35 |
430
460 |
168
182 |
211
226 |
22
22 |
642
693 |
120
125 |
762
818 |
42k6
50k6 |
12h9
14h9 |
45
53.5 |
M16
M16 |
35k6
40k6 |
10h9
12h9 |
38
43 |
M12
M16 |
25k6
30k6 |
8h9
8h9 |
28
33 |
M10
M10 |
392
493 |
46
65 |
|
06
07 |
33
33 |
M30
M30 |
53
53 |
M20
M24 |
35
42 |
525
561 |
195
219 |
248
262 |
22
22 |
758
814 |
130
135 |
888
949 |
50k6
60m6 |
14h9
18h9 |
53.5
64 |
M16
M20 |
45k6
45k6 |
14h9
14h9 |
48.5
48.5 |
M16
M16 |
35k6
40k6 |
10h9
12h9 |
38
43 |
M12
M16 |
601
779 |
80
115 |
|
08
09 |
39
39 |
M30
M30 |
53
53 |
M24
M30 |
42
53 |
597
652 |
234
247 |
289
309 |
22
22 |
890
969 |
135
140 |
1025
1109 |
60m6
70m6 |
18h9
20h9 |
64
74.5 |
M20
M20 |
55m6
60m6 |
16h9
18h9 |
59
64 |
M20
M20 |
40k6
45k6 |
12h9
14h9 |
43
48.5 |
M16
M16 |
1037
1299 |
110
135 |

|
規格 |
LSS尺寸(mm) |
|
d2 |
b2 |
h2 |
m2 |
Y2 |
V2 |
U3 |
UC |
UD |
φD2 |
φD4 |
φD5 |
|
02
03 |
80m6
100m6 |
22h9
28h9 |
85
106 |
M20
M24 |
140
170 |
304
341 |
164
171 |
257
274 |
156
165 |
80js7/H8
95js7/H8 |
86js6/H7
101js6/H7 |
85js6/H7
100js6/H7 |
|
04
05 |
105m6
120m6 |
28h9
32h9 |
111
127 |
M24
M24 |
210
210 |
403
411 |
193
201 |
302
311 |
187
193 |
105js7/H8
115js7/H8 |
111js6/H7
121js6/H7 |
110js6/H7
120js6/H7 |
|
06
07 |
130m6
140m6 |
32h9
36h9 |
137
148 |
M24
M24 |
220
250 |
434
478 |
214
228 |
331
354 |
210
224 |
125js7/H8
135js7/H8 |
131js6/H7
141js6/H7 |
130js6/H7
140js6/H7 |
|
08
09 |
160m6
170m6 |
40h9
40h9 |
169
179 |
M24
M24 |
250
310 |
504
574 |
254
264 |
397
407 |
246
262 |
150js7/H8
165js7/H8 |
151js6/H7
166js6/H7 |
150js6/H7
165js6/H7 |
軸的位置
|
|
|