 |
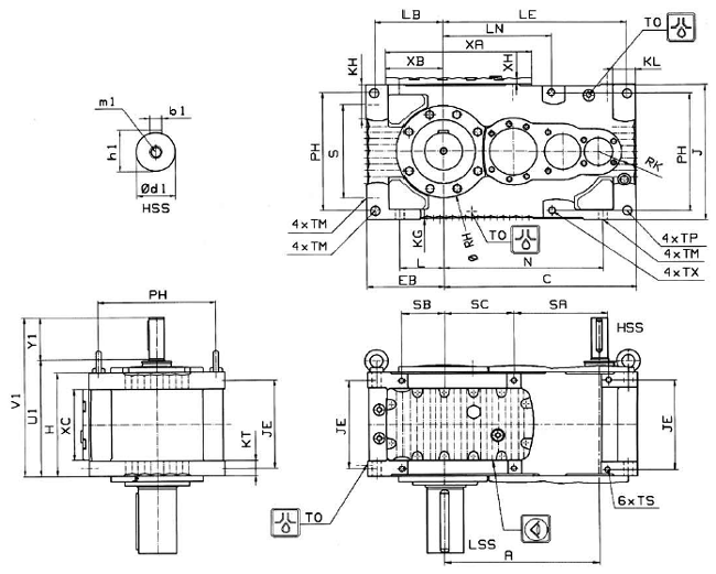
MC系列硬齒面中型齒輪減速機安裝尺寸(3級斜齒輪減速機垂直安裝) |
 |
|
詳細介紹: |
發布時間:2007/2/5 16:25:20 |
|
|
3級斜齒輪減速器
垂直安裝
插圖僅僅作為例子,不是嚴格的裝配關系。
重量和油量僅是指導值。
主要附件可供垂直安裝選用
附件尺寸(mm) |
規格 |
HK |
LC |
LH |
X |
JX |
JW |
02
03 |
620
640 |
540
580 |
600
620 |
-
- |
-
- |
-
- |
04
05 |
680
690 |
640
680 |
620
630 |
250
250 |
162
169 |
488
532 |
06
07 |
710
740 |
720
750 |
650
680 |
250
250 |
182
204 |
574
629 |
08
09 |
790
810 |
830
900 |
640
670 |
316
386 |
219
232 |
696
765 |
規格 |
箱體尺寸(mm) |
A |
EBhⅡ |
C |
HhⅡ |
J |
JE |
KG |
KH |
KL |
KT |
L |
LB |
LE |
LN |
N |
PH |
RH |
RK |
S |
SA |
SB |
SC |
02
03 |
368
408 |
195
207 |
467
513 |
260
274 |
320
360 |
212
228 |
28
28 |
90
100 |
68
68 |
45
45 |
98
110 |
170
182 |
442
488 |
263
306 |
369
416 |
270
310 |
107
127 |
73
78 |
206
246 |
206
246 |
114
122 |
175
181 |
04
05 |
444
486 |
229
240 |
556
603 |
314
329 |
400
430 |
260
279 |
30
34 |
118
118 |
71
71 |
50
50 |
122
136 |
201
212 |
524
575 |
337
340 |
449
499 |
344
374 |
136
146 |
83
90 |
260
296 |
260
296 |
147
136 |
218
218 |
06
07 |
529
575 |
270
295 |
665
720 |
356
380 |
470
530 |
292
316 |
40
40 |
131
152 |
88
91 |
64
64 |
141
150 |
235
260 |
627
685 |
376
415 |
533
575 |
400
454 |
156
173 |
97
102 |
308
350 |
308
350 |
141
150 |
252
242 |
08
09 |
630
694 |
322
335 |
803
872 |
431
451 |
600
670 |
353
373 |
52
52 |
153
153 |
103
103 |
78
78 |
174
187 |
280
293 |
757
826 |
458.5
527.5 |
651
720 |
516
586 |
178
196 |
107
112 |
406
476 |
406
476 |
174
187 |
255
254 |
規格 |
箱體尺寸(mm) |
HSS尺寸(mm) |
重量 |
油量 |
TM |
TO |
TP H9 |
TX |
TS |
XA |
XB |
XC |
XH |
U1 |
Y1 |
V1 |
φd1 |
b1 |
h1 |
m1 |
kg |
l |
02
03 |
24
24 |
R3/4
R3/4 |
24
24 |
M20
M20 |
35
35 |
M16
M16 |
32
32 |
355
384 |
135
147 |
182
196 |
18
18 |
300
314 |
120
120 |
420
434 |
32k6
38k6 |
10h9
10h9 |
35
41 |
M12
M12 |
222
292 |
36
42 |
04
05 |
28
28 |
R3/4
R3/4 |
28
28 |
M24
M24 |
42
42 |
M16
M20 |
32
35 |
430
460 |
168
182 |
211
226 |
22
22 |
354
370 |
130
135 |
484
505 |
38k6
48k6 |
10h9
14h9 |
41
51.5 |
M12
M16 |
396
517 |
55
70 |
06
07 |
33
33 |
R1
R1 |
33
33 |
M30
M30 |
53
53 |
M20
M24 |
35
42 |
525
561 |
195
219 |
248
262 |
22
22 |
396
420 |
140
140 |
436
560 |
48k6
50k6 |
14h9
14h9 |
51.5
53.5 |
M16
M16 |
614
797 |
90
130 |
08
09 |
39
39 |
R1
R1 |
39
39 |
M30
M30 |
53
53 |
M24
M30 |
42
53 |
597
652 |
234
247 |
289
309 |
22
22 |
472
492 |
160
160 |
632
652 |
55k6
60k6 |
16h9
18h9 |
59
64 |
M20
M20 |
1085
1297 |
135
160 |

規格 |
LSS尺寸(mm) |
d2 |
b2 |
h2 |
m2 |
Y2 |
V3 |
U2 |
U3 |
U4 |
UC |
UD |
φD2 |
φD4 |
φD5 |
02
03 |
80m6
100m6 |
22h9
28h9 |
85
106 |
M20
M24 |
140
170 |
174
204 |
34
34 |
164
171 |
34
34 |
257
274 |
156
165 |
80js7/H8
95js7/H8 |
86js6/H7
101js6/H7 |
85h6/H7
100h6/H7 |
04
05 |
105m6
120m6 |
28h9
32h9 |
111
127 |
M24
M24 |
210
210 |
246
246 |
36
36 |
193
201 |
36
36 |
302
311 |
187
193 |
105js7/H8
115js7/H8 |
111js6/H7
121js6/H7 |
110h6/H7
120h6/H7 |
06
07 |
130m6
140m6 |
32h9
36h9 |
137
148 |
M24
M24 |
220
250 |
256
288 |
36
38 |
214
228 |
36
38 |
331
354 |
210
224 |
125js7/H8
135js7/H8 |
131js6/H7
141js6/H7 |
130h6/H7
140h6/H7 |
08
09 |
160m6
170m6 |
40h9
40h9 |
169
179 |
M24
M24 |
250
310 |
288
348 |
38
38 |
254
264 |
38
38 |
397
407 |
246
262 |
150js7/H8
165js7/H8 |
151js6/H7
166js6/H7 |
150h6/H7
165h6/H7 |
軸的位置
|
|
|