 |
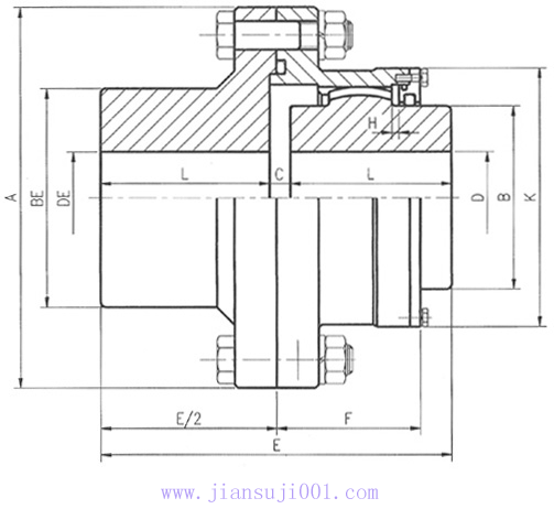
DY-CB型單面嚙合聯軸機外形及安裝尺寸 |
 |
|
詳細介紹: |
發布時間:2008/8/2 9:02:53 |
|
|
單面嚙合聯軸器
只可容許角度之偏差。主要用途是和浮動軸配合使用,又適用于從動軸設備,只有一處徑向軸承支持者之連結。

DY-CB
型號 |
扭力
kg-M |
最高回轉數
RPM |
最大孔徑
mm |
最小孔徑
mm |
重量
kg |
潤滑油
重量
g |
尺 寸 mm |
撓性 |
剛性 |
L |
C |
E |
A |
B |
F |
K |
H |
BE |
250 |
15.3 |
1650 |
250 |
250 |
165 |
310 |
2300 |
224 |
22 |
470 |
462 |
330 |
148 |
422 |
6 |
390 |
285 |
22.4 |
1500 |
285 |
285 |
190 |
485 |
3500 |
250 |
22 |
522 |
530 |
380 |
158 |
470 |
6 |
435 |
320 |
31.8 |
1200 |
320 |
320 |
215 |
695 |
4300 |
280 |
28 |
588 |
590 |
430 |
177 |
522 |
8 |
490 |
365 |
48 |
1200 |
365 |
365 |
245 |
1080 |
6400 |
315 |
28 |
658 |
650 |
490 |
182 |
582 |
8 |
550 |
400 |
67 |
1050 |
400 |
400 |
270 |
1580 |
9000 |
355 |
28 |
738 |
738 |
540 |
215 |
658 |
8 |
625 |
|
|
|