 |
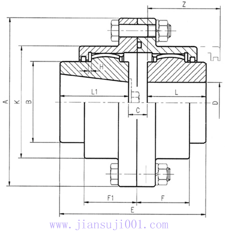
DY-SMA型Mill Motor用雙面嚙合聯軸機外形及安裝尺寸 |
 |
| |
詳細介紹: |
發布時間:2008/8/2 9:30:38 |
|
| |
Mill Motor用的雙面嚙合聯軸器
DY-SMA “Z”裝配時所需之最小距離
|
型號 |
馬達型號 |
扭力kg-M |
最大
孔徑
mm |
最小孔徑
mm |
重量
kg |
潤滑油重量
g |
|
尺 寸 mm |
|
L1 |
L |
C |
E |
A |
B |
F1 |
F |
K |
H |
|
55 |
802A
802B
802C |
103 |
55 |
22 |
8.5 |
60 |
75 |
50 |
33 |
158 |
154 |
75 |
66 |
45 |
95 |
5 |
|
65 |
803
804 |
172 |
65 |
37 |
15 |
75 |
90 |
63 |
33 |
186 |
168 |
90 |
70 |
49 |
116 |
5 |
|
75 |
806 |
287 |
75 |
37 |
23 |
95 |
100 |
80 |
40 |
220 |
184 |
105 |
80 |
54 |
134 |
5 |
|
90 |
808 |
470 |
90 |
37 |
30 |
155 |
115 |
90 |
41 |
246 |
206 |
125 |
81 |
55 |
153 |
5 |
|
105 |
810 |
670 |
105 |
37 |
42 |
210 |
115 |
100 |
45 |
260 |
221 |
140 |
89 |
59 |
170 |
5 |
|
115 |
812 |
980 |
115 |
42 |
56 |
300 |
125 |
112 |
52 |
289 |
244 |
155 |
106 |
71 |
186 |
5 |
|
135.a |
814 |
1420 |
135 |
42 |
72 |
430 |
125 |
125 |
55 |
305 |
266 |
180 |
112 |
73 |
212 |
5 |
|
135.b |
816 |
1420 |
135 |
42 |
75 |
430 |
140 |
125 |
57 |
322 |
266 |
180 |
112 |
73 |
212 |
5 |
|
150 |
818 |
2100 |
150 |
47 |
105 |
550 |
150 |
140 |
49 |
339 |
292 |
200 |
112 |
82 |
239 |
6 |
|
175 |
620 |
3100 |
175 |
52 |
155 |
850 |
170 |
160 |
59 |
389 |
331 |
235 |
125 |
85 |
276 |
6 |
|
200.a |
622 |
4550 |
200 |
52 |
240 |
1200 |
185 |
180 |
76 |
441 |
365 |
265 |
149 |
95 |
313 |
6 |
|
200.b |
624 |
4550 |
200 |
52 |
270 |
1200 |
235 |
180 |
76 |
491 |
365 |
265 |
149 |
95 |
313 |
6 |
|
|
|