 |
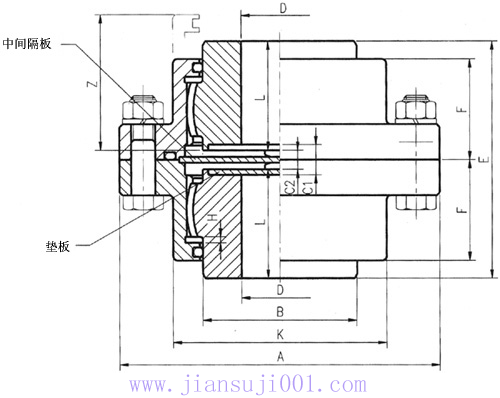
DY-VA型垂直式雙面嚙合聯軸機外形及安裝尺寸 |
 |
| |
詳細介紹: |
發布時間:2008/8/2 9:35:53 |
|
| |
垂直式雙面嚙合聯軸器
是以標準的水平式雙面嚙合聯軸器,經加工后,再加上中間隔板,以避免外殼滑落,而與軸轂齒邊相互磨擦。
DY-VA “Z”裝配時所需之最小距離
|
型號 |
扭力kg-M |
最高回轉數
RPM |
最大
孔徑
mm |
最小孔徑
mm |
重量
kg |
潤滑油重量
g |
尺 寸 mm |
|
L |
C1 |
E |
A |
B |
F |
K |
H |
Z |
C2 |
|
35 |
53 |
4000 |
35 |
14 |
3.5 |
40 |
40 |
24 |
92 |
120 |
50 |
38 |
71 |
5 |
55 |
12 |
|
45 |
88 |
4000 |
45 |
16 |
4.0 |
40 |
45 |
24 |
102 |
137 |
60 |
44 |
92 |
5 |
65 |
12 |
|
55 |
147 |
4000 |
55 |
22 |
5.0 |
50 |
50 |
26 |
112 |
154 |
75 |
45 |
110 |
5 |
70 |
12 |
|
65 |
246 |
4000 |
65 |
37 |
12 |
65 |
63 |
26 |
138 |
168 |
90 |
49 |
120 |
5 |
85 |
12 |
|
75 |
410 |
4000 |
75 |
37 |
18 |
85 |
80 |
26 |
174 |
184 |
105 |
54 |
140 |
5 |
100 |
14 |
|
90 |
670 |
4000 |
90 |
37 |
23 |
140 |
90 |
28 |
194 |
206 |
125 |
55 |
160 |
5 |
110 |
14 |
|
105 |
980 |
3750 |
105 |
37 |
34 |
190 |
100 |
28 |
214 |
221 |
140 |
59 |
175 |
5 |
120 |
14 |
|
115 |
1420 |
3300 |
115 |
42 |
42 |
280 |
112 |
32 |
240 |
244 |
155 |
71 |
188 |
5 |
130 |
16 |
|
135 |
2100 |
3000 |
135 |
42 |
60 |
400 |
125 |
35 |
266 |
266 |
180 |
73 |
214 |
5 |
140 |
16 |
|
150 |
3100 |
2650 |
150 |
47 |
84 |
500 |
140 |
35 |
298 |
292 |
200 |
82 |
240 |
6 |
170 |
18 |
|
175 |
4550 |
2350 |
175 |
80 |
127 |
800 |
160 |
38 |
338 |
331 |
235 |
85 |
285 |
6 |
195 |
18 |
|
200 |
6650 |
2100 |
200 |
80 |
170 |
1000 |
180 |
42 |
380 |
365 |
265 |
95 |
313 |
6 |
240 |
20 |
|
225 |
9700 |
1850 |
225 |
100 |
238 |
1700 |
200 |
42 |
422 |
412 |
300 |
104 |
350 |
6 |
250 |
22 |
|
|
|