 |
R3、RMK3、RMD3、RHK3、RHD3型減速機外形及安裝尺寸 |
 |
| |
詳細介紹: |
發布時間:2008/8/9 15:52:19 |
|
| |
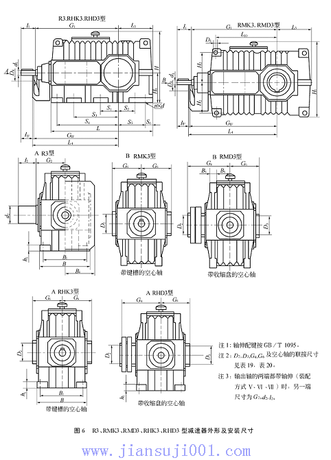
R3、RMK3、RMD3、RHK3、RHD3型減速器外形及安裝尺寸如圖6、表11所示。
表11 R3、RMK3、RMD3、RHK3、RHD3型減速器外形及安裝尺寸
mm
|
規格 |
L |
B |
H |
H0 |
H1 |
L3 |
G1 |
輸入軸 |
輸入軸 |
輸出軸 |
|
ia |
ib |
d1 |
l1 |
l1F |
G1F |
ia |
ib |
d1 |
l1 |
l1F |
G1F |
d2 |
l2 |
G2 |
|
01 |
485 |
230 |
≈363 |
175 |
— |
165 |
455 |
≤56 |
≤45 |
35m6 |
110 |
82 |
477 |
≥63 |
≥50 |
32m6 |
80 |
58 |
477 |
70m6 |
140 |
145 |
|
02 |
540 |
230 |
≈414 |
200 |
— |
195 |
480 |
≤63 |
≤56 |
35m6 |
110 |
82 |
502 |
≥71 |
≥63 |
32m6 |
80 |
58 |
502 |
85m6 |
170 |
145 |
|
03 |
650 |
300 |
≈466 |
220 |
— |
215 |
600 |
≤50 |
≤50 |
45m6 |
110 |
82 |
628 |
≥56 |
≥56 |
35m6 |
80 |
58 |
622 |
100n6 |
210 |
180 |
|
04 |
790 |
320 |
≈530 |
250 |
≈530 |
260 |
695 |
≤45 |
≤40 |
55m6 |
140 |
105 |
723 |
≥50 |
≥45 |
45m6 |
110 |
82 |
723 |
110n6 |
210 |
195 |
|
05 |
875 |
320 |
≈620 |
290 |
≈610 |
300 |
740 |
≤56 |
≤50 |
55m6 |
140 |
105 |
768 |
≥63 |
≥56 |
45m6 |
110 |
82 |
768 |
130n6 |
250 |
195 |
|
06 |
905 |
410 |
≈620 |
290 |
≈610 |
300 |
815 |
≤40 |
≤40 |
70m6 |
140 |
105 |
850 |
≥45 |
≥45 |
55m6 |
110 |
82 |
823 |
140n6 |
250 |
245 |
|
07 |
995 |
410 |
≈690 |
320 |
≈710 |
340 |
865 |
≤56 |
≤45 |
70m6 |
140 |
105 |
900 |
≥63 |
≥50 |
55m6 |
110 |
82 |
873 |
160n6 |
300 |
255 |
|
08 |
1190 |
430 |
≈800 |
380 |
≈810 |
400 |
1010 |
≤45 |
≤50 |
85m6 |
170 |
130 |
1050 |
≥50 |
≥56 |
70m6 |
140 |
105 |
1045 |
180n6 |
300 |
260 |
|
09 |
1250 |
560 |
≈820 |
380 |
≈810 |
400 |
1110 |
≤45 |
≤40 |
95m6 |
210 |
165 |
1150 |
≥50 |
≥45 |
85m6 |
170 |
130 |
1150 |
200n6 |
350 |
335 |
|
10 |
1460 |
590 |
≈940 |
440 |
≈965 |
465 |
1325 |
≤45 |
≤35.5 |
110n6 |
210 |
165 |
1370 |
≥50 |
≥40 |
95m6 |
170 |
130 |
1365 |
220n6 |
350 |
360 |
|
11 |
1660 |
590 |
≈1120 |
520 |
≈1130 |
562 |
1428 |
≤50 |
≤45 |
110n6 |
210 |
165 |
1473 |
≥56 |
≥50 |
95m6 |
170 |
130 |
1468 |
240n6 |
410 |
360 |
|
12 |
1760 |
750 |
≈1120 |
520 |
≈1130 |
560 |
1580 |
≤35.5 |
≤50 |
130n6 |
250 |
200 |
1630 |
≥40 |
≥56 |
110n6 |
210 |
165 |
1625 |
260n6 |
410 |
440 |
|
13 |
1850 |
750 |
≈1160 |
550 |
≈1150 |
600 |
1630 |
≤45 |
≤56 |
130n6 |
250 |
200 |
1680 |
≥50 |
≥63 |
110n6 |
210 |
165 |
1705 |
280n6 |
410 |
440 |
|
14 |
2065 |
770 |
≈1230 |
580 |
≈1220 |
640 |
1890 |
≤45 |
≤35.5 |
150n6 |
300 |
240 |
1940 |
≥50 |
≥40 |
130n6 |
250 |
200 |
1940 |
300n6 |
470 |
470 |
|
15 |
2160 |
770 |
≈1310 |
620 |
≈1340 |
687 |
1938 |
≤45 |
≤56 |
150n6 |
300 |
240 |
1988 |
≥50 |
≥63 |
130n6 |
250 |
200 |
1988 |
300n6 |
470 |
470 |
|
16 |
2320 |
770 |
≈1460 |
700 |
≈1480 |
770 |
2015 |
≤45 |
≤56 |
150n6 |
300 |
240 |
2065 |
≥50 |
≥63 |
130n6 |
250 |
200 |
2065 |
320n6 |
470 |
470 |
|
17 |
2240 |
1040 |
≈1430 |
700 |
≈1420 |
670 |
2100 |
≤40 |
≤31.5 |
170n6 |
350 |
280 |
2160 |
≥45 |
≥35.5 |
150n6 |
250 |
200 |
2150 |
320n6 |
470 |
590 |
|
18 |
2350 |
1040 |
≈1480 |
700 |
≈1480 |
725 |
2155 |
≤45 |
≤35.5 |
170n6 |
350 |
280 |
2215 |
≥50 |
≥40 |
150n6 |
250 |
200 |
2205 |
340n6 |
550 |
590 |
|
19 |
2490 |
1040 |
≈1570 |
760 |
≈1540 |
800 |
2220 |
≤50 |
≤35.5 |
170n6 |
350 |
280 |
2280 |
≥56 |
≥40 |
150n6 |
250 |
200 |
2270 |
360n6 |
550 |
590 |
|
20 |
2560 |
1110 |
≈1570 |
760 |
≈1540 |
800 |
2370 |
≤35.5 |
≤40 |
190n6 |
350 |
280 |
2440 |
≥40 |
≥45 |
160n6 |
300 |
240 |
2430 |
380n6 |
550 |
625 |
|
21 |
2690 |
1110 |
≈1700 |
820 |
≈1680 |
870 |
2430 |
≤35.5 |
≤50 |
190n6 |
350 |
280 |
2500 |
≥40 |
≥56 |
160n6 |
300 |
240 |
2490 |
400n6 |
650 |
625 |
|
22 |
2810 |
1110 |
≈1780 |
820 |
≈1760 |
930 |
2490 |
≤50 |
≤40 |
190n6 |
350 |
280 |
2560 |
≥50 |
≥45 |
160n6 |
300 |
240 |
2550 |
400n6 |
650 |
625 |
表 11 (續)
|
規格 |
地腳螺栓 |
支承孔 |
風扇 |
質量 kg |
油量 L |
|
n×d |
B1 |
S1 |
S2 |
S3 |
S4 |
S5 |
S6 |
h1 |
H2 |
L10 |
D5
(H9) |
B3 |
B5 |
D4 |
B4 |
L4 |
R3,
RH3 |
RM3 |
R3,
RH3 |
RM3 |
|
01 |
6×M16 |
195 |
75 |
— |
— |
295 |
140 |
25 |
25 |
— |
— |
— |
— |
— |
130 |
140 |
490 |
≈144 |
— |
≈6 |
— |
|
02 |
6×M16 |
195 |
95 |
— |
— |
320 |
170 |
25 |
25 |
— |
— |
— |
— |
— |
130 |
140 |
515 |
≈184 |
— |
≈10 |
— |
|
03 |
6×M20 |
250 |
105 |
— |
— |
405 |
185 |
30 |
32 |
— |
— |
— |
— |
— |
150 |
180 |
640 |
≈308 |
— |
≈16 |
— |
|
04 |
6×M24 |
260 |
140 |
— |
— |
490 |
220 |
40 |
40 |
205 |
490 |
28 |
40 |
80 |
150 |
190 |
740 |
≈475 |
≈455 |
≈26 |
≈20 |
|
05 |
6×M24 |
260 |
160 |
— |
— |
535 |
260 |
40 |
40 |
240 |
535 |
28 |
40 |
80 |
150 |
190 |
785 |
≈585 |
≈565 |
≈30 |
≈23 |
|
06 |
8×M24 |
350 |
145 |
145 |
— |
565 |
260 |
40 |
50 |
220 |
550 |
36 |
50 |
110 |
200 |
230 |
845 |
≈810 |
≈780 |
≈38 |
≈30 |
|
07 |
8×M24 |
350 |
190 |
190 |
— |
615 |
300 |
40 |
50 |
280 |
600 |
36 |
50 |
110 |
200 |
230 |
895 |
≈920 |
≈875 |
≈42 |
≈32 |
|
08 |
8×M30 |
360 |
215 |
215 |
— |
745 |
355 |
45 |
60 |
320 |
730 |
40 |
60 |
110 |
220 |
245 |
1065 |
≈1400 |
≈1315 |
≈75 |
≈58 |
|
09 |
8×M36 |
470 |
210 |
210 |
— |
800 |
350 |
50 |
70 |
320 |
780 |
50 |
70 |
150 |
220 |
310 |
1165 |
≈1880 |
≈1780 |
≈125 |
≈105 |
|
10 |
8×M42 |
490 |
240 |
240 |
— |
935 |
405 |
60 |
80 |
370 |
900 |
60 |
80 |
150 |
250 |
330 |
1385 |
≈2800 |
≈2680 |
≈180 |
≈155 |
|
11 |
8×M42 |
490 |
310 |
310 |
— |
1036 |
500 |
62 |
80 |
450 |
1000 |
60 |
80 |
150 |
250 |
330 |
1490 |
≈3400 |
≈3250 |
≈195 |
≈160 |
|
12 |
10×M42 |
650 |
300 |
300 |
700 |
1140 |
500 |
60 |
90 |
430 |
1100 |
65 |
90 |
220 |
280 |
410 |
1650 |
≈4850 |
≈4650 |
≈240 |
≈210 |
|
13 |
10×M42 |
650 |
320 |
320 |
740 |
1190 |
540 |
60 |
90 |
460 |
1150 |
65 |
90 |
220 |
280 |
410 |
1730 |
≈5350 |
≈5100 |
≈255 |
≈225 |
|
14 |
10×M48 |
660 |
330 |
330 |
830 |
1355 |
570 |
70 |
90 |
500 |
1310 |
70 |
100 |
240 |
310 |
420 |
1960 |
≈6450 |
≈6170 |
≈300 |
≈280 |
|
15 |
10×M48 |
660 |
350 |
350 |
850 |
1400 |
615 |
73 |
100 |
550 |
1350 |
70 |
100 |
240 |
310 |
420 |
2010 |
≈6950 |
≈6600 |
≈320 |
≈300 |
|
16 |
10×M48 |
660 |
400 |
400 |
940 |
1480 |
700 |
70 |
100 |
630 |
1420 |
70 |
100 |
240 |
310 |
420 |
2085 |
≈7530 |
≈7200 |
≈350 |
≈325 |
|
17 |
8×M56 |
900 |
250 |
— |
770 |
1410 |
510 |
160 |
120 |
490 |
1450 |
80 |
120 |
275 |
400 |
550 |
2180 |
≈9550 |
≈9050 |
≈380 |
≈350 |
|
18 |
8×M56 |
900 |
250 |
— |
785 |
1455 |
555, , |
170
|
120 |
540 |
1500 |
80 |
120 |
275 |
400 |
550 |
2245 |
≈10650 |
≈10050 |
≈430 |
≈400 |
|
19 |
8×M56 |
900 |
370 |
— |
990 |
1525 |
635 |
165 |
120 |
600 |
1560 |
80 |
120 |
275 |
400 |
550 |
2300 |
≈12250 |
≈11650 |
≈460 |
≈430 |
|
20 |
8×M64 |
960 |
370 |
— |
990 |
1590 |
630 |
170 |
140 |
580 |
1610 |
90 |
140 |
300 |
450 |
570 |
2460 |
≈13400 |
≈12700 |
≈560 |
≈520 |
|
21 |
10×M64 |
960 |
440 |
440 |
1075 |
1630 |
680 |
190 |
140 |
640 |
1670 |
90 |
140 |
300 |
450 |
570 |
2520 |
≈14500 |
≈13800 |
≈610 |
≈570 |
|
22 |
10×M64 |
960 |
450 |
450 |
1135 |
1660 |
710 |
220 |
140 |
700 |
1730 |
90 |
140 |
300 |
450 |
570 |
2580 |
≈15400 |
≈14600 |
≈630 |
≈590 |
|
注:ia欄指的是按第1種實際傳動比選用時的公稱傳動比值;
ib欄指的是按第2種實際傳動比選用時的公稱傳動比值。 |
|
|
|