 |
PV2型減速機外形及安裝尺寸 |
 |
|
詳細介紹: |
發布時間:2008/8/9 16:03:16 |
|
|
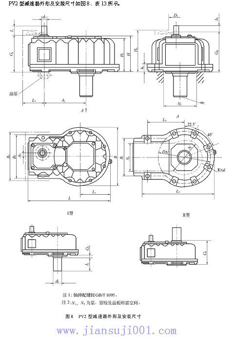
PV2型減速器外形及安裝尺寸如圖8、表13所示。
表13 PV2型減速器外形及安裝尺寸
mm
規格 |
L |
B |
H |
H1 |
AL |
AB |
L1 |
輸入軸 |
輸出軸 |
d1 |
l1 |
G1 |
l1F |
G1F |
d2 |
l2 |
G2 |
G3 |
m2 |
01 |
500 |
350 |
≈300 |
238 |
230 |
0 |
175 |
40m6 |
110 |
275 |
82 |
303 |
70m6 |
140 |
30 |
290 |
M16 |
02 |
618 |
430 |
≈300 |
248 |
140 |
0 |
215 |
50m6 |
110 |
285 |
82 |
313 |
85m6 |
170 |
35 |
315 |
M16 |
03 |
672 |
470 |
≈360 |
306 |
164 |
23 |
235 |
55m6 |
110 |
359 |
82 |
387 |
100m6 |
210 |
35 |
384 |
M20 |
04 |
816 |
560 |
≈400 |
338 |
188 |
35 |
280 |
65m6 |
140 |
377 |
105 |
412 |
110n6 |
210 |
35 |
420 |
M24 |
05 |
886 |
620 |
≈400 |
338 |
188 |
35 |
310 |
65m6 |
140 |
377 |
105 |
412 |
130n6 |
250 |
35 |
420 |
M24 |
06 |
945 |
670 |
≈500 |
435 |
240 |
44 |
335 |
75m6 |
140 |
478 |
105 |
513 |
140n6 |
250 |
35 |
515 |
M30 |
07 |
1035 |
750 |
≈600 |
435 |
240 |
44 |
375 |
75n6 |
140 |
478 |
105 |
513 |
160n6 |
300 |
35 |
600 |
M30 |
07a |
1109 |
810 |
≈600 |
450 |
245 |
51 |
405 |
90n6 |
170 |
493 |
130 |
533 |
160n6 |
300 |
40 |
600 |
M30 |
08 |
1214 |
840 |
≈600 |
450 |
245 |
51 |
420 |
90n6 |
170 |
493 |
130 |
533 |
180n6 |
300 |
40 |
600 |
M30 |
09 |
1305 |
900 |
≈650 |
580 |
315 |
70 |
450 |
95n6 |
170 |
635 |
130 |
675 |
200n6 |
350 |
40 |
670 |
2M24 |
10 |
1500 |
1000 |
≈700 |
635 |
350 |
77 |
500 |
120n6 |
210 |
695 |
165 |
740 |
220n6 |
350 |
40 |
740 |
2M24 |
11 |
1700 |
1200 |
≈700 |
635 |
350 |
77 |
600 |
120n6 |
210 |
695 |
165 |
740 |
240n6 |
350 |
40 |
740 |
2M30 |
規格 |
底座和地腳螺栓 |
風扇 |
質量
kg |
L0 |
B2 |
d |
DN |
B1 |
LS |
h1 |
N1 |
N2 |
D4 |
B4 |
H4 |
01 |
420 |
280 |
M16 |
310 |
240 |
230 |
56 |
230 |
180 |
130 |
320 |
315 |
≈140 |
02 |
605 |
360 |
M20 |
380 |
310 |
370 |
63 |
280 |
200 |
150 |
400 |
325 |
≈220 |
03 |
630 |
370 |
M20 |
420 |
320 |
320 |
63 |
300 |
260 |
200 |
420 |
400 |
≈320 |
04 |
695 |
440 |
M24 |
500 |
380 |
375 |
70 |
350 |
280 |
200 |
480 |
425 |
≈460 |
05 |
770 |
440 |
M24 |
570 |
390 |
410 |
70 |
400 |
280 |
200 |
480 |
425 |
≈580 |
06 |
890 |
540 |
M30 |
590 |
460 |
500 |
85 |
400 |
320 |
200 |
610 |
525 |
≈800 |
07 |
980 |
630 |
M30 |
670 |
540 |
550 |
85 |
480 |
320 |
200 |
610 |
525 |
≈900 |
07a |
980 |
630 |
M30 |
730 |
540 |
550 |
85 |
560 |
380 |
220 |
670 |
545 |
≈1020 |
08 |
1040 |
650 |
M36 |
740 |
560 |
610 |
100 |
560 |
380 |
220 |
690 |
545 |
≈1400 |
09 |
1170 |
730 |
M36 |
800 |
630 |
660 |
100 |
600 |
460 |
220 |
770 |
690 |
≈1860 |
10 |
1360 |
860 |
M42 |
900 |
760 |
800 |
120 |
700 |
580 |
280 |
900 |
755 |
≈2900 |
11 |
1560 |
860 |
M42 |
1100 |
760 |
900 |
120 |
840 |
580 |
280 |
900 |
755 |
≈3560 |
|
|
|