 |
RV2型減速機外形及安裝尺寸 |
 |
| |
詳細介紹: |
發布時間:2008/8/9 16:17:35 |
|
| |
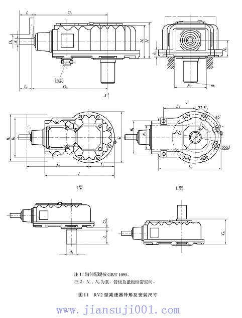
3.3.10 RV2型減速器外形及安裝尺寸如圖11、表16所示。
表16 RV2型減速器外形及安裝尺寸
mm
|
規格 |
L |
B |
H |
H1 |
H0 |
L1 |
G1 |
輸入軸 |
輸出軸 |
|
i |
d1 |
l1 |
l1F |
G1F |
i |
d1 |
l1 |
l1F |
G1F |
|
01 |
435 |
350 |
≈290 |
238 |
130 |
175 |
415 |
≤12.5 |
45m6 |
110 |
82 |
443 |
≥14 |
35m6 |
110 |
82 |
443 |
|
02 |
535 |
430 |
≈300 |
248 |
150 |
215 |
475 |
≤12.5 |
55m6 |
110 |
82 |
503 |
≥14 |
45m6 |
110 |
82 |
503 |
|
03 |
580 |
470 |
≈360 |
306 |
180 |
235 |
565 |
≤12.5 |
70m6 |
140 |
105 |
600 |
≥14 |
55m6 |
110 |
82 |
593 |
|
04 |
720 |
560 |
≈400 |
338 |
191 |
280 |
650 |
≤11.2 |
85m6 |
170 |
130 |
690 |
≥12.5 |
70m6 |
140 |
105 |
685 |
|
05 |
790 |
620 |
≈400 |
338 |
191 |
310 |
690 |
≤12.5 |
85m6 |
170 |
130 |
730 |
≥14 |
70m6 |
140 |
105 |
725 |
|
06 |
840 |
670 |
≈500 |
435 |
240 |
335 |
750 |
≤11.2 |
95m6 |
170 |
130 |
790 |
≥12.5 |
85m6 |
170 |
130 |
790 |
|
07 |
945 |
750 |
≈600 |
435 |
280 |
375 |
900 |
≤11.2 |
110n6 |
210 |
165 |
945 |
≥12.5 |
95m6 |
170 |
130 |
940 |
|
07a |
1010 |
810 |
≈600 |
450 |
280 |
405 |
935 |
≤12.5 |
110n6 |
210 |
165 |
980 |
≥14 |
95m6 |
170 |
130 |
975 |
|
08 |
1050 |
840 |
≈600 |
450 |
280 |
420 |
960 |
≤14 |
110n6 |
210 |
165 |
1005 |
≥16 |
95m6 |
170 |
130 |
1000 |
|
09 |
1165 |
900 |
≈650 |
580 |
315 |
450 |
1080 |
≤11.2 |
130n6 |
250 |
200 |
1130 |
≥12.5 |
110n6 |
210 |
165 |
1125 |
|
10 |
1340 |
1000 |
≈700 |
635 |
350 |
500 |
1290 |
≤11.2 |
150n6 |
250 |
200 |
1340 |
≥12.5 |
130n6 |
250 |
200 |
1340 |
|
11 |
1540 |
1200 |
≈700 |
635 |
350 |
600 |
1390 |
≤12.5 |
150n6 |
250 |
200 |
1440 |
≥14 |
130n6 |
250 |
200 |
1440 |
|
規格 |
輸出軸 |
底座和地腳螺栓 |
風扇 |
質量kg |
|
d2 |
L2 |
G2 |
G3 |
m2 |
L0 |
B2 |
d |
DN |
B1 |
LS |
h1 |
N1 |
N2 |
D4 |
B4 |
L4 |
|
01 |
70m6 |
140 |
30 |
290 |
M16 |
425 |
280 |
M16 |
310 |
240 |
230 |
56 |
230 |
180 |
150 |
280 |
455 |
≈160 |
|
02 |
85m6 |
170 |
35 |
325 |
M16 |
525 |
360 |
M20 |
380 |
310 |
285 |
63 |
280 |
200 |
150 |
310 |
520 |
≈248 |
|
03 |
100m6 |
210 |
35 |
400 |
M20 |
580 |
370 |
M20 |
420 |
320 |
320 |
63 |
300 |
260 |
200 |
320 |
615 |
≈355 |
|
04 |
110n6 |
210 |
35 |
440 |
M24 |
685 |
440 |
M24 |
500 |
380 |
375 |
70 |
350 |
280 |
220 |
440 |
705 |
≈550 |
|
05 |
130n6 |
250 |
35 |
440 |
M24 |
760 |
440 |
M24 |
570 |
390 |
410 |
70 |
400 |
280 |
220 |
440 |
750 |
≈640 |
|
06 |
140n6 |
250 |
35 |
515 |
M30 |
840 |
540 |
M30 |
590 |
460 |
440 |
85 |
400 |
320 |
220 |
460 |
810 |
≈920 |
|
07 |
160n6 |
300 |
40 |
600 |
M30 |
930 |
630 |
M30 |
670 |
540 |
480 |
85 |
480 |
320 |
250 |
520 |
965 |
≈1080 |
|
07a |
160n6 |
300 |
40 |
600 |
M30 |
980 |
630 |
M30 |
730 |
540 |
515 |
85 |
560 |
380 |
250 |
520 |
1000 |
≈1250 |
|
08 |
180n6 |
300 |
40 |
600 |
M30 |
1010 |
650 |
M36 |
740 |
560 |
540 |
100 |
560 |
380 |
250 |
520 |
1025 |
≈1560 |
|
09 |
200n6 |
350 |
40 |
670 |
2M24 |
1120 |
730 |
M36 |
800 |
630 |
600 |
100 |
600 |
460 |
280 |
620 |
1155 |
≈2000 |
|
10 |
220n6 |
350 |
40 |
740 |
2M24 |
1300 |
860 |
M42 |
900 |
760 |
740 |
120 |
700 |
580 |
310 |
720 |
1370 |
≈3100 |
|
11 |
240n6 |
350 |
40 |
740 |
2M30 |
1500 |
860 |
M42 |
1100 |
760 |
840 |
120 |
840 |
580 |
310 |
720 |
1470 |
≈3750 |
|
|
|